Хорошо классикам! Выйдут за околицу, в места заповедные, — просторы бескрайние, травы высокие, ветерок свежий. Все на поэтический лад настраивает. Вот и рождается: «Коси, коса, пока роса…», «Раззудись плечо, размахнись рука…»
Рядовому же сегодняшнему «урбанизированному» селянину (да и горожанину — владельцу небольшого земельного участка рядом с дачей) порой не до возвышенного. Косить-стричь траву зачастую приходится в местах, где ни с ручной, ни с любой механической косой, как говорится, особо не разбежишься. Например, при обработке сада, засаженного деревьями и кустарниками, или цветочной клумбы.
Выручить могут самодельные конструкции, у которых рабочим органом служит вращающийся с большой скоростью в горизонтальной плоскости нож-секач. О некоторых из них журнал «Моделист-конструктор» уже рассказывал своим читателям и подписчикам (см., например, № 5’85, 6’85, 4’90). Оригинальность и надежность этих машин по достоинству оценены специалистами, а также теми любителями мастерить все своими руками, кто уже обзавелся роторными косами. Надеемся, что и к публикуемой разработке проявится не меньший интерес.

Предлагаемая самодельная электрокосилка предназначена для работы в местах с неудобным или тесным подходом. На небольших участках, располагающихся в радиусе 30—50 м от источника электропитания (сеть переменного тока с напряжением 220 В). А конструкция ее такова, что вполне доступна для самостоятельного изготовления даже новичкам. Ведь в ее основе — довольно широко распространенный 50-ваттный электродвигатель (от пылесоса «Ветерок-3»). Единственная токарная деталь — головка в узле привода. А все остальное можно приобрести в хозяйственных магазинах или позаимствовать у старых, отработавших свое бытовых предметов — от дюралюминиевых противней до тряпкодержателя «Лентяйка» и трансформатора от телевизора-ветерана КВН-49.
Компоновка «электрокосаря» простая: к основанию крепится электродвигатель, прочно зажатый между основной и съемной стенками кожуха, с режущим рабочим органом (ножом) на конце вала. Требуемая высота стерни, предотвращение касания земли или кочек и сравнительно легкое перемещение обеспечиваются регулировкой по высоте центрального и двух боковых полозьев. Направление движения задает оператор — через шарнирно соединенную с основанием рукоятку.
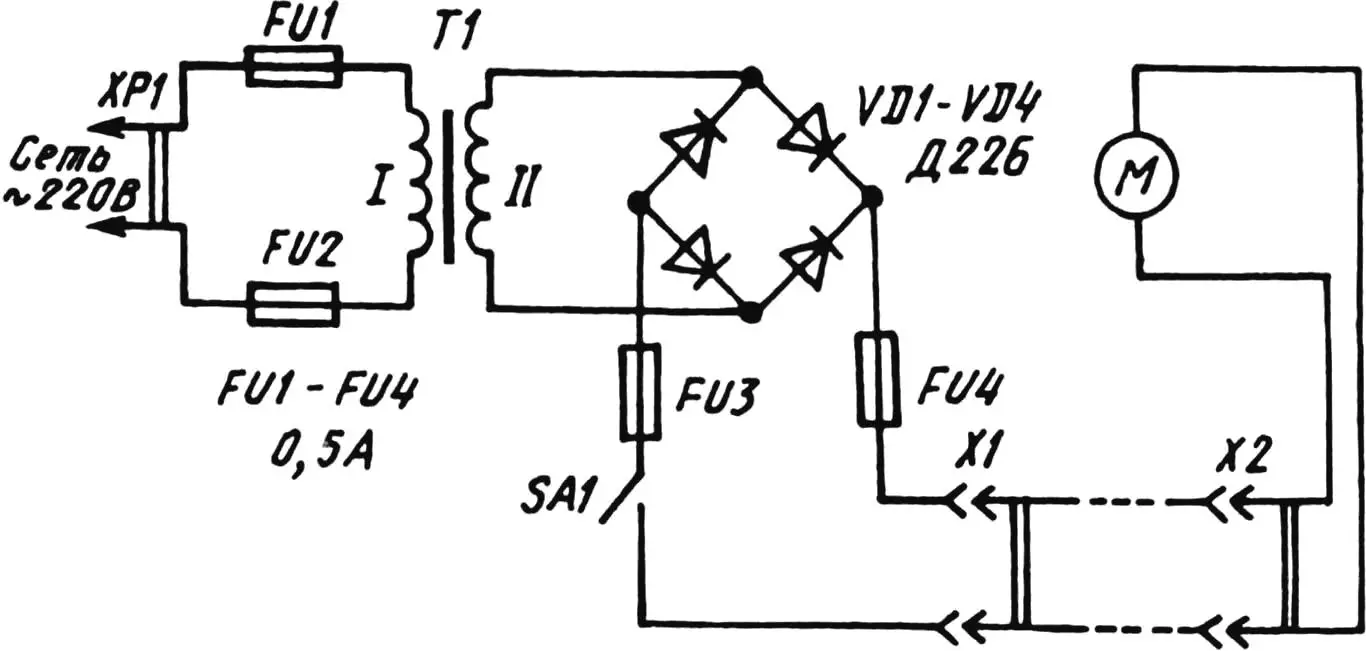
В целях большей безопасности, а также для создания оптимального режима работы электродвигателя косилка питается через разделительный трансформатор с полупроводниковым двухполупериодным выпрямителем (мостом) во вторичной обмотке. Причем выполнен этот узел в виде отдельного блока, легко стыкуемого со всеми остальными частями конструкции.
А теперь о других особенностях самодельной электрокосилки. И прежде всего об основании. Вырезанное из 3-мм листа алюминиевого сплава АК4-1, оно не только несет на себе привод с ножом, но в то же время является частью режущего аппарата. Благодаря «уголковым» направляющим и своей лучевой конфигурации, основание обеспечивает формирование снопиков из травы, подачу их под нож с последующим перемещением скошенной массы в сторону.
В отличие от промышленных газонокосилок в предлагаемой конструкции скашиваемая масса не режется многократно, увеличивая нагрузку на нож и электромотор, а движется направленным потоком.
Трава срезатся у самой земли. Но при желании косить можно и с вершков, постепенно опуская к корешкам основание. Так поступают, когда траву хотят как следует измельчить (например, при декоративной стрижке газонов).

1 — боковой полоз (Ст3, пруток с резьбой М5 и гайками на концах, 2 шт.); 2 — нож (сталь У7А, закалка до HRC 50…55, воронение); 3 — короткая направляющая (алюминиевый уголок 15×15, 9 шт.); 4 — основание (АК4-1, лист s3); 5 — центральный полоз (Ст3, пруток с резьбой М5 и гайками на концах); 6 — узел электропривода в сборе; 7,15 — электророзетки; 8 — хомут (АМц, лист s2); 9,14 — двужильные провода в полихлорвиниловой изоляции; 10 — распорка (алюминиевый уголок 15×15); 11 — электровыключатель; 12 — нитяной бандаж; 13 — колодка предохранителей; 16 — корпус блока электропитания; 17 — деревянная ручка (крепление — стальной шпилькой М5); 18 — электрошнур со штепсельной вилкой; 19 — рукоятка (от тряпкозажима «Лентяйка»); 20 — кронштейн (Ст3, 2 шт.); 21 —шпилька М4х170; 22 — гайка М4 (4 шт.); 23 — длинная направляющая (алюминиевый уголок 15×15); 24 — текстолитовая монтажная плата (с диодами Д226Д и предохранителями на 0,5 А); 25 — трансформатор; 26 — скоба-стяжка (АМц, 2 шт.)
Узел электропривода состоит, как это уже подчеркивалось, из электродвигателя, зажатого между фигурными стенками кожуха, которые вместе с кронштейнами из алюминиевого сплава создают надежное крепление, требуемую жесткость и хорошо отводят тепло от нагревающегося при работе статора. Электродвигатель прочно фиксируется в нужном положении с помощью выступов на статоре (по 2 мм с каждой стороны), которые входят в конструкционные окна, имеющиеся в стенках кожуха и заклеенные изнутри (для защиты от соприкосновения щеточных узлов с металлом кожуха) кусочками лакоткани.
На нижний конец вала электродвигателя надета головка (единственная токарная деталь), на которой сверху крепится крыльчатка-вентилятор, а снизу — нож косилки. Воздух для дополнительного охлаждения подсасывается через зазор между крышкой и стенками. Воздушный поток идет сверху вниз, препятствуя к тому же попаданию на ответственные детали косилки пыли с почвы.
Жесткость фиксации ножа на головке достигается при помощи прижимного диска и двух винтов с разрезными шайбами, а также благодаря тщательной балансировке, для выполнения которой предусмотрено специальное отверстие диаметром 4 мм. Вставив туда штифт, можно проверить равновесие плеч. Дисбаланс устраняется снятием излишка массы ножа на наждачном круге.
Питание к электродвигателю подводится через демпфер-изолятор из отрезка трубки ПХВ, предохраняющей электрошнур от перетирания в месте прохода через стенку кожуха, и двух нитяных бандажей. Аналогичные бандажи, кстати, имеются и на рукоятке косилки. Намотка их выполняется в два слоя с последующей проклейкой БФ-6. В качестве рукоятки служит слегка измененный тряпкозажим «Лентяйки».
Блок электропитания сделан в виде отдельного компактного устройства. Во вторичной обмотке разделительного трансформатора — выпрямитель на диодах типа Д226Д. Включенный в однофазную сеть с напряжением 220 В, блок выдает на электродвигатель косилки постоянный (точнее — пульсирующий) ток, обеспечивая оптимальный режим работы привода, при котором уменьшается искрение в цепи коллектора, снижается вероятность перегрева этого узла, а значит, растет эксплуатационная надежность косилки.

1 — нож; 2 — головка (сталь 45); 3 — крыльчатка-вентилятор (Ст3, лист s0,3); 4 — длинная направляющая; 5 — болт М4 (8 шт.); 6 — гайка М4 (16 шт.); 7 — основание; 8 — основной кронштейн (АМц, лист s1,5); 9 — электрошнур; 10 — демпфер-изолятор (трубка ПХВ, L50); 11 — крышка (консервная банка); 12 — нитяной бандаж (2 шт.); 13 — основная стенка кожуха (АМц, лист s1,5); 14 — винт М4 (2 шт.); 15 — прокладка (АМц, склепка из полос s1,5, 2 шт.); 16 — съемная стенка кожуха (АМц, лист s1,5); 17 — коллекторный сериесный электродвигатель (от пылесоса «Ветерок-3»); 18 — дополнительный кронштейн («зеркально» выполненная дет. 8); 19 — короткая направляющая (9 шт.); 20 — винт М3 (2 шт.); 21 — прижимной диск (Ст3, лист s3); 22 — винт М4 с разрезной шайбой (2 компл.); 23 — самоконтрящаяся гайка М4; 24 — винт М2,5 (2 шт); 25 — пылезащита (лакоткань, 2 шт.)
Трансформатор взят от бытовой радиоаппаратуры с потребляемой мощностью 90 В А, правда, с небольшой доработкой. Пакет железа (Ш40х70 мм) и первичная обмотка из трех секций (155 + 28 + 155 = 338 витков провода ПЭЛ-0,47) оставлены прежними, как и каркас, остальное удалено. Намотана новая вторичная обмотка — 340 витков того же ПЭЛ-0,47.
Установлен доработанный трансформатор на дне коробчатого корпуса из листового текстолита с ребрами из алюминиевого уголка 15×15 мм.
Над трансформатором на специальных стоечках прикреплена монтажная плата с выпрямителем и плавкими предохранителями, рассчитанными на ток 0,5 А. Такие же предохранители предусмотрены и в первичной (сетевой) обмотке, но располагаются они уже в специальной колодке (от бытовой радиоаппаратуры) на одной из боковых стенок корпуса блока электропитания. А рядом на другой — электророзетка для подключения электродвигателя косилки.
Соединительные провода на монтажной плате — медные гибкие, с токонесущей жилой сечением не менее 0,5 мм2 в мягкой изоляции. Пайка выполнена припоем ПОС-40.
Съемная крышка корпуса блока крепится винтами М3. В боковых стенках предусмотрены вентиляционные отверстия диаметром 10 мм. Ну а для переноски служит удобная ручка.
Электрокосилка надежна и комфортна при ее обслуживании. «Капризов», а тем более неполадок в работе конструкции пока не наблюдалось. А случись они — «электрокосаря» довольно быстро можно разобрать и получить доступ практически к любому его узлу.
Вот, например, алгоритм действий при замене электродвигателя в приводе косилки. Отвернув два крепежных винта М4, снимают крышку. Высвобождают съемную стенку кожуха. Для этого откручивают винты, соединяющие ее с основанием, а также с основной стенкой. Из гнезда-прорези в последней вынимают демпфер-изолятор с электрошнуром. И наконец, сняв с головки нож, извлекают электродвигатель.
Основные характеристики электрокосилки:
Габариты (без учета рукоятки и блока электропитания), мм … 295x275x165
Частота вращения рабочего органа (ножа), об/мин … 13 000
Размах ножа, мм … 240
Мощность электродвигателя (от пылесоса «Ветерок-3»), Вт … 50
Масса косилки с блоком электропитания, кг … 5
Электропитание через трансформатор (220/220 В, 90 Вт) и выпрямитель на диодах (ток до 0,7А)
«Моделист-конструктор» № 2’2002, И. БУЯНОВ


