Коли освітлювальні прилади та електроенергія коштували дешево, питання про ощадливий підхід при виборі освітлення сходових майданчиків серйозно ні перед ким не поставало.
Але життя навчило всіх рахувати кожну копійку, тому переконувати в доцільності використання автомата вмикання сходового та коридорного освітлення (АВСКО) вже нікого не потрібно. Питання в іншому: на якій з множини існуючих розробок зупинити свій вибір?
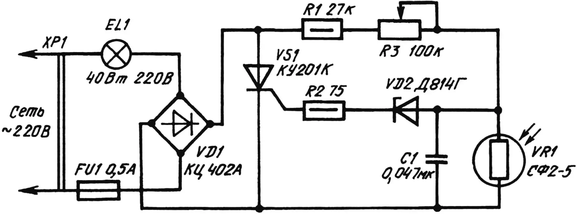
Найбільш перспективні, на мою думку, прості (а не «набиті» транзисторами, оптронами та мікросхемами) АВСКО, розраховані на експлуатацію в умовах значних коливань температури та вологості. Запропонована принципова електрична схема такого автомата доступна навіть новачкові, оскільки містить невелику кількість радіодеталей і не потребує особливих навичок налагодження.
Чутливим елементом у цій схемі є не дефіцитний фоторезистор VR1 типу СФ2-5. Разом з резисторами R1 та R3 він створює дільник напруги, до якого через резистор R2 та стабілітрон VD2 підключений керуючий електрод тиристора VS1 типу КУ201К.
Поки фоторезистор освітлений, його опір набагато менший за сумарний опір резисторів R1 та R3. Отже, і напруга на конденсаторі С1 недостатня для пробою стабілітрона VD2. При цьому тиристор VS1 запертий, а керована автоматом лампа EL1 погашена.

Коли ж освітленість фоторезистора зменшиться, його опір різко зросте і стане порівнянним з опором резисторів R1 та R3. Потенціал на верхній (за схемою) обкладці конденсатора С1 на початку кожного напівперіоду Uмережі, прикладеного до випрямного моста, почне зростати до пробою VD2. Стабілітрон відкриється, по ланцюгу керуючого електрода потече струм розряду конденсатора С1, відкривши тиристор VS1. Автомат перейде у ввімкнений стан, в якому буде перебувати до тих пір, поки затемнений фоторезистор VR1.
Змінний резистор R3 регулює поріг спрацювання автомата залежно від освітленості.
Практично всі деталі саморобного АВСКО поміщаються на друкованій платі з фольгованого текстоліту або гетинаксу розмірами 75x45x1,5 мм. Після збирання та паяння автомата плата покривається захисним цапонлаком. Корпусом же слугує відповідна за розмірами пластмасова мильниця.
Замість СФ2-5 в автоматі можна застосувати ФСД-Г1, ФСК-1 або ФСК-6. Причому останні бажано помістити ще в герметичний прозорий корпус.
Як діодний міст підійде КЦ402 з будь-яким індексом в найменуванні або аналогічні напівпровідникові прилади зі зворотною напругою не менше 300 В. Вибір стабілітрона теж некритичний: лише б такий параметр як ΔUст становив 10—15 В. Тиристор КУ201К цілком замінний на КУ201Л або на КУ202 з буквеним індексом від К до Н.
Постійні резистори R1 та R2 можна вибирати з серії МЛТ-0,5, а змінний R3 — з числа металоокисних СП2-3. Конденсатор — МБМ з номінальною напругою 400 В.
Налагодження правильно зібраного автомата зводиться до встановлення чутливості змінним резистором R3. Причому фоторезистор VR1 слід розміщувати так, щоб на нього не падав світло від лампи EL1 або від вуличних ліхтарів. Це виключає хибні спрацювання АВСКО.
А. УВАРОВ
