Деревообрабатывающий станок в личном хозяйстве никогда не помешает, а при строительстве или обустройстве дома или дачи он просто необходим. Однако возможность приобрести его имеет далеко не каждый. К тому же имеющиеся в продаже станки тоже не всех во всем устраивают: то габариты велики, то возможности маловаты, то опять же — цена высока.
С подобной проблемой выбора пришлось столкнуться и мне. Вышел же из положения довольно просто — прикинул свои возможности и решил сделать станок сам: такой, какой мне был нужен, тем более, что электродвигатель и сортаментный металл у меня уже имелись.
Чтобы не изобретать велосипед, проштудировал соответствующую литературу, ознакомился с несколькими вариантами разработок станков, но такого, который можно было бы взять за образец, не встретил. Тогда, выбрав из собранной информации то, что мне могло пригодиться, приступил к проектированию своей конструкции. Сделав необходимые проработки на бумаге и выполнив эскизы некоторых деталей и узлов, приступил к изготовлению станка.

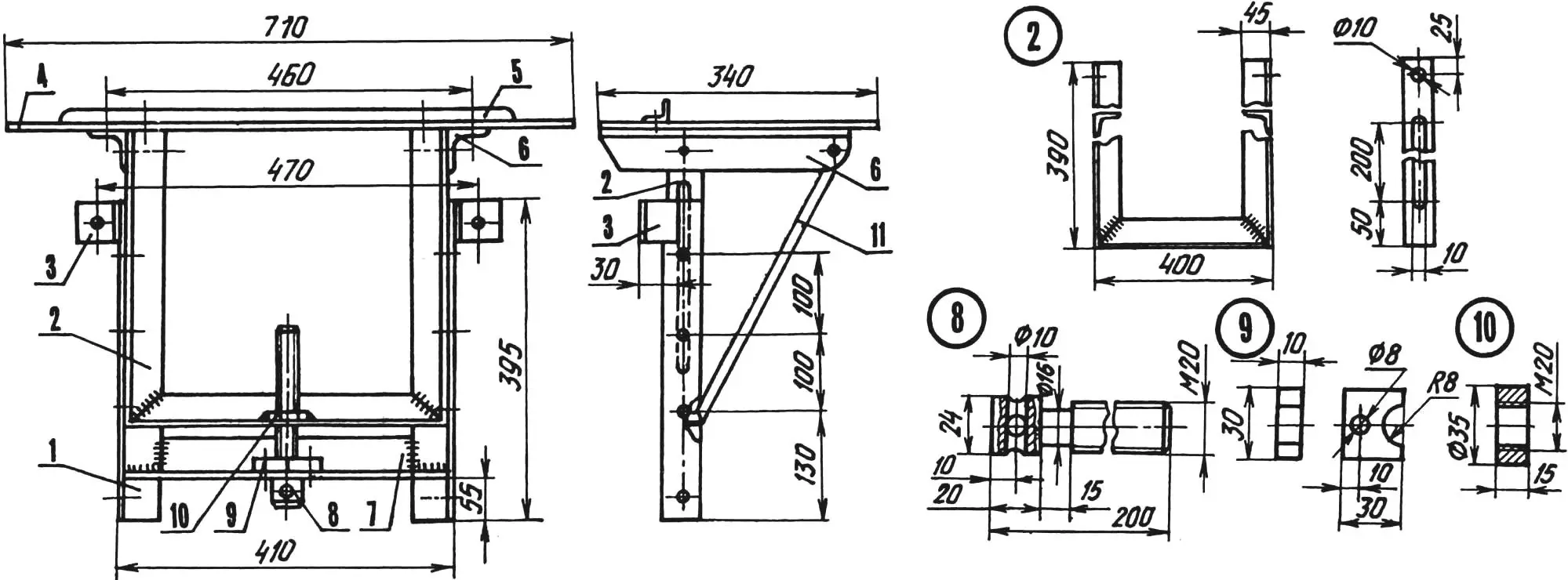
1 — нижний лонжерон (2 шт.); 2— поперечина; 3 — опорная стойка (стальной пруток Ø18, 8 шт.); 4 — направляющая стойка (L395, 2 шт.); 5 — подъемное устройство стола пилы; 6 — верхний лонжерон (L800, 2 шт); 7 — траверса (L320, 4 шт); 8 — стойка стола рубанка (стальной пруток Ø18, 8 шт); 9 — стол рубанка (стальной лист s9, 2 шт); 10 — ограничительная планка (стальной уголок 25×25, L350, 2 шт); 11 — стол пилы; 12 — ограничительная линейка; 13 — узел ведомого вала; 14 — диск пилы; 15 — опорная гайка (8 шт); 16 — приводной клиновой ремень (L1120, 2 шт); 17 — кожух (стальной лист s1); 18 — электродвигатель (3-фазный, мощностью 2,2 кВт, 1420 об/мин); 19 — подмоторная плита (стальной лист s6); 20 — нижний кронштейн (2 шт); 21 — ведущий шкив (Ø156); 22 — фиксирующий болт М10 подъемного устройства; 23 — регулировочная и крепежная гайки М16 с пружинными шайбами (по 16 шт).
Детали 10 и 14 на главном виде, 2 и 17 — на виде слева и 17 — на виде сверху показаны штрих-пунктирными линиями. Позиция 11 на главном виде условно не показана
Прежде чем начать описывать конструкцию, забегая вперед, скажу, что станок получился сравнительно небольшим по габаритам и простым по устройству, а также надежным и производительным в эксплуатации. Он совмещает в себе целый ряд достоинств фирменных станков:
- — раздельные столы для пиления и строгания обеспечивают выполнение этих работ без переналадки станка;
- — возможность установки пильного диска диаметром до 350 мм и регулировки глубины пропила без дополнительных приспособлений;
- — изменение толщины снятия стружки и обеспечение высокой чистоты обработки;
- — разборность конструкции для транспортировки или хранения.
Станина станка — пространственнорамной (каркасной) конструкции. Несущие стойки (их восемь штук) выполнены из стального прутка диаметром 18 мм, длиной 395 мм с резьбой М12 на концах, а продольные балки (лонжероны) и поперечины (траверсы) — из стального уголка 50×50 мм. Соединения деталей каркаса, да и других узлов в основном резьбовые, с пружинными шайбами Гровера. При таких соединениях станок можно легко разобрать для транспортировки или хранения. К тому же сварка зачастую влечет коробление конструкции, поэтому ее применял только в случае крайней необходимости.
Стол для циркулярной пилы — цельная стальная плита толщиной 9 мм размерами 710×350 мм с прорезью для пильного диска шириной 10 мм. Длина прорези около 350 мм — по максимальному диаметру диска, какой можно установить в станок.
Снизу к плите на расстоянии 205 мм от ее середины привернуты болтами с потайной головкой два отрезка уголка 50×50 мм длиной чуть меньше ширины стола. С их помощью стол монтируется консольно на прямоугольной раме из стального уголка 45×45 мм, которую можно перемещать вверх-вниз вдоль двух дополнительных направляющих стоек каркаса из уголка 50×50 мм. Для этого в боковых полках вертикальных уголков рамы сделаны продольные прорези размерами 200×10 мм, а внешние ребра этих уголков в целях плотного прилегания к направляющим скруглены по внутреннему радиусу стоек (R = 5,5 мм).

1 — направляющая стойка (2 шт.); 2 — подвижная рамка (стальной уголок 45×45); 3 — верхний кронштейн (2 шт.); 4 — стол пилы (стальной лист s9); 5 — ограничительная линейка (стальной уголок 25×25); 6 — консоль; 7 — поперечина; 8 — винт М20 (стальной пруток Ø20); 9 — сборная шайба (стальная пластина s10, 2 шт.); 10 — гайка винта подъемника М20 (стальная пластина s15); 11 — подкос (стальной уголок 25×25, 2 шт.)
Для механизации подъема-опускания стола и более точной установки глубины пропила снизу под рамой смонтирован винтовой подъемник, закрепленный с помощью закладной шайбы на ригеле из уголка 50×50 мм. Винт длиной 200 мм — из стального прутка диаметром 20 мм, на нем нарезана резьба М20 до самой проточки около головки винта. Гайка винта приварена к горизонтальной полке нижнего уголка рамки. Наружные концы консолей дополнительно укреплены выполненными из уголка 25×25 мм подкосами. Сверху на столе, сбоку от прорези для пильного диска, сделаны несколько парных резьбовых отверстий М8 для перестановки и крепления ограничительной линейки, выполненной из уголка 25×25 мм.
Стол рубанка состоит из двух симметричных (относительно оси ротора рубанка) половинок, изготовленных из стального листа толщиной 9 мм. Монтируются они на верхних поперечинах (траверсах) станины по разные стороны от рубанка, каждая на четырех регулируемых вертикальных опорах, для которых в теле стола выполнены соответствующие резьбовые отверстия М12. Опоры, как и несущие стойки,— из стального прутка диаметром 18 мм. Верхний конец каждой опоры сделан ступенчатым. На крайней ступени нарезана резьба М12, на следующей — М16, и на нее предварительно накручивается круглая опорная гайка. После этого конец опоры вворачивается в отверстие стола, а гайка фиксируется винтом М4. Резьбовое отверстие под винт делается по месту после сборки, причем сначала в гайке и плите стола сверлится отверстие диаметром 3,3 мм, затем отверстие в гайке рассверливается до диаметра 4,2 мм, а в плите нарезается резьба М4. На нижних концах опор нарезается резьба М16, на которую перед монтажом стола на станине наворачивается ограничительная гайка — с ее помощью осуществляется регулировка высоты и горизонтального положения стола, а следовательно — и глубины строгания. Другая гайка — крепежная, она закручивается после регулировочных операций. С правой стороны (по ходу движения заготовок) на каждой части стола установлены и закреплены снизу винтами М4 ограничители из стального уголка 25×25 мм. Отверстия под винты делаются по вышеописанной технологии фиксации опорной гайки.

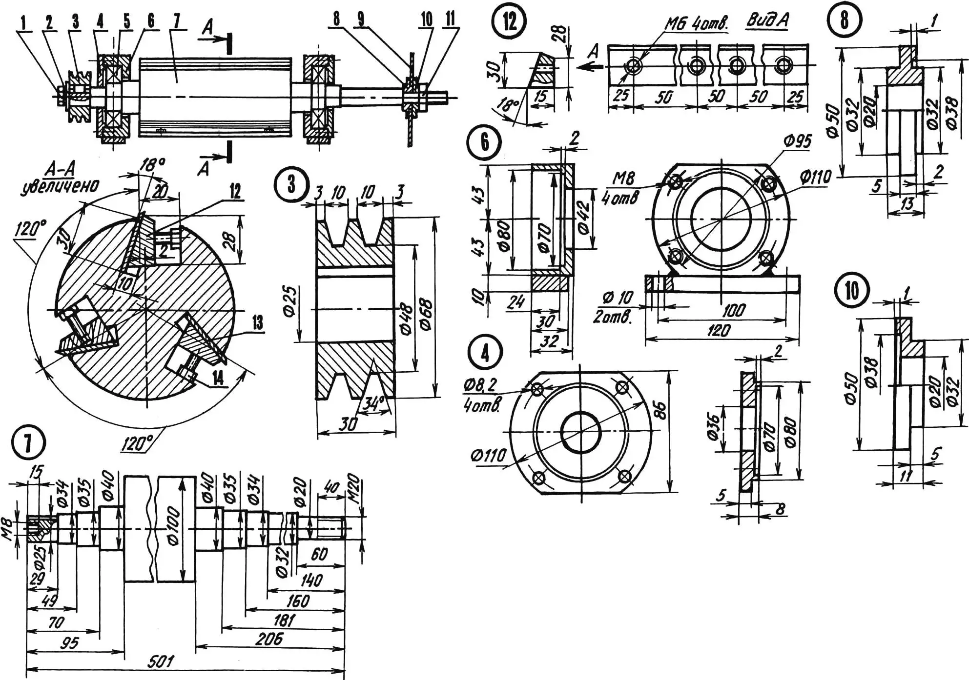
1 — гайка М8 с пружинной шайбой; 2 — прижимная стальная шайба 25x35x4; 3 — ведомый двухручьевой шкив; 4 — крышка корпуса подшипника (2 шт.); 5 — подшипник 180307 (2 шт.); 6 — корпус подшипника (2 шт.); 7 — ведомый вал (сталь 45); 8 — упорная профильная шайба; 9 — диск пилы; 10 — прижимная профильная шайба; 11 — гайка М20; 12 — прижимная планка; 13 — нож рубанка (3 шт.); 14 — распорный винт М6 (6 шт.)
Наиболее важный узел станка — ведомый вал. Он вращается в двух шариковых подшипниках 180307 с противопыльными уплотнениями, установленных в разборных корпусах. Узел смонтирован на верхних лонжеронах станины в срединной ее части.
Вал выполнен как одно целое с ротором рубанка (наибольший его диаметр). В роторе сделаны три продольных профильных паза, в каждом из которых с помощью прижимных планок и распорных винтов М6 закрепляются ножи рубанка. Три ножа (обычно устанавливают два) увеличивают производительность и чистоту обрабатываемой поверхности.
Вал изготовлен из стали 45. На одном его конце нарезана резьба М20. Здесь гайкой М20 между упорной и прижимной профильной шайбами закреплен диск пилы. На другом конце вала сделан продольный шпоночный паз, а в торце — осевое резьбовое отверстие М8. С этой стороны вала на шпонке посажен ведомый двухручьевой шкив и зафиксирован винтом М8 с прижимной плоской и пружинной шайбами. Вращение на него передается с помощью двух клиновых ремней длиной 1120 мм от ведущего шкива привода.

В качестве привода использован трехфазный электродвигатель мощностью 2,2 кВт с частотой вращения 1420 оборотов в минуту. Он смонтирован на металлической пластине толщиной 6 мм, в которой сделаны продольные прорези под болты М8 для регулировки натяжения приводных ремней перемещением двигателя. Пластина, в свою очередь, крепится к нижним лонжеронам станины станка такими же болтами М8.
Для того чтобы обеспечить валу, а значит, рубанку и пиле необходимые обороты, диаметр ведущего шкива взят примерно вдвое большим, чем у ведомого. Привод станка огорожен защитным металлическим кожухом.
В. АВТУХ, г. Гродно, Беларусь


