Я являюсь давним читателем и постоянным подписчиком журнала «Моделист-конструктор». На протяжении почти сорока лет не только знакомился с машинами и механизмами конструкторов-любителей, но и создавал свои. Поэтому могу и себя причислить к когорте «Самоделкиных» со стажем. Строил же в основном землеобрабатывающую и транспортную технику (от мотоблоков до джипов). Что-то из созданного ранее разобрал или переделал, какие-то продал, а отдельные эксплуатирую до сих пор, например, мини-трактор (а точнее — самоходное шасси), конструкцию которого и представляю на суд читателей.
Шасси предназначено для перевозки различных грузов для приусадебного хозяйства (как в собственном кузове, так и в буксируемом прицепе), а зимой — еще и для уборки снега с помощью навешиваемого спереди бульдозерного отвала.
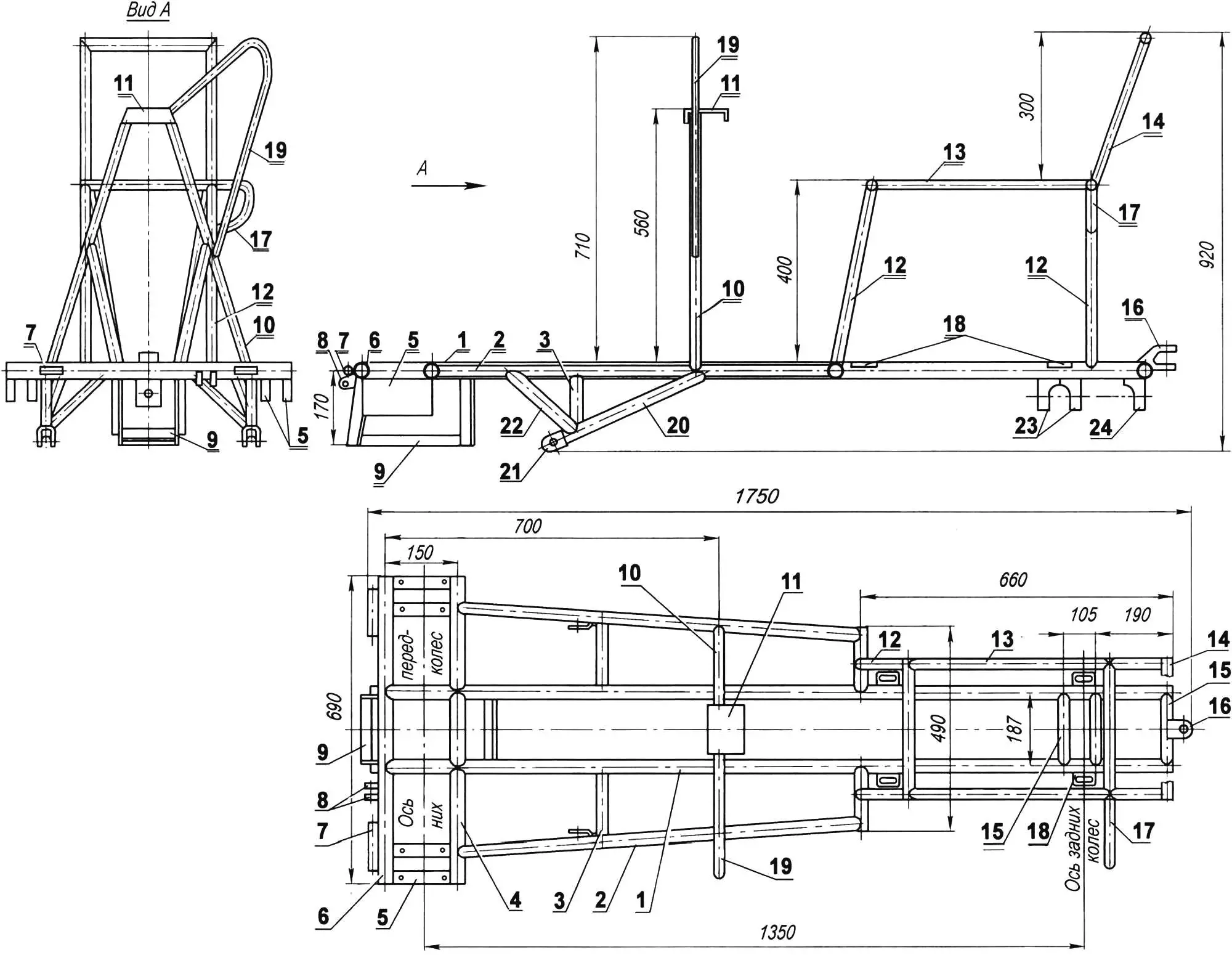
Описание конструкции начну с рамы. Она сварена в основном из стальных водопроводных труб круглого сечения. В плане (вид сверху) рама имеет форму вытянутой трапеции с большим основанием впереди.

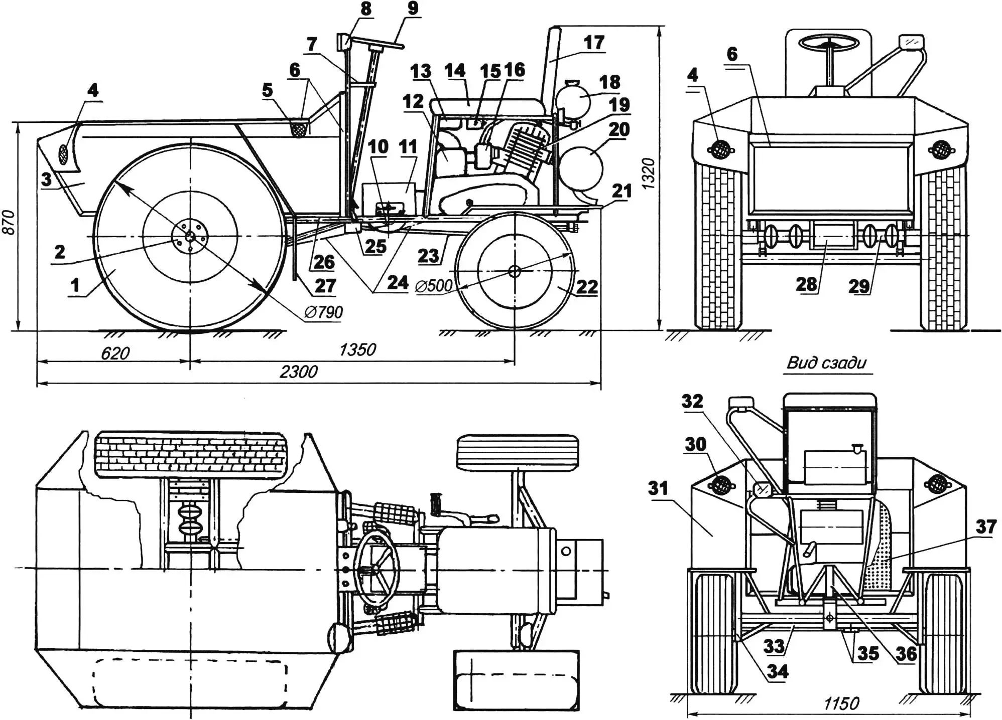
1 — переднее ведущее колесо (от автомобиля УАЗ с доработанными под «шашечку» шинами, 2 шт.); 2 — ступица колеса (от автомобиля УАЗ); 3 — обшивка кузова (стальной лист 1 мм); 4 — белый световозвращатель (2 шт.); 5 — жёлтый световозвращатель (2 шт.); 6 — каркас кузова (уголок № 2,5 и № 3); 7 — приборная панель; 8 — фара (от трактора); 9 — руль; 10 — промежуточный цепной редуктор; 11 — кожух промежуточного вала цепной передачи (стальной лист 1 мм); 12 — воздушный фильтр; 13 — инструментальный ящик; 14 — сиденье; 15 — катушка зажигания; 16 — карбюратор; 17 — спинка сиденья; 18 — бензобак; 19 — двигатель (от мотоцикла «Иж-Планета-3»); 20 — глушитель (от снегохода «Буран»); 21 — крыло заднего колеса (стальной лист 1 мм, 2 шт.); 22 — заднее управляемое колесо (от мотоколяски СЗД, 2 шт.); 23 — продольная рулевая тяга; 24 — цепи; 25 — рулевой механизм (от мотоколяски СЗД); 26 — рама; 27 — брызговик переднего колеса (резина 5 мм, 2 шт.); 28 — главная передача — реверс-редуктор (от грузового мотороллера «Муравей»); 29 — полуось (карданные шарниры от мотоколяски, 2 шт.); 30 — красный световозвращатель (2 шт.); 31 — передний подкрылок (стальной лист 1 мм, 2 шт.); 32 — задний фонарь (покупное изделие); 33 — задний мост; 34 — стойки поворотных кулаков (швеллер № 5, 2 шт.); 35 — поперечные рулевые тяги; 36 — кронштейн крепления двигателя — моторама (2 шт.); 37 — система принудительного воздушного охлаждения двигателя.
Основу рамы составляют два прямых параллельных лонжерона, выполненных из трубы наружным диаметром 42 мм и толщиной стенки 3 мм. Из такой же трубы изготовлена и пара передних поперечин: первая — сплошная, а вторая — из трех частей. Сзади лонжероны соединены тремя короткими поперечинами. Остальные детали рамы выполнены из более тонкой трубы — наружным диаметром 32 мм и толщиной стенки 2,5 мм. Вспомогательные же элементы (стойки, распорки, подкосы и прочее) — из круглых труб 22×2 мм. Различные кронштейны для монтажа агрегатов и узлов изготовлены из подходящего сортового проката.
В большинстве своем они приваривались к раме «по месту» во время компоновки агрегатов и механизмов конструкции, а потому на чертеже рамы не показаны.
Между передними поперечинами на концах приварено по два кронштейна, выполненных из П-образного профиля 50x25x50 мм. К ним крепятся болтами ступицы передних ведущих колес. К лонжеронам приварены ребра (из уголка 25×25) ящика-каркаса для установки редуктора главной передачи.

1 — лонжерон (труба 42×3, 2шт.); 2 — продольная балка (труба 32×2,5, 2 шт.); 3 — поперечный подкос стойки крепления отвала (труба 32×2,5, 2 шт.); 4 — вторая передняя поперечина (труба 42×3); 5 — кронштейн крепления ступицы (П-образный профиль 50x25x50, 2 пары); 6 — первая передняя поперечина (труба 42×3); 7 — втулка подвески кузова (труба 22×2, 2 шт.); 8 — ушки установки ролика троса подъема кузова (лист s5); 9 — ящик-каркас реверс-редуктора (уголок 25×25, 2 шт.); 10 — рулевая стойка (труба 32×2,5); 11 — перемычка стойки — приборная панель (гнутый швеллер № 10); 12 — ножки сиденья (труба 32×2,5, 4 шт.); 13 — рамка сиденья (труба 22×2, 2 шт.); 14 — рамка спинки сиденья (труба 22×2, 2 шт.); 15 — задняя поперечина (труба 42×3, 3 шт.); 16 — прицепное устройство—форкоп; 17 — консоль установки заднего фонаря; 18 — ушко крепления подмоторной рамы (лист s5, 4 шт.); 19 — консоль-петля для установки фары; 20 — висячая отвальная стойка (труба 42×3); 21 — проушина подвески отвала (П-образный профиль 40x50x40, 2 шт.); 22 — продольный подкос висячей отвальной стойки (труба 32×2,5, 2 шт.); 23 — кронштейны подвески балки заднего моста (П-образный профиль 40x50x40, 2 шт.); 24 — кронштейн подвески укосин заднего моста (П-образный профиль 40x50x40)
К задним поперечинам приварены кронштейны П-образного профиля для подвески заднего моста, а к замыкающей поперечине сзади — еще два ушка, образующих форкоп.
Сверху на раме (примерно в середине ее длины) закреплена сваркой рулевая стойка с кронштейном для фары, а в задней части — ножки и рамки сиденья и его спинки. Верхняя (горизонтальная) часть рулевой стойки — перемычка выполнена из широкого швеллера — она служит приборной панелью. Еще снизу в передней части приварены висячие отвальные стойки с проушинами (подкрепленные подкосами), к которым подвешивается бульдозерный отвал.
Позднее к рулевой стойке приварены по «месту» кронштейны рукоятки тросовой лебедки подъема (опускания) отвала, рычагов переключения реверса и механизма исключения опрокидывания (стопорения) кузова. Сам механизм представляет собой рычаг с пазом, заходящим за выступающую полку уголка каркаса кузова, и фиксирующей кнопкой. Обращаю особое внимание на необходимую надежность всего узла — самопроизвольное опрокидывание кузова на ходу грозит большими неприятностями, особенно при движении под уклон. Под стойкой между лонжеронами на двух кронштейнах закрепляется рулевой механизм от мотоколяски СЗД.

В качестве силового агрегата шасси использован двигатель от мотоцикла «Иж-Планета-3» мощностью 18 л.с. Его цилиндр оборудовал самодельным устройством принудительного воздушного охлаждения с 8-лопастным вентилятором в кожухе. Во вращение вентилятор приводится от удлиненного коленвала двигателя через клиноременную передачу (от стиральной машины). Размещен двигатель под сиденьем, а к раме крепится через специальные сварные кронштейны, позволяющие с помощью винта перемещать его для натяжения цепей трансмиссии.
У двигателя изменена штатная система зажигания. Вместо «одноискровой» катушки поставлены «двухискровая» от мотоцикла К-750 и, соответственно, вторая свеча на головку цилиндра.

Эксплуатация показала, что декомпрессор теперь двигателю не нужен, достаточно следить за чистотой и исправностью топливной системы и карбюратора. Отказы двигателя из-за отсутствия искры в запальной свече практически исчезли, что раньше было обычным делом. Изменено также крепление платы прерывателя — теперь она посажена на вал генератора по скользящей посадке и может поворачиваться на некоторый угол, тем самым регулируя зажигание. Плата прерывателя крепится к статору генератора с помощью удлиненных винтов, которые после фиксируются с помощью припаянных к ним скобок из проволоки.
Владельцам одноцилиндровых «ижей» хорошо знакомы обратные удары рычага кикстартера, что иногда приводит к серьезной травме. Данная переделка полностью исключает это неприятное явление. Перед запуском двигателя плата с помощью рычажка, выведенного сквозь кожух генератора, переводится на «позднее» зажигание, а после прогрева двигателя возвращается на место. На рычажке, в месте выхода его из крышки генератора, имеется стопорный флажок, который своим выступом попадает в паз на крышке, тем самым обеспечивая устойчивое положение рычажка платы на нужном угле зажигания. Для точной настройки момента разрыва контактов прерывателя флажок сделан подвижным. По такому принципу переделаны все одноцилиндровые двигатели «ижей», мною применяемые.

Глушитель использован от снегохода «Буран», он компактен и достаточно эффективен. К штатным входным патрубкам глушителя приварены обрезки выхлопных труб с накидными гайками от «Иж-П3».
Поскольку двигатель расположен в задней части рамы шасси, а ведущие колеса — передние, то передачу вращающего момента от силового агрегата к главной передаче пришлось осуществить через двухступенчатую цепную передачу с промежуточным редуктором. Цепи уширенные, комбайновые. От комбайна и большая (Z = 53 зуба) звездочка на одном конце промежуточного вала. На другом конце вала установлена звездочка Z = 15 от заднего колеса мотоцикла «Иж». Кроме этого на промежуточном валу смонтирован тормозной барабан (приварен к мотоциклетной звездочке) от колеса мотороллера «Вятка».
Крышка тормоза самодельная, а колодки — штатные мотороллерные. Щит к раме крепится через два кронштейна в виде лап. При этом предусмотрена возможность ориентировки (небольшого перемещения и поворота) щита с колодками относительно барабана. Сам промежуточный редуктор тоже можно перемещать вдоль лонжеронов рамы для натяжения цепи, идущей к главной передаче.

1 — цепь первой ступени (t = 19,05); 2 — большая звездочка (Z = 53, от комбайна); 3 — тормозной барабан (от мотоколяски СЗД); 4 — тормозной щит с колодками; 5 — корпус подшипников (от комбайна); 6 — натяжное устройство; 7 — малая звездочка (Z = 15, от мотоцикла «Иж»); 8 — промежуточный вал; 9 — цепь второй ступени (t = 19,05); на этом фото хорошо видны рычаг стопорения кузова (поз. 10) и манетка «газа» (поз. 11)
Главная передача (или реверс-редуктор) использована от грузового мотороллера «Муравей». Она подвергнута модернизации: вместо штатных узких шестерен дифференциала и заднего хода установлены уширенные от инвалидной коляски СЗД. Конечно, если строго следить каждый раз за массой груза и не злоупотреблять тяговыми усилиями силового агрегата (а он, кстати, способен и на большие нагрузки), то этих переделок реверс-редуктора и не требуется. Приводная звездочка главной передачи (она же ведомая звездочка второй ступени цепной передачи) тоже взята от инвалидной коляски.
В принципе, реверс-редуктор можно использовать и от коляски СЗД. Однако у него паразитная шестерня заднего хода установлена на валу на подшипнике скольжения (бронзовой втулке). При интенсивном использовании заднего хода (что при приусадебной эксплуатации трактора не такая уж редкость) такой подшипник быстро выходит из строя, и лучше сразу произвести замену втулки на подшипник качения.

1 — отрезок шлицевой муфты (2 шт.); 2,4 — шарниры Гука (4 шт.); 3 — отрезок шлицевого вала (2 шт.); 5 — приводная звездочка главной передачи — ведомая звездочка второй ступени цепной передачи (Z = 21); 6 — цепь второй ступени цепной передачи (t = 19,05); 7 — главная передача—реверс-редуктор; 8 — ступица (от трактора ДТ-75, 2 шт.); 9 — ведущее колесо
Передача вращения от главной передачи на ведущие колеса осуществляется через пару довольно мудреных полуосей, состоящих каждая из двух штатных упругих карданных шарниров с коротким шлицевым валом между ними, с приваренным ко второму шарниру (ближнему к колесу) отрезком шлицевой муфты, соединяемой с валом ступицы. Последние детали (шлицевая муфта, вал и ступица) использованы от пускача трактора ДТ-75. К концу вала ступицы приварен фланец со шпильками для крепления ведущего колеса.
Конечно, полуось довольно сложна, и если, например, изготовить удлиненную ступицу, то второй шарнир и не потребуется. Но я исходил из того, что имелось в наличии.
Передние ведущие колеса использованы от автомобиля УАЗ. Но шины у них доработаны в глубокую «шашечку» для лучшего сцепления с грунтом на пашне, бездорожье и в распутицу. При этом шины стали еще и значительно легче. Считаю, что такие шины очень подходят для вездеходной техники. Технология их изготовления описана в № 9’2008 г. «Моделиста-конструктора».

1 — балка (труба 42×3); 2 — укосина (труба 32×2,5, 2 шт.); 3 — втулка подвески укосин (труба 22×2); 4 — втулка подвески балки (труба 22×2); 5 — корпус подшипников Г-образного рычага рулевых тяг (от комбайна); 6 — укосина стойки поворотного кулака (труба 20×20, 4 шт.); 7 — стойка поворотного кулака (швеллер № 6, 2 шт.); 8 — рамка заднего крыла-брызговика (труба 20×20, 2 шт.)
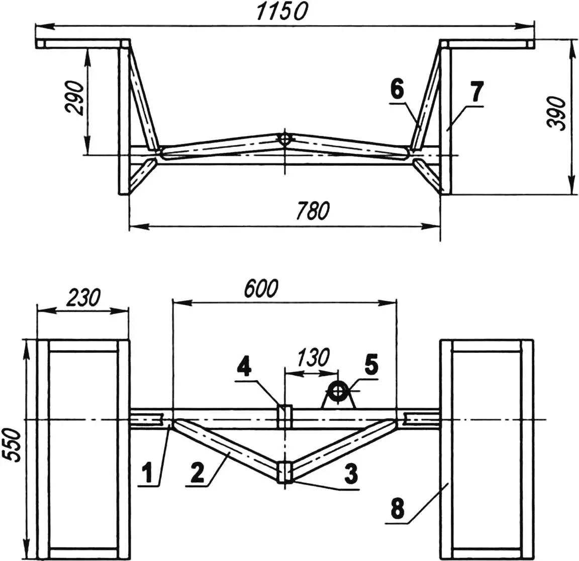
Задний мост шасси имеет форму равнобедренного треугольника, потому что к балке (труба 42×3 мм) приварены две одинаковые укосины из трубы 32×2,5 мм с втулкой в точке схода. Точно такая же втулка еще и на середине балки сверху. Посредством этих втулок задний мост подвешивается на кронштейнах рамы с помощью зашплинтованных шкворней. Такая подвеска позволяет задним (да и передним) колесам хорошо копировать профиль пути, не крутя раму, и не допускает зависания какого-то из них над углублениями.

На концах балки заднего моста смонтированы стойки из швеллера, к которым крепятся поворотные кулаки, а сверху к стойкам привариваются кронштейны из уголков для устройства здесь задних крыльев-брызговиков.
Задние управляемые колеса и поворотные кулаки (как, впрочем, и рулевой механизм и рулевые тяги) использованы от мотоколяски СЗД. Из этих узлов за ненадобностью демонтированы тормозные механизмы. Конечно, колеса от коляски гораздо меньше уазовских по диаметру, что снижает проходимость, но зато с ними выше маневренность, а это для приусадебной машины гораздо важнее.

К балке заднего моста, правее середины, приварен стакан, в котором на подшипниках смонтирован Г-образный рычаг, один конец которого приводится в действие продольной тягой от рейки рулевого механизма, а другой конец двигает две поперечные рулевые тяги соответствующих колес. Ввиду большого хода балки при движении трактора по сложным участкам пути, диаметр задних колес не может быть увеличен без увеличения ширины заднего моста из-за упора брызговиков в двигатель при крайних положениях.
Кузов трактора — сварной. Его каркас выполнен из различных уголков и обшит листовой сталью толщиной 1,5 мм. Все углы по верху кузова закруглены для исключения травмирования.
Примерно на 1/3 длины кузова от переднего борта снизу к поперечному уголку каркаса приварены две втулки, с помощью которых через шкворни он подвешивается к проушинам, приваренным к первой поперечине рамы трактора. Крылья передних ведущих колес приварены непосредственно к кузову, имеют несколько функций — расширяют погрузочную площадь, служат защитой от брызг и увеличивают жесткость самого кузова, так как на тракторе иногда приходится перевозить значительные по массе грузы.
Для транспортировки сыпучих материалов большую часть объема размещаю на передней части кузова, что позволяет его легко опрокидывать вперед почти вертикально без дополнительных устройств. Наклонный передний борт и установленные с наклоном вовнутрь крылья способствуют разгрузке материалов почти без остатка, особенно если дать трактору задний ход.
Электрооборудование штатное шестивольтовое. Штатные также и карбюратор, и воздухоочиститель. Тумблер включения зажигания одновременно подключает и аккумулятор. Здесь же на щитке расположен тумблер включения фары и заднего фонаря. На нем же установлены и контрольные лампы «нейтрали» и работы генератора. Также повышают безопасность и светоотражатели, установленные на кузове.

1 — педаль сцепления; 2 — тумблер включения зажигания; 3 — лебедка подъема-опускания кузова; 4 — рычаг управления реверсом; 5 — руль; 6 — тумблер включения фары и заднего фонаря; 7 — контрольная лампа работы генератора; 8 — контрольная лампа нейтрали; 9 — место расположения манетки воздушного корректора; 10 — рычаг стопорения кузова; 11 — педаль «газа»; 12 — педаль тормоза
Органы управления включают в себя педали: «газа», тормоза и сцепления. Следует отметить, что педаль «газа» дополнительно подпружинена: это необходимо для более точного управления оборотами двигателя в условиях загрязнения и при движении по бездорожью. На щитке перед рулевым колесом установлен рычаг управления реверсом. Через две жесткие тяги и промежуточный Г-образный рычаг, установленный над рулевым механизмом, производится переключение реверс-редуктора. Сам рычаг на реверсе подпружинен для лучшей фиксации его в крайних положениях в условиях тряски.
Ручная лебедка подъема и опускания отвала представляет собой валик с небольшим барабаном со щеками, препятствующими сходу троса. Валик вращается в стакане с подшипниками, стакан приварен к «фарному» кронштейну. Ручка управления лебедки прижимается пластинчатой пружиной к зубчатому колесу, приваренному к стакану-ступице валика, и служит для стопорения ручки с помощью зуба, входящего во впадины зубчатки (сама зубчатка — от детского велосипеда). Трос наматывается на барабан лебедки через ролик, установленный внизу у края кузова и далее через такой же ролик, находящийся на первой поперечине рамы трактора, тянет за поперечину рамы отвала. Отвал подвешивается к раме трактора в двух кронштейнах-ушках висячих стоек. Для этого на концах подвесных упоров отвала имеются втулки, которые вставляются в проушины кронштейнов и крепятся здесь шкворнями со шплинтовкой. Сам отвал прост, хочу только отметить, что увеличение его массы нежелательно — это приводит к увеличению усилий на ручке его подъема.

1 — скребок (полоса резины s10); 2 — щит (АМЦ s3,5); 3 — стойка (труба 25×25, 4 шт.); 4 — подкос стойки (труба 25×25, 2 шт.); 5 — дополнительная поперечина (труба 50x25x2, L= 1210); 6 — основная поперечина (уголок 45x45x3, L=1210); 7 — подвесной упор (труба 50x25x2, 2 шт.); 8 — втулка подвески отвала (труба 30×8, 2 шт.); 9 — подкос дополнительной поперечины (труба 25×1, 2 шт.); 10 — поперечина подвижных упоров (труба 30x25x1,5, 2 шт.); 11 — ушко крепления троса
По этой причине подвесные упоры с поперечинами, составляющие рамку отвала, выполнены из тонкостенных труб за исключением нижнего уголка основной поперечины, а щит изготовлен из дюралюминия. По низу отвала крепятся съемные резиновые полосы, они имеют выпуск снизу на 30 — 40 мм для смягчения ударов о кочки. В верхнем положении отвал прижимается к кузову и не раскачивается при движении трактора. Конечно, при установленном отвале кузов уже не может опрокидываться, но зимой перевозка сыпучих грузов крайне редка, а при нужде снять отвал можно за пять минут. Для лучшего сцепления колес при расчистке снега в кузов укладывают балласт (20 — 30 кирпичей). Можно также применить цепи противоскольжения.
Как упоминалось, сиденье водителя откидывается, открывая доступ к свечам зажигания, инструментальному ящику и бобине, а также облегчая подход к карбюратору. Там же, внутри рамы сиденья закреплены штатное реле-регулятор и клеммная колодка. За сиденьем на пластинчатом кронштейне, приваренном к раме сиденья, закреплен с помощью хомутов топливный бак на 6 литров. Подача топлива — самотеком, через стандартный краник.
Рычаг кикстартера от «Иж-Юпитер», он может складываться, не мешая водителю включать передачи удлиненным рычагом. Манетка топливного корректора крепится на вертикальной трубе рулевой стойки, привод от корректора к дроссельной заслонке карбюратора — боуденовскими тросами. Педаль сцепления связана тягой с Г-образным рычагом, рычаг другим своим концом тянет трос выжима сцепления. Тормоза приводятся в действие от педали через две тяги с промежуточной кулисой. Обе тяги имеют регулировку по длине. Для замены колодок крышка тормоза может перемещаться по трубе второй тяги.
В заключение — об особенностях управления шасси. Не следует резко тормозить, что ведет к пиковым нагрузкам в трансмиссии. «Шипастые» покрышки летом имеют высокое сцепление (особенно у груженого трактора), а тормозной барабан легко блокируется. Опасно маневрировать на заднем ходу с большой скоростью: при заднеуправляемых колесах исчезает «чувство руля». Следует учитывать, что задний ход заметно быстрее переднего, а следовательно, и меньше тяга. На сыпучих грунтах незагруженный трактор может зарываться на подъемах. В таких случаях следует двигаться задним ходом или положить в кузов балласт.
Габариты и маневренность трактора позволяет ему «втиснуться» буквально в любую «щель», а разгрузка вперед опрокидыванием кузова и дальнейший отход назад очень удобны на личном подворье, где, как обычно, вся площадь максимально используется. Небольшая высота кузова от уровня земли удобна при погрузке-разгрузке, а низкое расположение центра тяжести способствует устойчивости трактора на уклонах.

Мини-трактор способен буксировать еще и прицеп грузоподъемностью до 500 кг. Передний и задний борта прицепа откидные, поэтому его можно использовать и как роспуск для транспортировки длинномерных грузов.
Пробовал навешивать на шасси плуг и пахать. Получалось неплохо. Но у меня для этих целей есть еще и мотолебедка.
А. КОКШАРОВ, п. Лоухи, Карелия


