Обогревателем типа мини-электрокалорифер (МЭК) сейчас вряд ли кого удивишь. Приобрести эти малогабаритные и довольно удобные бытовые приборы можно на любой вкус.
Но ведь вовсе не обязательно тратиться на изделия промышленного, тем более импортного производства. У меня, например, давно уже служит самодельный и, по единодушному признанию домочадцев, весьма эстетичный МЭК. В основе его — нихромовая спираль от плитки, электрофонный моторчик (в дальнейшем именуемый «для солидности» электродвигателем) да жестяная банка из-под краски.
Как и в большинстве промышленных аналогов, поток воздуха в этом калорифере создает самодельный многолопастный пропеллер. Жестко зафиксированный на валу электродвигателя, он прогоняет воздух через раскаленную нихромовую спираль, закрепленную на распорках из жаропрочного электроизолирующего материала. Это в режиме обогрева помещения или просушивания одежды. При выключенном нагревателе самодельный МЭК работает как обычный вентилятор.
То есть бездействие такому электроприбору не грозит. В надежности его тоже сомневаться не приходится. Единственное, что требуется от пользователей, не забывать о правилах пожарной безопасности.

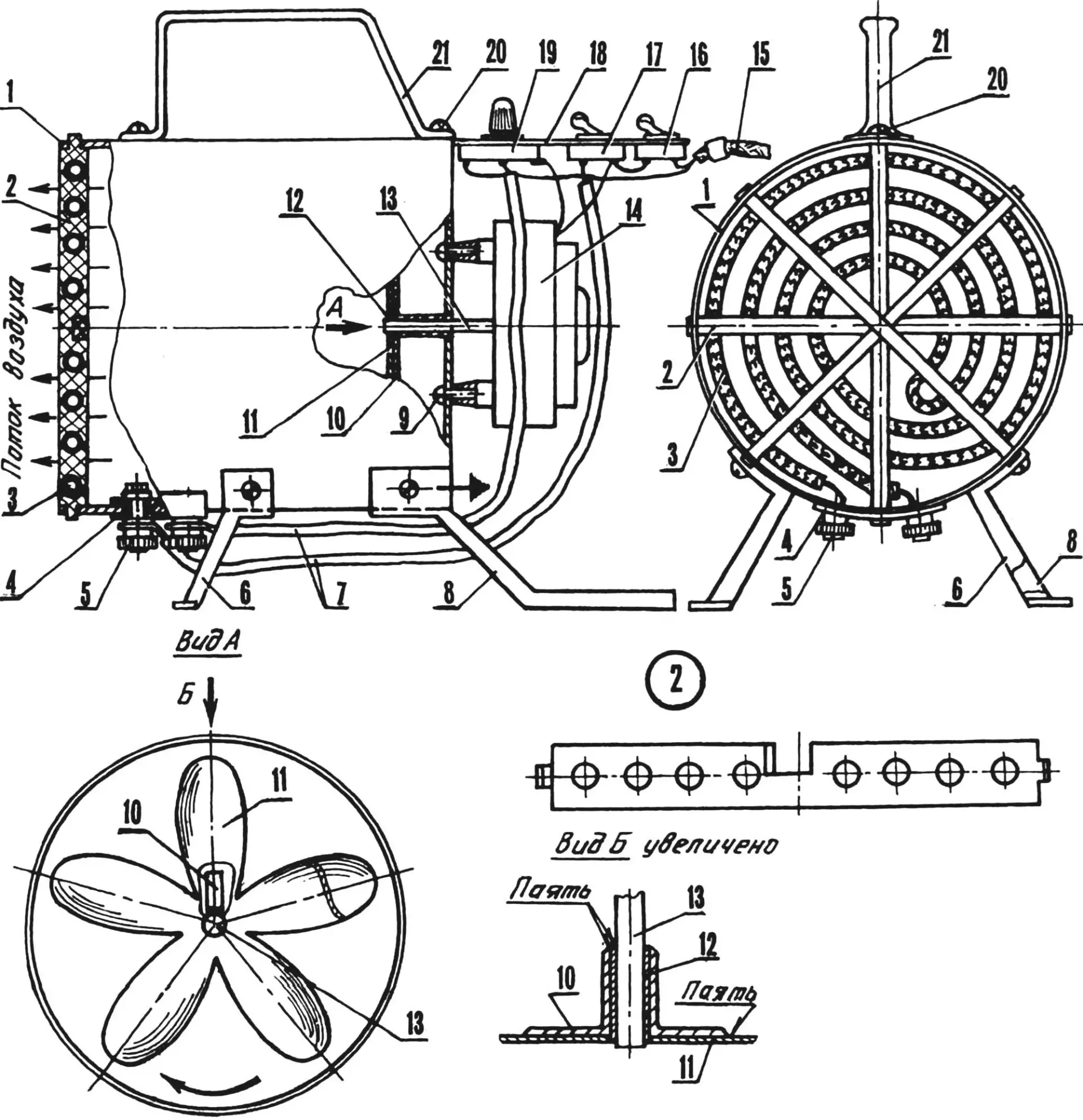
1 — корпус; 2 — термоизолятор (шифер, полоса L150, 4 шт.); 3 — электронагреватель; 4 — изоляционная вставка; 5 — клемма (2 шт.); 6,8 — ножки; 7 — монтажные провода в термостойкой изоляции; 9 — винт М4 (4 шт.); 10 — уголковый кронштейн (количество — по числу лопастей пропеллера); 11 — пропеллер; 12 — крепежная втулка; 13 — ротор электродвигателя; 14 — электродвигатель с конденсатором и резистором в цепи обмоток; 15 — электрический шнур; 16 — общий выключатель; 17 — выключатель электронагревателя; 18 — панель управления; 19 — регулятор оборотов; 20 — винт-саморез (7 шт.); 21 — ручка;
штепсельная вилка и плавкий предохранитель условно не показаны; размеры самодельных деталей — по месту
Как уже отмечалось, в качестве корпуса для самодельного МЭК приспособлена жестяная банка из-под краски. Продиктовано это не столько доступностью исходного материала, сколько максимальной простотой, а значит, и надежностью всей конструкции. При любом другом техническом решении пришлось бы позаботиться о дополнительных кронштейнах для крепления электродвигателя.
Здесь же кронштейны не понадобились, их заменило… дно банки. В нем строго по центру прорезано воздухозаборное окно и просверлены отверстия под винты крепления электродвигателя.
Очень удачно подошел электродвигатель от электрофона «Юность-301». Он компактен, надежен и экономичен и в то же время развивает достаточно большой крутящий момент и высокую скорость вращения вала. А самое главное — для работы в бытовой сети ему не нужны ни понижающий трансформатор, ни импортный адаптер.
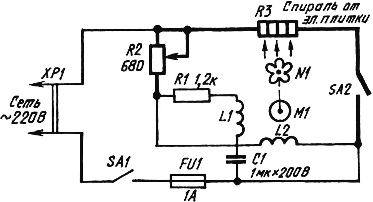
В частности, к бытовой сети 220 В этот электродвигатель, имеющий всего лишь две обмотки, можно подключить по схеме с конденсатором К-40П емкостью 1 мкФ и резистором ПЭ-7,5 сопротивлением 1,2 кОм. А чтобы таким устройством было удобнее пользоваться, введены небольшие усовершенствования в виде переменного резистора СП (1 Вт, 680 Ом) регулировки скорости воздушного потока и тумблера управления нагревателем.
Пропеллер вырезан из белой жести от консервной банки. Число лопастей выбирается по желанию — я ограничился пятью. Крепится такой пропеллер на валу электродвигателя при помощи нехитрых кронштейнов (отрезков стального уголка) и втулки, выполненной из той же белой жести. Пайка — оловянным припоем.

Нихромовый нагреватель — от недорогой электроплитки. В калорифере эта спираль размещена на жаропрочных шиферных растяжках-термоизоляторах, в которых сделаны отверстия соответствующего диаметра и центральный (под сборку в шип) прямоугольный пропил. Причем длина последнего у скрепляемой в виде буквы X пары в два раза больше, чем у крестообразного варианта.
Для удобного подключения нагревателя к МЭК предусмотрены специальные клеммы. В калорифере они расположены внизу корпуса-банки, на специальной панели из стеклотекстолита.
В верхней части воздухозаборного торца МЭК на винтах-саморезах закреплена панель управления с плавким предохранителем (на сборочном эскизе не показан), регулятором скорости вращения вала электродвигателя, тумблерами включения бытового прибора как с нагревателем, так и без него.
Чтобы вся эта конструкция была устойчивой, снизу корпуса привинчены ножки, а сверху предусмотрена ручка для переноски. Масса самодельного электрокалорифера чуть больше килограмма. Потребляемая мощность зависит в основном от нагревателя. В данном варианте она около 100 Вт.
А. КЛОЧКОВ, г. Змеиногорск, Алтайский край


