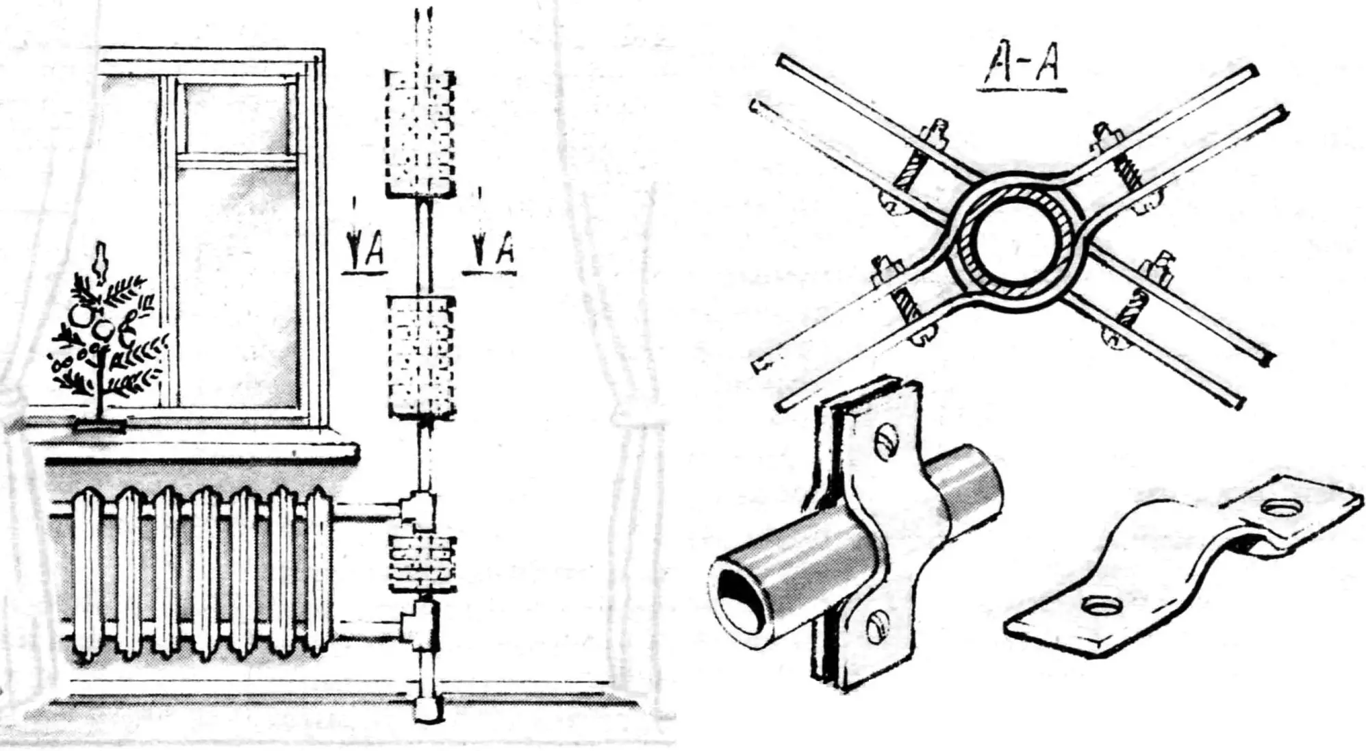
если повысить интенсивность обогрева квартиры установкой на свободных участках труб отопления дополнительных пластин-хомутов, сделанных из теплопроводного материала (например, дюралюминия), как показано на рисунках.
И. ПИЧУГИН, г. Оренбург

если повысить интенсивность обогрева квартиры установкой на свободных участках труб отопления дополнительных пластин-хомутов, сделанных из теплопроводного материала (например, дюралюминия), как показано на рисунках.
И. ПИЧУГИН, г. Оренбург