Дом построен. Электричество подведено. Зима на носу…
Предлагаю сделать водяное отопление с использованием автоматического трубчатого электрического нагревателя (ТЭН) «Аристон». Надежность и автоматическая регулировка максимального нагрева — большие плюсы «тэнов» этой фирмы.
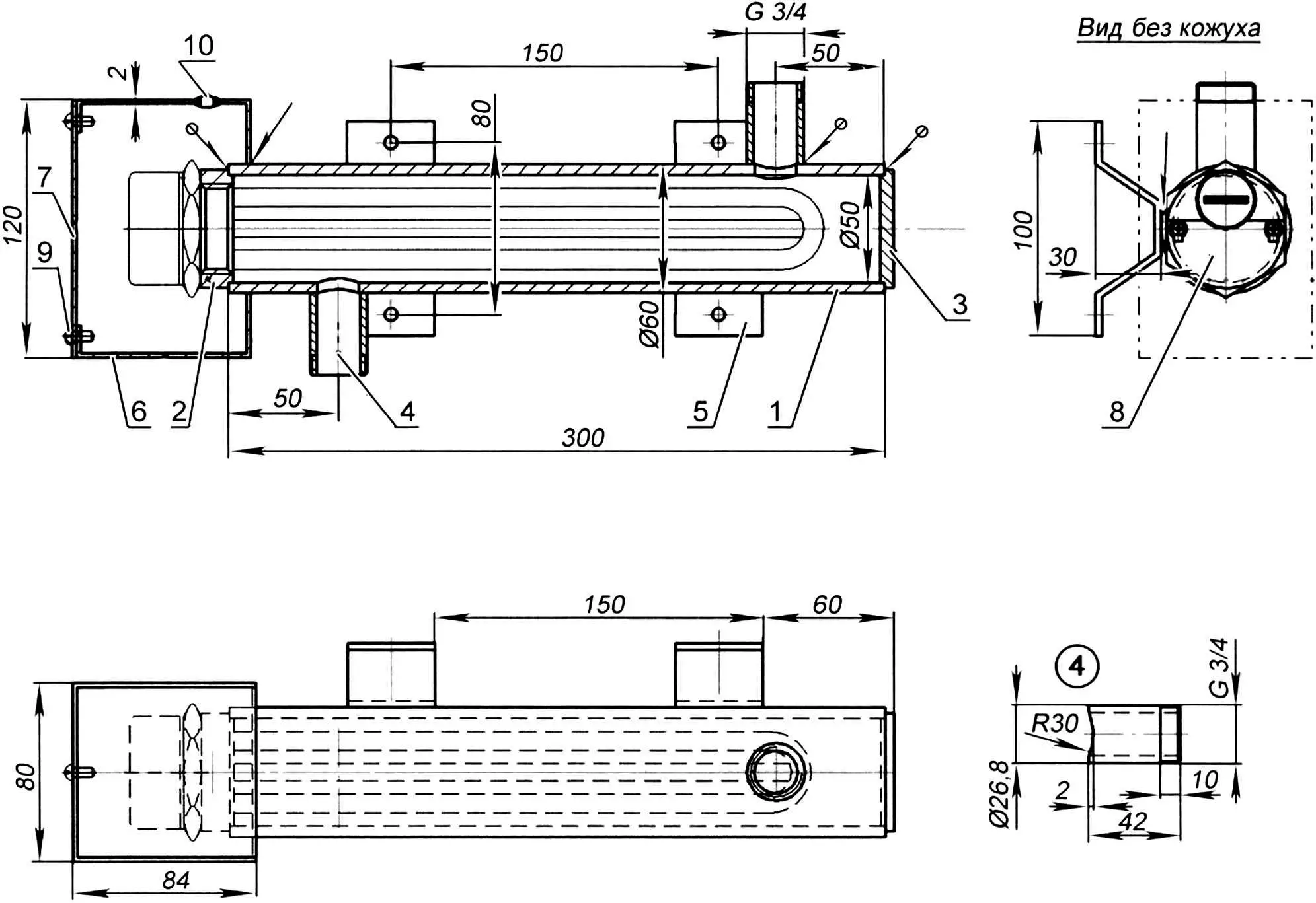
Самый простой вариант — котел с однофазным нагревателем, похожий на кусок трубы. При горизонтальном расположении агрегата потребуется циркуляционный насос. При вертикальном расположении котла давления от теплового расширения жидкости достаточно для циркуляции ее в системе. После сварки корпуса требуется вкрутить тэн, залить воду и подать электричество при помощи электрического кабеля с электровилкой.


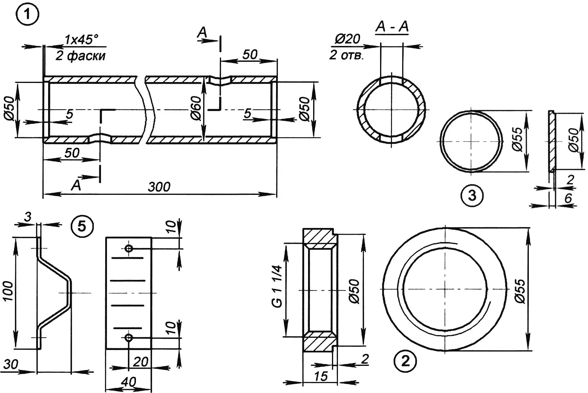
1 — корпус; 2 — втулка 1 1/2”; 3 — заглушка; 4 — патрубок 3/4” (2 шт.); 5 — ножка (2 шт.); 6 — кожух; 7 — крышка кожуха (2 шт.); 8 — ТЭН 2,5 кВт; 9 — винт М4х10 (2 шт.); 10 — резинка
Практика показала, что при двухтрубной системе отопления даже без радиаторов котла с ТЭНами в 2,5 кВт хватит для отопления дома площадью 30 м2.
Развивая конструкцию, я пришел к выводу, что для трехфазного напряжения следует сделать котел из трех автоматических ТЭНов по 2,5 кВт каждый. Тогда можно будет отапливать до 80 м2 жилой площади!


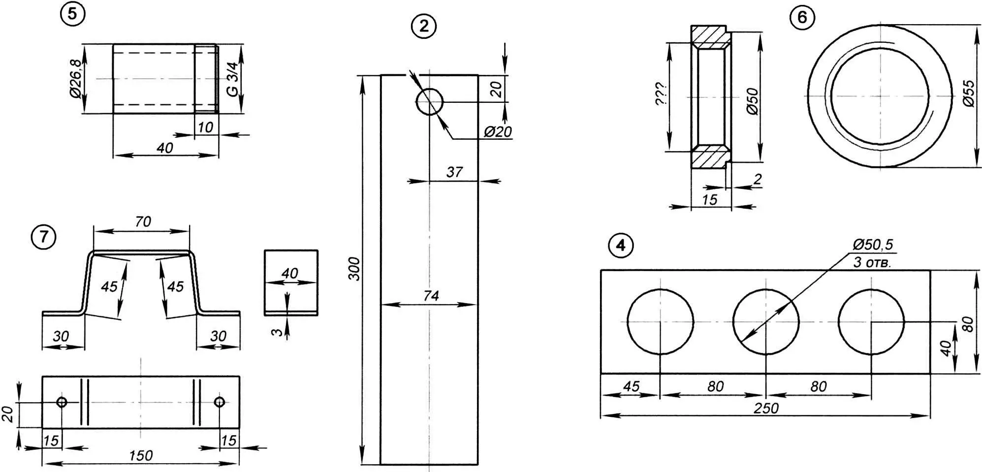
1 — стенка (2 шт.); 2 — боковая стенка (2 шт.); 3 днище; 4 — крышка; 5 — патрубок 3/4”; 6 — втулка 1 1/2” (3 шт.); 7 — ножка (2 шт.); 8 — ТЭН 2,5 кВт (3 шт.)
Подсоединение — по одной фазе к каждому термостату.

1 — корпус; 2 — втулка; 3 — ТЭН
Настройка котла состоит в установлении требуемой температуры на термостатах (допустимо 50 °С). Похолодает на улице — можно будет повысить температуру. Как в обычном бытовом электротитане.

1 — котел; 2 — расширительный бак; 3 — радиатор; 4 циркулярный насос; 5 — кран Маевского; 6 — кран радиатора (прямой); 7 — кран; 8 — «американка» 3/4» (3 шт.); 9 — «американка» (быстроразъемное соединение, с помощью накидной гайки) 1 1/2» (2 шт.); 10 — полипропиленовая труба 25; 11 — полипропиленовый угольник 25; 12 — тройник Ø25; 13 — тройник с полипропиленовой резьбой G3/4”

Котел с трехфазным нагревателем получается последовательным соединением трех однофазных ТЭНов. Компактный котел можно сделать, сварив три трубы вместе «бок о бок» или поместив в единый прямоугольный корпус. Варианты для корпусов однофазного и трехфазного нагревателей представлены на чертежах.
А. МАТВЕЙЧУК, г. Заводоуковск, Тюменская обл.


