Многие, наверное, слышали об интересном виде зимнего спорта — скийоринге, в котором соревнуются лыжники, буксируемые мотоциклом. В северных странах культивируется подобный вид спорта — буксировка лыжника лошадью.
Транспортное средство, с которым мы хотим вас ознакомить, позволит в полной мере ощутить прелести скоростного скольжения на лыжах, не прибегая при этом к помощи лошади и не обременяя приятеля — мотоциклиста (кому захочется выезжать зимой на открытой двухколесной машине!).
Речь идет о несложном гусеничном мотобуксировщике под названием «Тюлень» на базе мопедного двигателя V-50, который помчит вас по заснеженной равнине со скоростью 30 км/ч.

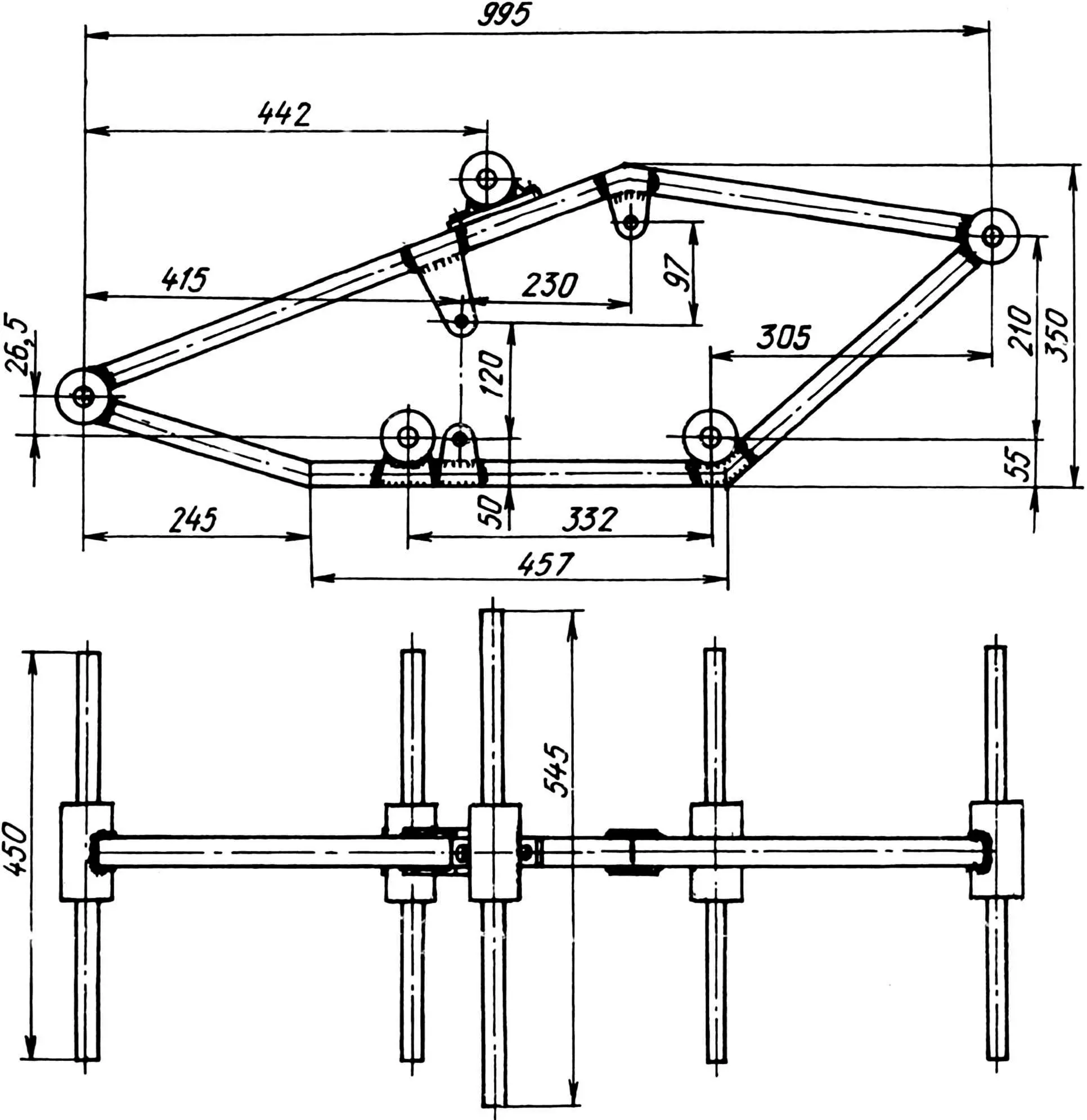
1 — рукоятки управления мотобуксировщиком; 2 — каток ведущий; 3 — лента гусеничная; 4 — бак топливный; 5 — дышло; 6,12 — катки опорные; 7 — каток натяжной; 8 — двигатель V-50; 9 — рама; 10 — каток передний; 11 — патрубок выхлопной; 13 — цепь привода ведущих катков; 14 — звездочка ведущего вала.
Как видно из рисунков, устроен он несложно. На плоской раме, сваренной из стальных труб квадратного сечения, смонтированы двухтактный двигатель (такие устанавливались на мопедах «Рига», «Карпаты» и других) и пять подшипниковых узлов, в которых могут вращаться пять трубчатых валов с закрепленными на них катками. Пара задних (больших) катков — ведущая, для их привода используется втулочно-роликовая цепь, связывающая малую звездочку на двигателе и большую звездочку, закрепленную на ведущем вале мотобуксировщика. К верхнему валу, на котором смонтирована пара натяжных катков, шарнирно прикреплено дышло с рукоятками управления мотоциклетного типа. Кроме них, на дышле располагается мопедный топливный бак.
Работу по изготовлению мотобуксировщика начните с подбора подшипников. Именно от их геометрических параметров будут зависеть размеры подшипниковых узлов, валов и катков. Из наиболее распространенных лучше всего подойдут подшипники 205, хотя вполне допустимы и другие.

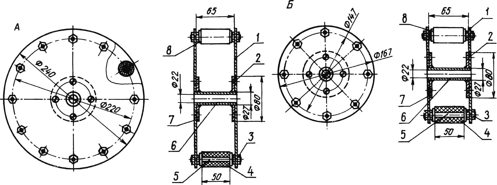
1 — шайба стопорная разрезная; 2 — подшипник; 3 — электрозаклепка; 4 — корпус узла; 5 — втулка переходная.
Корпуса подшипниковых узлов выточите из отрезков стальной трубы 58×4 мм. В сущности, достаточно отторцевать эти отрезки на токарном станке, сделать проточки под обоймы подшипников и прорезать кольцевые канавки под стопорные разрезные шайбы.
Валы катков — из трубы 20×3 мм, в подшипниковые корпуса установите их с помощью переходных втулок, закрепленных на валах электрозаклепками (так называют соединительные элементы, получаемые электросваркой, когда в одной из сопрягаемых деталей просверливают отверстие, а потом, при монтаже деталей, заваривают его; заполняющий отверстие металл и носит название электрозаклепки).
Для сборки рамы мотобуксировщика советуем воспользоваться простейшим стапелем-плазом — ровной древесностружечной плитой, на которой начерчена боковая проекция рамы.

Первым делом в центрах расположения катков длинными шпильками закрепите подшипниковые корпуса. При этом постарайтесь обеспечить параллельность их осей. В противном случае будет трудно добиться нормальной работы гусеничного движителя.
Далее подберите подходящие трубы, желательно квадратного сечения, поскольку изгибать такие проще — нужно лишь вырезать клин ножовкой по металлу, согнуть в соответствии с изображением на плазе и заварить получившийся стык.
Указанным способом подготовьте две трубы рамы — верхнюю и нижнюю, после чего с помощью мягкой стальной проволоки состыкуйте с подшипниковыми узлами. Для этого в трубах в зоне переднего и заднего подшипниковых узлов просверлите отверстия, через которые пропустите проволоку, охватывающую при этом петлями подшипниковые узлы. Далее с помощью воротка проволоку туго закрутите так, чтобы образовалось подобие «телеграфного» бандажа (так называют соединение деревянного телеграфного столба с основанием-пасынком). К остальным подшипниковым узлам (кроме верхнего) трубы рамы также прикрепите проволочными закрутками.
После тщательной проверки параллельности подшипниковых корпусов прихватите их к раме сваркой, после чего проволоку удалите и еще раз проверьте раму, при необходимости подрихтуйте ее. В завершение стыки рамы с нижними подшипниковыми узлами усильте косынками из стального листа толщиной 2 — 2,5 мм.

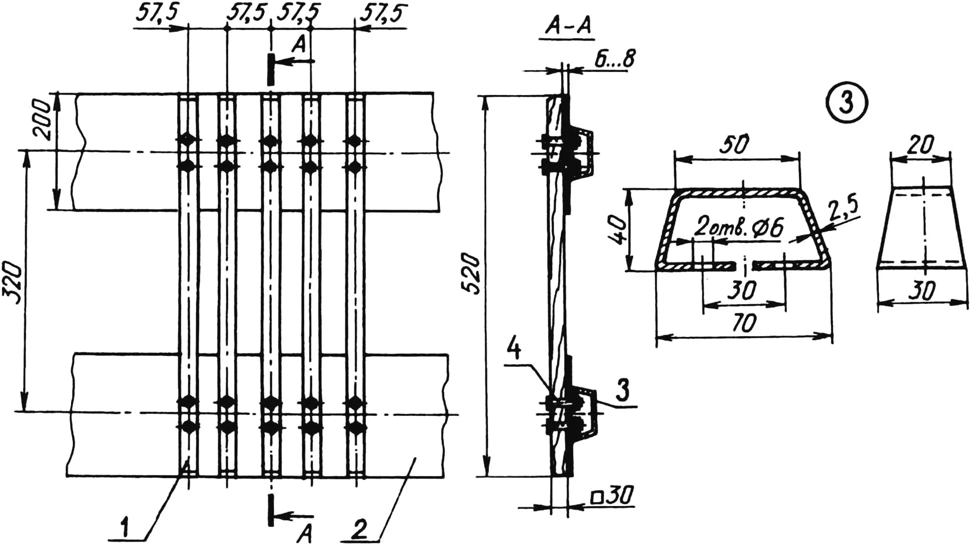
1, 6 — полупетли (сталь s1); 2 — втулка (дюралюминий, труба 6×1); 3 — лента гусеничная; 4 — заклепка (дюралюминий Ø4); 5 — ось петли (сталь Ø6).
Кронштейны крепления двигателя выкроите сначала из плотного картона и отработайте их форму и размеры. Когда контуры определятся окончательно, по полученным шаблонам вырежьте из стального листа толщиной 3 мм собственно кронштейны, просверлите в них отверстия диаметром 8 мм. Кронштейны закрепите болтами на двигателе, после чего двигатель с помощью проволоки притяните к раме в соответствии с изображением на чертеже или на плазе. Далее сваркой прихватите кронштейны, проверьте точность их расположения и окончательно приварите к раме.
Двигатель не имеет специального глушителя — его функцию выполняет нижняя часть рамы. Для этого выхлопное окно двигателя с помощью патрубка соедините с полостью квадратной трубы рамы. Для выпуска отработавших газов в последней просверлите снизу отверстия диаметром 5 мм (отверстий потребуется не меньше пятидесяти, в противном случае двигатель не будет развивать паспортной мощности).
Теперь об изготовлении катков. Все они — ведущие, опорные и натяжные — одинаковы по конструкции. Каждый состоит из центральной втулки, сваренной из двух стальных дисков и отрезка трубы, двух дюралюминиевых дисков и двенадцати (для больших катков) или восьми (для малых) стяжек. Последние представляют собой стальные шпильки с насаженными на каждую отрезками резинового шланга; шпильки крепятся на дисках гайками. Такая конструкция катка довольно проста и способна приводить в движение гусеницу мотобуксировщика.

1 — диск катка (дюралюминий s3); 2 — винт М5; 3 — гайка М8; 4 — втулка резиновая; 5 — шпилька М8; 6 — втулка центральная; 7 — диск центральной втулки (сталь s3); 8 — шайба.
Как видно из рисунков, верхняя пара катков может перемещаться вдоль рамы, позволяя тем самым регулировать натяжение гусеницы.
Ведущие же катки фиксируются на валу конусными штифтами, отверстия для которых сверлятся в центральных втулках, надетых на ведущий вал перед окончательной сборкой катков.
Движитель «Тюленя» состоит из двух резинотканевых полос, вырезанных из старой транспортерной ленты и объединенных в единую гусеницу деревянными рейками — грунтозацепами. В кольцо полосы состыкованы с помощью узла, напоминающего рояльную петлю. При сборке гусеницы строго выдерживается расстояние между рейками-грунто-зацепами — оно должно составлять 57,5 мм. Каждая рейка-грунтозацеп прикреплена к резинотканевой ленте парой болтов с гайками, при этом с внешней стороны ленты расположена рейка, а с внутренней — гребень, вырезанный из стальной полосы толщиной 2,5 мм. Гребни позволяют ведущим каткам «перематывать» гусеничную ленту, приводя ее тем самым в движение.

1 — грунтозацеп (березовая рейка 30×30); 2 — лента гусеничная (транспортерная лента s6); 3 — гребень (сталь s2,5); 4 — болт М6.
Мотобуксировщик управляется дышлом, на котором смонтированы рукоятки мотоциклетного типа: на правой установлена поворотная ручка «газа», на левой — привод механизма сцепления и переключатель коробки передач от «тяжелого» мопеда.
Для двигателя мотобуксировщика придется немного переделать штатное пусковое устройство. Педаль кикстартера удалите, а в вал впрессуйте штифт. Запускайте двигатель с помощью рукоятки, напоминающей автомобильную. Для этого на вал пускового устройства надевайте храповик и рукоятку резко проворачивайте на четверть оборота.
«Моделист-конструктор» № 2’99, И. МНЕВНИК


