Таким прибором можно быстро и точно измерить, например, температуру тела человека, воды и воздуха. Электронный градусник нужен труженикам сельского хозяйства, чтобы определять температуру зерна, картофеля, почвы, и медицинским работникам.
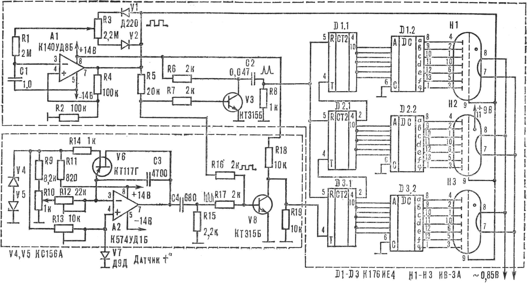
Термометр состоит из пяти основных блоков: преобразователя температура-частота, генератора прямоугольных импульсов, счетчика импульсов с дешифратором, питания и индикатора (рис. 1).

Первый блок преобразует прямое падение напряжения на датчике-диоде в частоту. Сигнал на выходе преобразователя заполняют поступающие с генератора прямоугольные импульсы и далее подается на счетчик, который преобразует входную частоту в код управления семисегментными индикаторами. Во время счета импульсов индикаторы не горят — они заперты сигналом, приходящим с блока генератора, который также вырабатывает импульс сброса показаний в конце цикла индикации.
Принципиальная схема термометра — на рисунке 2. Датчиком температуры служит диод V7 типа Д9, падение напряжения на котором используется для работы интегратора. Сильная температурная зависимость падения напряжения на p-n переходе при фиксированном токе через него и малая нелинейность характеристики температура — напряжение обусловливают широкое применение полупроводниковых диодов в качестве датчиков температуры. С такими преобразователями можно изготавливать точные электронные термометры, не вводя в приборы специальные линеаризующие устройства.

Интегратор собран на операционном усилителе А2 К574УД1Б с большой скоростью нарастания напряжения. Тем самым достигаются высокое быстродействие процесса отслеживания и точность преобразования 0,1°. Когда конденсатор С3 заряжается до уровня 10 В, интегратор сбрасывается однопереходным транзистором V6. Опорное напряжение, задающее порог его отпирания и стабилизирующее ток через диод V7, создают два встречно-последовательно включенных стабилитрона V4, V5.
Выходное напряжение интегратора через дифференцирующую цепочку R15C4 поступает на токовый ключ, формирующий пакеты импульсов счета и индикации, — транзистор V8, на базе которого складываются сигналы преобразователя и генератора прямоугольных импульсов.
Генератор собран на операционном усилителе А1 К140УД8Б, обеспечивающем выходное напряжение прямоугольной формы с периодом 4 с. Скважность импульсов регулируют переменным резистором R3 так, чтобы отношение длительности импульса к паузе составляло 1:3. За время длительности импульса, равной 1 с, в счетчики вводится информация об измеряемой температуре, а в паузе продолжительностью 3 с эта информация высвечивается на трех индикаторах. Во время счета они заперты напряжением 15 В, приходящим с генератора. После подсчета числа импульсов, пропорциональных измеряемой температуре, ключ V8 закрывается, лампы Н1 — Н3 высвечивают информацию, хранящуюся в счетчиках D1 — D3 в течение 3 с — периода индикации. В конце этого периода транзистор V3 и дифференцирующая цепочка R8C2 формируют импульс сброса показаний. Для устойчивой работы генератора применен запоминающий конденсатор типа К73П-3 (С1) с малым током утечки и высокой термостабильностью.

Блок питания (рис. 3) собран по обычной схеме на транзисторах V2, V3. Опорное напряжение формируют стабилитроны V4 — V8.
Сердечник трансформатора Т1 имеет сечение 2,5 см2. Его первичная обмотка содержит 5000 витков провода ПЭВ 0,1. Обмотка II состоит из двух половин — 2X400 витков ПЭВ 0,14, обмотка III имеет 20 витков провода ПЭВ 0,31. Ток холостого хода трансформатора не должен превышать 5 мА.
В термометре применены постоянные резисторы МЛТ-0,125, подстроечные R10, R12 — СП5-3 (проволочные, многооборотные) или аналогичные. Применять однооборотные резисторы нежелательно, поскольку пороги срабатывания интегратора должны быть подобраны очень точно. Резистор R13 — СПЗ-1б или СПЗ-22. Конденсатор С1 — К73П-3, С3 — типа К10-23 или КМ4, КМ5. Его лучше составить из отдельных конденсаторов, имеющих ТКЕ разных знаков, так, чтобы суммарный ТКЕ был близок к нулю. Если достаточна точность измерения 0,3—0,5°, вместо К574УД1Б можно использовать ОУ К140УД8Б.
Транзисторы V2, V3 блока питания могут быть типа КТ502, КТ503, КТ201, КТ203. Счетчик допустимо построить на ИМС серии К155, но тогда возрастет потребляемая мощность и потребуется внести изменения в блок питания.
Выводы диода Д9 загнуты в одну сторону, припаяны к выносному фторопластовому кабелю, а до половины корпуса диода надета полихлорвиниловая трубка.
Погружать датчик в токопроводящую среду можно не более чем на половину длины его корпуса. Для работы в агрессивных средах датчик следует защитить эпоксидной смолой, обеспечивающей надежную изоляцию и хорошую теплопроводность, а при измерении температуры фоторастворов к датчику прикрепляют кусочек пробки или пенопласта, чтобы он плавал на поверхности раствора.

Термометр смонтирован на трех платах, изготовленных из фольгированного стеклотекстолита толщиной 1,5 мм. На двух размером 130X40 мм собран генератор прямоугольных импульсов со счетчиком и индикаторами (рис. 4) и блок питания (рис. 5), а на третьей с габаритами 80X40 мм выполнен преобразователь температура-частота (рис. 6). С помощью уголков платы крепятся к гетинаксовому основанию размером 130X90Х3 мм и размещены в корпусе с внешними габаритами 135Х100Х50 мм. Он спаян из 2-мм фольгированного стеклотекстолита (рис. 7) и оклеен пленкой «под дерево». Прорезь для табло закрыта оргстеклом с сине-зеленым светофильтром. Кабель датчика наматывают на выступы, расположенные на задней стенке прибора.

Чтобы точность термометра была максимальной, настройку ведут с применением цифровых частотомера ЧЗ-32 и промышленного термометра. При использовании более простых приборов точность настройки снижается до 0,3—0,5°.

Для калибровки преобразователя от базы транзистора V3 отсоединяют генератор, а к коллектору V8 подключают частотомер. С помощью подстроечного резистора R13 ток через датчик V7 устанавливают равным 1 мА. Затем датчик помещают в кипящую воду (100° С), а переменным резистором R12 устанавливают выходную частоту 1000 Гц. Затем датчик охлаждают до 0° (тающий снег) и переменным резистором R10 срывают колебания интегратора. Эти операции повторяют 3—4 раза, чтобы устранить взаимные влияния резисторов R10, R12.

Затем присоединяют генератор к базе V8 и переменным резистором R3 устанавливают показания счетчика при температуре 99,9° на значение 99,9. После этого проверяют линейность устройства во всем диапазоне температур. Например, измеряют температуру тела человека, сравнивая с показаниями медицинского градусника. При необходимости Настройку повторяют.
ДАННЫЕ ТЕРМОМЕТРА:
Диапазон измеряемых температур, °С … 0 — 99,9
Разрешающая способность, °С … 0,1
Точность измерения
— в диапазоне 10 — 90, °С … 0,1
— в диапазоне 0 — 10, °С … 0,5
— в диапазоне 90 — 99,9, °С … 0,3
Время считывания температуры, с … 1
Время индикации температуры, с … 3
Потребляемая мощность, Вт … 1
Габариты, мм … 135x100x50
Масса, кг … 0,3
А. ШАМОВ, Г. ШИК, г. Тольятти


