Когда мой внук Гриша стал подрастать и перестал обращать внимание на ранее любимые игрушки-погремушки, то домашние стали замечать, что он начал проявлять интерес к разным инструментам и даже механизмам. Тогда я решил смастерить ему небольшой электромобильчик-квадроцикл, на котором в хорошую погоду можно было кататься на улице, а в плохую — и в комнате. И не только для того, чтобы ребенок получал удовольствие от езды — осваивая навыки вождения, он одновременно приобщался к технике, знакомился с ее устройством.
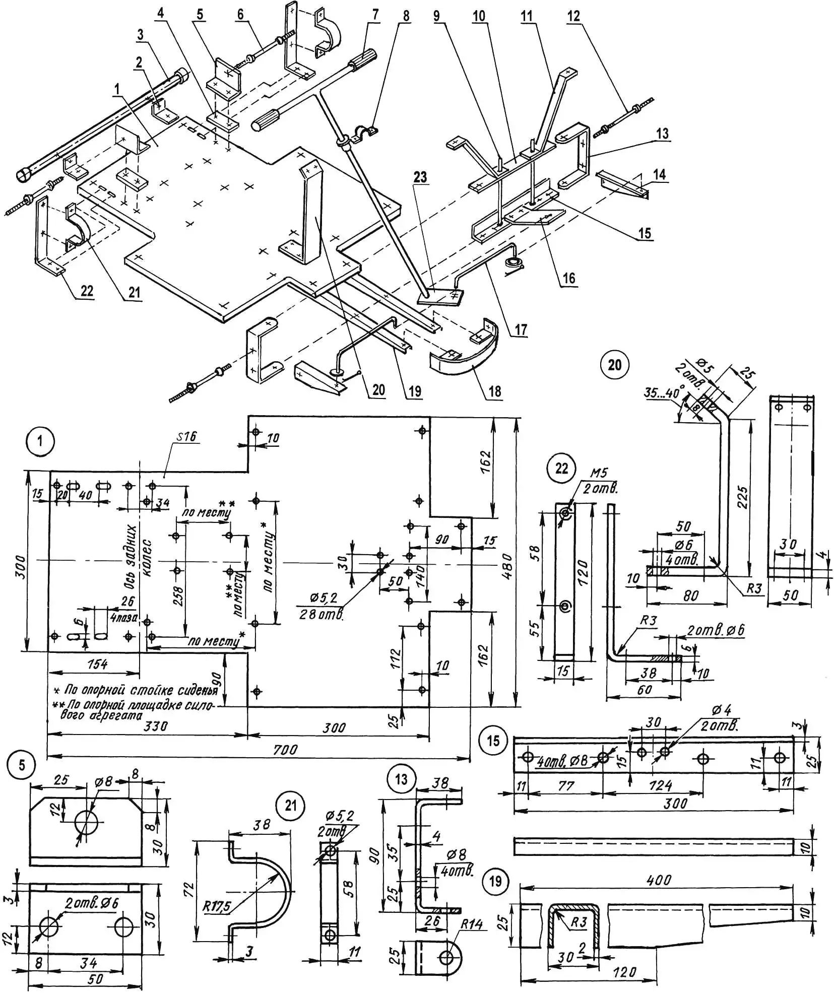
Основа конструкции электромобиль-чика — площадка, выполненная из целиковой мебельной древесно-стружечной плиты толщиной 16 мм. В передней части к площадке прикреплены два лонжерона швеллерного сечения, выгнутые из стальной полосы толщиной 2 мм. На лонжеронах смонтированы балка переднего моста, рулевое управление и передний бампер. В задней части площадки установлен привод, состоящий из двух электромоторов, понижающего редуктора, промежуточного вала и цепных передач со звездочками.
Колеса электромобильчика с пневматическими широкопрофильными шинами размером 56—205. Два колеса взяты от старого детского велосипеда «Мишка», а еще два (переднее и заднее) приобретены в магазине, где продавались как запасные части к такому велосипеду. Поскольку подвеска всех колес жесткая, то амортизация обеспечивается подбором оптимального давления в шинах.

1 — заднее колесо (от детского велосипеда, 2 шт.); 2 — сиденье (фанера, поролон, дерматин); 3 — опорная стойка сиденья (уголок 15×15, 2 шт.); 4 — аккумуляторная батарея (12 В, 9 А); 5 — кронштейн руля; 6 — руль; 7 — муляж фонаря с белым световозвращателем (2 шт.); 8 — переднее колесо (от детского велосипеда, 2 шт.); 9 — лонжерон (2 шт.); 10 — продольная тяга заднего колеса (труба 1/2″, 2 шт.); 11 — белый световозвращатель (2 шт.); 12 — задний бампер; 13 — задний капот (дюралюминий, лист s1); 14 — рама-площадка; 15 — переднее крыло (дюралюминий, лист s1, 2 шт.); 16 — передняя балка; 17 — рулевая тяга; 18 — передний бампер (сталь, лист s2)
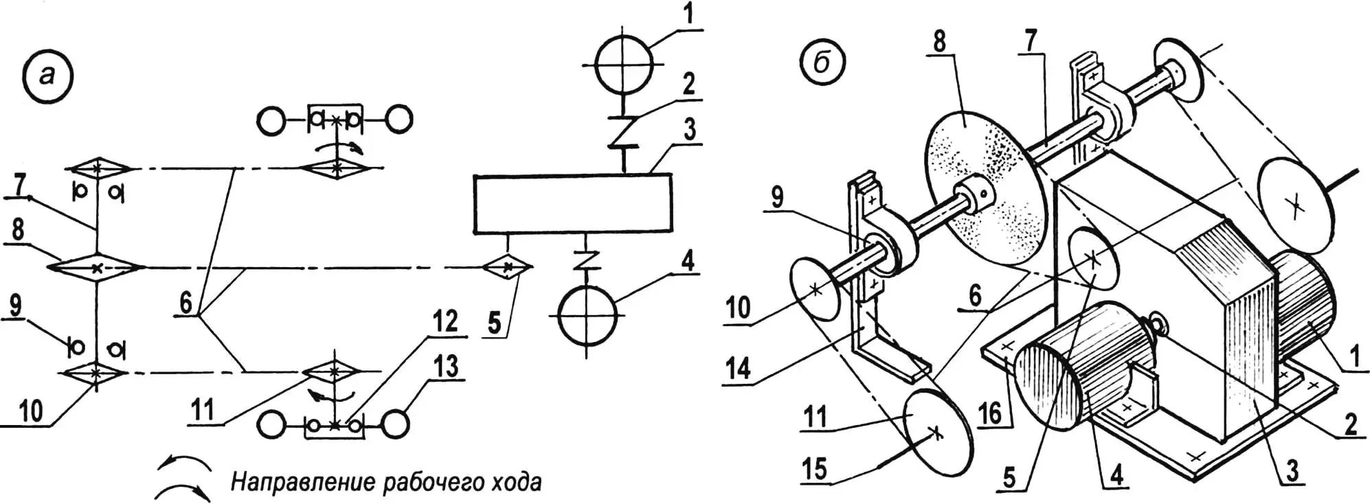
Ведущие колеса — задние. Оба — с обгонными муфтами и звездочками. В конструкции есть одна особенность: одно колесо (правое) обеспечивает движение вперед, а другое (левое) — назад. Для этого оба колеса установлены звездочками внутрь. При этом муфты работают в противоположных направлениях. Оси применены заводские, от велосипеда. Но для уменьшения плеча посадки на них колес конуса подшипников свинчены по резьбе максимально внутрь.
Передние колеса — управляемые. Руль — велосипедного типа. Рулевой вал установлен в двух подшипниках скольжения (капроновых втулках), на его нижнем конце закреплена рулевая сошка. Она соединена тягами с рычагами поворотных кулаков, которые навешаны на скобы, шарнирно соединенные с концами передней балки. И балка и кулаки изготавливались без применения сварки, поэтому представляют собой разъемные сборочные единицы, состоящие из нескольких деталей. Балка состоит из нижней и верхней траверсы, соединенных между собой шпильками. Нижняя траверса выгнута из стальной полосы в форме уголка, и в ее середине смонтирован опорный кронштейн рулевого вала. К верхней траверсе привернуты кронштейны крепления крыльев, а сама она имеет вид простой пластины сечением 22×4 мм.

1 — рама-площадка (ДСП, s16); 2 — кронштейны крепления заднего бампера (уголок 30×30, 2 шт.); 3 — задний бампер (труба 3/4″); 4 — подкладка (ДСП, s16, 2 шт.); 5 — кронштейн оси (уголок 30×30, 2 шт.); 6 — ось заднего колеса (от детского велосипеда, 2 шт.); 7 — руль (от детского велосипеда); 8 — скоба крепления руля (сталь, лист s1); 9 — шпильки М10 с гайками соединения верхней и нижней траверс (2 шт., гаек 8 шт.); 10 — верхняя траверза (стальная полоса 25×3); 11 — кронштейн переднего крыла (стальная полоса 25×2, 2 шт.); 12 — цапфа-ось поворотного кулака переднего колеса (от детского велосипеда, 2 шт.); 13 — скоба поворотного кулака (стальная полоса 25×4, 2 шт.); 14 — рычаг поворотного кулака (уголок 30×30, 2 шт.); 15 — нижняя траверса передней балки (уголок 25×10); 16 — упорный кронштейн рулевого вала (сталь, лист s3); 17 — рулевая тяга (сталь, пруток Ø5, 2 шт.); 18 — передний бампер (сталь, лист s2); 19 — лонжерон (гнутый швеллер 30×25 2 шт.); 20 — кронштейн рулевого вала (сталь, лист s4); 21 — скоба крепления подшипника промежуточного вала (стальная полоса 11×3, 2 шт.); 22 — опорный кронштейн промежуточного вала (сталь, полоса 15×6, 2 шт.); 23 — рулевая сошка (сталь, лист s3)
Основа поворотного кулака — скоба. К ней прикреплены поворотный рычаг и цапфа-ось переднего колеса. Между трущимися поверхностями деталей рулевого привода, где возможно, подложил капроновые шайбы, остальные шарнирные соединения периодически смазываю консистентной смазкой. Впереди к лонжеронам прикреплен бампер. Он фигурный. Здесь же установлены ограничители хода рулевой сошки — колеса в каждую сторону поворачиваются только на 45°.
Трансмиссия могла бы быть довольной сложной и тяжелой. Но по случаю приобрел на барахолке недорого необычный, но подходящий редуктор. Как рассказал о его происхождении продавец — этот механизм от какого-то списанного самолета. Достоинств у этого редуктора несколько: он легкий (дюралюминиевый картер), компактный, а главное — у него было очень большое передаточное отношение — 250. Пришлось даже первые две ступени редуктора не задействовать и демонтировать. Два вала последующих передач при этом заменил на удлиненные и к ним через эластичные муфты (очень туго надетые резиновые трубки) присоединил электродвигатели.

1 — электродвигатель переднего хода (N = 20 Вт, 3000 об/мин, от автомобильного стеклоочистителя); 2 — муфта (резиновая трубка, 2 шт.); 3 — редуктор (авиационный); 4 — электродвигатель заднего хода (N = 8 Вт, 3000 об/мин, от автомобильного отопителя); 5 — звездочка выходного вала (z = 10); 6 — приводные цепи (t = 12,7); 7 — промежуточный вал; 8 — большая звездочка промежуточного вала (z = 30); 9 — подшипник 202 (2 шт.); 10 — малая звездочка промежуточного вала (z = 8, 2 шт.); 11 — звездочка ведущего колеса (z = 16, 2 шт.); 12 — обгонная муфта ведущего колеса; 13 — ведущее колесо (2 шт.); 14 — опорный кронштейн промежуточного вала; 15 — ось заднего колеса (2 шт.); 16 — опорная площадка силового агрегата
Электродвигатели взял от легкового автомобиля — оба на 12 В с числом оборотом 3000 в минуту. Один из них — мощностью 8 Вт (от вентилятора отопителя) — подсоединил к валу первой (после реконструкции) ступени с большим передаточным числом, другой — мощностью 20 Вт (от привода стеклоочистителя) — к валу второй ступени. Этот более мощный электромотор двигает машину вперед, а другой, соответственно, назад.
Электродвигатели сначала прикрепил к уголкам, вырезав в их вертикальных полках полукруглые пазы под корпуса моторов. Затем редуктор и электродвигатели установил на общей платформе (из ДСП), а потом эту платформу закрепил на раме-площадке. Эту операцию производил по месту после монтажа промежуточного вала и осей колес.

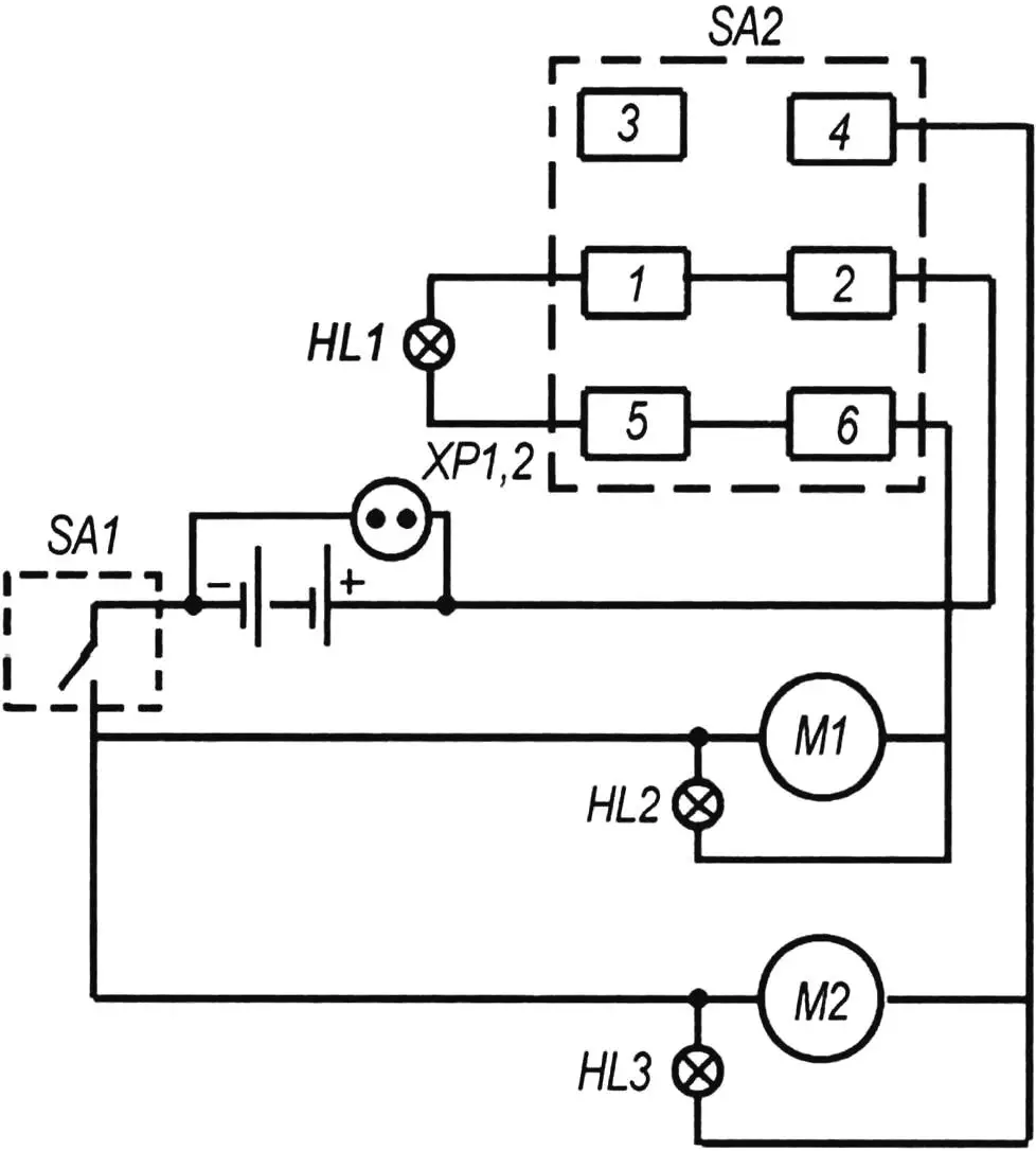
1 — двухпозиционный тумблер хода и зарядки аккумулятора; 2 — зеленая лампочка сигнализации о включении переднего хода; 3 — желтая лампочка торможения, остановки и нейтрали; 4 — красная лампочка сигнализации заднего хода; 5 — трехпозиционный тумблер включения хода («Вперед», «Назад») и стопа
Питание электродвигателей — от аккумуляторной батареи напряжением 12 В. Батарея закреплена на площадке рулевой колонкой. Ее заряда хватает примерно на 15 мин непрерывной езды. После этого аккумулятор надо подзаряжать примерно такое же время с помощью зарядного устройства, работающего от сети 220 В. Контроль за восстановлением работоспособности батареи произвожу по амперметру устройства.
При расчетах трансмиссии скорость электромобильчика ограничил 5 км/ч. Ведь при эксплуатации необходимо, чтобы взрослые могли легко успевать за ним и контролировать действия малыша. При расчете даже учел, что электродвигатели постоянного тока под нагрузкой имеют большое «скольжение» и вместо 3000 об/мин будут вращаться только со скоростью 2000 об/мин. Однако без промежуточного вала со звездочками и цепных передач все же не обошелся.

1 — руль; 2 — штифт-болты М4; 3 — рулевой вал (труба 1/2″); 4 — наконечник вала (Ст3); 5 — сошка; 6 — верхняя шайба (Ст3); 7 — упорная втулка-подшипник (капрон); 8 — нижняя шайба (Ст3); 9 — гайка М8; 10 — упорный кронштейн; 11 — верхняя втулка вала (капрон)
Звездочка на выходном валу редуктора имеет 10 зубьев, на промежуточном — у большой звездочки 30 зубьев, а у малых — по 8, и наконец, у звездочки на колесах — по 16 зубьев. Общее передаточное отношение трансмиссии равно 36. Шаг зубьев всех звездочек и цепей один и тот же — 12,7 мм. Специального механизма натяжения цепей не конструировал, а сделал лишь вместо отверстий под крепление кронштейнов промежуточного вала на площадке продольные пазы, по которым можно переустанавливать кронштейны и подтягивать цепи. Но последние — небольшой длины и с повышенным запасом прочности для такого электромобильчика. За полтора года эксплуатации подтягивать цепи так и не пришлось. Только при установке редуктора, промежуточного вала транмиссии и колес необходимо строго соблюсти совпадение плоскостей вращения звездочек каждой цепной передачи. Поэтому отверстие под штифт-болт в установочой втулке и промежуточном валу сверлил лишь после точного выставления звездочек первой ступени цепной передачи в одну плоскость. У двух других ступеней это несложно сделать путем смещения положений конусов подшипников на осях.

1 — крепление звездочек (винт М8, 2 шт.); 2 — пружинная шайба (2 шт.); 3 — шайба (2 шт.); 4 — малая звездочка (z = 8, 2 шт.); 5 — штифт; 6 — подшипник 202 (2 шт.); 7 — вал (сталь 45, пруток Ø17); 8 — болт М4 с пружинной шайбой (2 шт.); 9 — большая звездочка (z = 30); 10 — установочная втулка (Ст3); 11 — штифт-болт М4 (отверстие под болт сверлится после совмещения плоскостей звездочки выходного вала редуктора и большой звездочки промежуточного вала)
Управление электрической силовой установкой электромобильчика осуществляется с пульта управления, расположенного под рулем. Для движения сначала включается двухпозиционный тумблер хода (исполняющий роль замка зажигания), при этом на пульте загорается желтая лампочка. Затем включается рычаг другого (трехпозиционного) тумблера, например, положение «Вперед» (загорается зеленая лампочка) или «Назад» (включается красная лампочка). Торможение — автоматическое: достаточно рычаг трехпозиционного тумблера поставить в нейтральное положение. Конечно, лампочки особой функциональной роли не играют, но с ними на электромобильчике кататься интереснее.
Сиденье — типа кресла, самодельное. Его основа — из фанеры. Изнутри постелен поролон, и все сиденье обтянуто ярким красным дерматином. На раме сиденье смонтировано на двух П-образных опорных стойках, выполненных из стального уголка 15×10 мм. Стойки установлены вдоль оси машины по месту, после монтажа узлов трансмиссии. Сзади к спинке сиденья прикреплен кожух из дюралюминиевого листа. Вместе они почти полностью прикрывают привод и механизмы трансмиссии. С этой же целью к передним ножкам подседельных опорных стоек прикреплен еще дюралюминиевый лист, чтобы ноги водителя-ребенка никоим образом до механизмов не доставали.

М1 — электродвигатель переднего хода (автомобильный, от привода стеклоочистителя); М2 — электродвигатель заднего хода (автомобильный, от вентилятора отопителя); SA1 — двухпозиционный тумблер ТП 1—2 включения электропитания (замок зажигания); SA2 — трехпозиционный тумблер П2Т-7 (27 В, 6 А) включения переднего хода (контакты 6-2), заднего хода (контакты 2—4), нейтрали (контакты 5-1); HL1 —желтая лампочка сигнализации о включении нейтрали; HL2 — зеленая лампочка сигнализации о включении переднего хода; HL3 — красная лампочка сигнализации о включении заднего хода; ХР1,2 — полумуфта разъема подключения зарядного устройства
Недостаток конструкции состоит в том, что в приводе стоят два электродвигателя. При движении один из них работает, а другой вращается вхолостую. Лучше бы иметь один реверсивный.
Все облицовочные детали электромобильчика покрасил светло-зеленой краской, чтобы машина была нарядной.
А. МАНГУШ, г. Ставрополь


