Говорят, на спичках много не сэкономишь, и все же… Простая и практичная электронная «спичка», описание которой мы предлагаем вниманию читателей, избавит вас от необходимости постоянно следить, чтобы спичечные коробки не оставались пустыми.
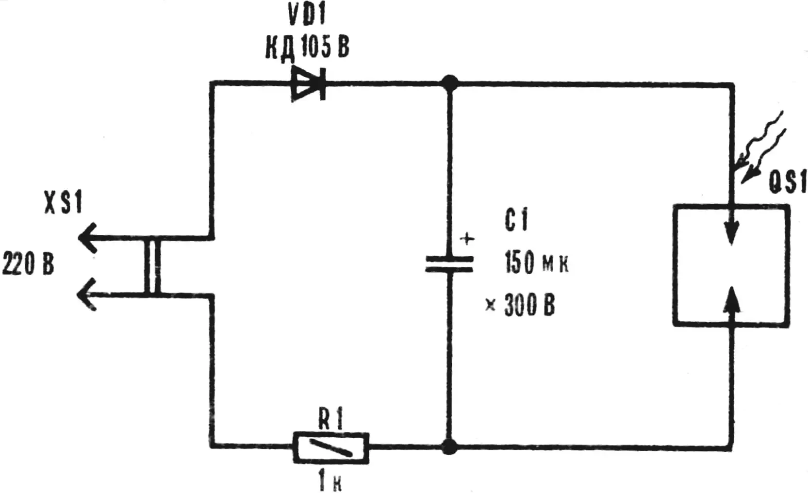
Действует «спичка» следующим образом. Накопленная конденсатором С1 (см. принципиальную схему) электроэнергия от сети 220 В преобразуется в искру, от которой происходит возгорание газа в конфорке кухонной плиты. Время заряда С1 до амплитудного значения напряжения сети составляет 2—3 с, а для его разряда достаточно лишь 0,1 с.
Конструктивно «спичка» выполнена в виде цилиндра, состоящего из двух половинок (см. рис.). Внутри одной размещены радиоэлементы, другая предохраняет концы разрядника от случайного замыкания, иначе включенная в сеть «спичка» тут же выводит из строя диод VD1, который защищает от удара разрядом конденсатора С1 (при прикосновении к токосъемникам вилки, вынутой из сетевой розетки), поскольку по отношению к полярности напряжения на нем диод включен в обратном направлении.

«Спичка» собирается из любых подручных материалов. В качестве составного корпуса использованы пластмассовые флаконы из-под шампуня длиной 100 мм. Под их габариты подбирают размеры деталей.
В донышке корпуса сверлят два отверстия для токосъемников от стандартной сетевой вилки, расстояние между которыми рассчитано под соответствующую розетку. Сбоку делают еще шесть отверстий Ø1 мм — по два с шагом 120° — для крепления конденсатора.
Далее из фольгированного стеклотекстолита толщиной 1…1,5 мм изготавливают монтажную плату. Фольгу прорезают ножом на 4 сегмента (см. рис.), к которым припаивают диод и резистор, а также многожильные изолированные провода длиной 150 мм для подсоединения к конденсатору. Плата крепится с внутренней стороны корпуса с помощью токосъемников и гаек.
Разрядник изготавливают из сварочных электродов Ø2,5 мм. На них надевают хлорвиниловые трубки и вставляют в отверстия деревянного держателя. С одного конца электроды разрядника остро затачивают напильником, а с другого их припаивают к выводам конденсатора. Причем участки электродов, предназначенные для пайки, предварительно обматывают медным луженым проводом Ø0,2 мм.

1 — токосъемники, 2 — корпус, 3 — монтажная плата, 4 — конденсатор, 5 — проволочная обмотка для пайки, 6 — электрод, 7 — деревянный держатель, 8 — хлорвиниловая трубка, 9 — фиксирующая скоба, 10 — колпачок
С помощью изоленты на корпусе конденсатора закрепляют с шагом 120° три скобы из медного провода Ø1 мм, с «запасом» по длине. К конденсатору припаивают провода, идущие от платы, а затем, продев концы скоб в отверстия сбоку корпуса, вставляют в него конденсатор вместе с разрядником на половину длины деревянного держателя. На этот участок предварительно наносят слой клея «Момент» для закрепления держателя в корпусе. Кроме того, снаружи вдоль него изгибают выводы скоб, фиксируя тем самым «внутренности» конструкции. Их излишки обрезают по длине, а оставшиеся концы скоб приклеивают к корпусу либо обматывают изолентой.
На другую половину держателя электродов, находящуюся снаружи корпуса, надевают защитный колпачок.
«Спичка» может быть постоянно включена в сетевую розетку, поэтому она всегда готова к работе. Чтобы зажечь горелку газовой плиты, «спичку» вынимают из розетки, снимают защитный колпачок, подносят к конфорке, открывают газ и сжимают разрядник до замыкания остро заточенных концов электродов — возникает искра. Когда разрядник отпускают, упругие электроды возвращаются в первоначальное положение. Надевают защитный колпачок, а «спичку» снова вставляют в сетевую розетку до следующего раза.
При длительном пользовании поверхность электродов со временем становится «выбитой». Поэтому периодически нужно зачищать напильником места их взаимного соприкосновения, чтобы концы разрядника всегда были остро заточенными для сосредоточения в узкой части энергии разряда конденсатора.
Диод можно заменить на любой другой с близкими параметрами.
А. КУБАРЕВ, А. ЧУМАКОВ, г. Йошкар-Ола


