Построить простой, неприхотливый и надежный автомобиль меня, можно сказать, вынудили обстоятельства. Еще в приснопамятные времена всеобщего дефицита я приобрел видавший виды «Запорожец», который больше стоял в ремонте, чем ездил, ожидая, когда я найду нужные запасные части.
Через несколько лет таких мучений меня стала одолевать мысль самому построить ремонтопригодное и доступное по запчастям транспортное средство.
Кое-какой опыт самодельного конструирования у меня к тому времени имелся — до этого сделал аэросани, два мотоблока, небольшой трактор. Но подступиться к строительству машины все же опасался — я отдавал себе отчет в том, что подобная конструкция требует более высокого уровня и культуры исполнения.
Вариантов в голове было много. На осознание того, что я хочу (а точнее — что мне по силам и по карману), ушел еще год-другой.
В конце концов решил строить небольшую машину в стиле «джип» с недефицитным даже в то время мотоциклетным двигателем от «Иж-Юпитер». Мощность двигателя 27 л.с. позволяла рассчитывать на то, что небольшую машину он без проблем потянет с приличной скоростью.

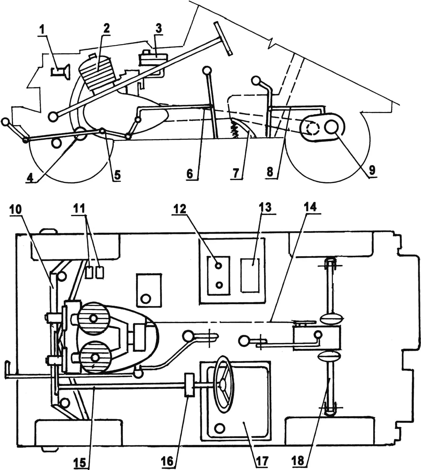
1 — колесо (от мотоколяски СЗД, 4 шт.); 2 — кик-стартер (мотоциклетный, удлиненный); 3 — бампер (стальная труба 60×40); 4 — повторитель сигнала поворота (2 шт.); 5 — капот с крыльями, облицовкой радиатора и перегородкой (дюралюминий, лист s2); 6 — съемная крышка (дюралюминий, лист s2); 7 — дверь (от мотоколяски, 2 шт.); 8 — электродвигатель привода стеклоочистителя (от трактора); 9 — рулевое колесо (от мотоколяски); 10 — рама; 11 — лопата; 12 — лобовое стекло (от мотоколяски); 13 — щетка стеклоочистителя (от трактора); 14 — боковое зеркало заднего вида; 15 — фара дальнего и ближнего света (от мотоколяски, 2 шт.); 16 — фонарь габаритного огня и сигнала поворота (автомобильный, 2 шт.); 17 — балка переднего моста (от мотоколяски); 18 — силовой агрегат (от мотоцикла «Иж-Юпитер»); 19 — зеркало заднего вида (автомобильное); 20 — тент (от грузового автомобиля); 21 — заднее окно (оргстекло); 22 — запасное колесо (от мотоколяски); 23 — задний сигнальный фонарь (автомобильный); 24 — лом; 25 — канистра емкостью 20 л; 26 — сиденье (от мотоколяски, 2 шт.); 27 — полуось (рулевой вал от автомобиля ЗиЛ, 2 шт.); 28 — главная передача (от грузового мотороллера «Муравей»); 29 — фонарь освещения номерного знака (от мотоколяски)
Ходовую часть, рулевое управление и некоторые другие узлы использовал от мотоколяски СЗД: в то время инвалидам органы социальной защиты выдавали уже «запорожцы», а мотоколяски (даже в весьма приличном состоянии) отправлялись в металлолом. Такая списанная мотоколяска послужила основой моей машины, которую автолюбители часто называют миниджип, хотя у нее ведущие колеса только задние и, наверное, правильнее будет ее назвать мотокар. Но силовой агрегат, в отличие от прототипа, разместил впереди и связал его с главной передачей цепью с шагом 15,875 мм от сельхозтехники. Главная передача — от грузового мотороллера «Муравей». В месте перехода цепи через поперечную балку рамы на последней закрепил натяжитель, который устраняет провис нижней ветви. Дополнительно цепь может натягиваться перемещением главной передачи в пазах кронштейнов ее крепления. Сверху цепь прикрывается съемным кожухом.
Полуоси привода задних колес сначала установил все от той же мотоколяски, но потом заменил их карданными валами с шарнирами от рулевого вала автомобиля ЗиЛ. Механизм рулевого управления, передний мост и его торсионная подвеска с амортизаторами использованы полностью (в сборе) от мотоколяски, от нее же — рычаги и подвески задних колес.
Глушитель двигателя — самодельный. Изготовлен из отрезка трубы диаметром 100 мм и длиной 350 мм. Заводится двигатель кик-стартером, удлиненный и изогнутый рычаг которого выведен за передний бампер.

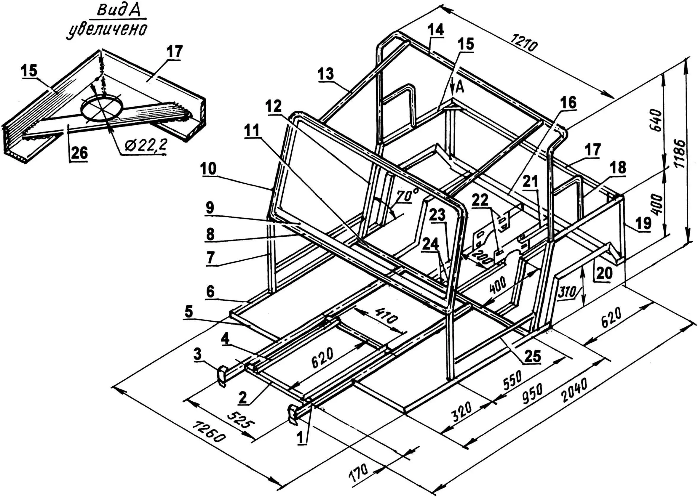
1 — основной лонжерон (труба 1 1/2″, 2 шт.); 2 — поперечина подмоторной рамы (труба 1/2″); 3 — фланец крепления бампера (лист s3, 2 шт.); 4 — лонжерон подмоторной рамы (уголок 20×20); 5 — поперечина пола (уголок 20×20, 2 шт.); 6 — дополнительный лонжерон (уголок 20×20, 2 шт.); 7 — передняя стойка (уголок 20×20, 2 шт.); 8 — порог (уголок 20×20, 2 шт.); 9 — панель лобового стекла (лист s2); 10 — рамка лобового стекла (труба 1/2″); 11 — поперечная балка (труба 1 1/2″); 12 — средняя наклонная стойка (труба 1 1/2″, 2 шт.); 13 — перемычка (труба 1/2″, 2 шт.); 14 — дуга безопасности (труба 1 1/2″); 15 — стрингер бокового борта (уголок 20×20, 2 шт.); 16 — задняя балка (труба 60×40); 17 — задняя поперечина (уголок 20×20); 18 — подкос (труба 1/2″, 2 шт.); 19 — задняя стойка (уголок 20×20, 2 шт.); 20 — дуга колесной ниши (уголок 20×20, 4 шт.); 21 — задняя подвеска кронштейна; 22 — кронштейн крепления главной передачи (лист s4, 2 шт.); 23 — передняя подвеска кронштейна (уголок 20×20, 2 шт.); 24 — кронштейн крепления рычагов управления (лист s4, 2 шт.); 25 — порог (уголок 20×20, 2 шт.); 26 — косынка (лист s3, 2 шт.)
Кузов мини-джипа тоже полностью самодельный. Его основой является сварной пространственный каркас, собранный из металлопроката различного сортамента: труб прямоугольного и круглого сечения, уголков — в общем, из того, что было на тот момент под руками — лишь бы материал обеспечивал надлежащие прочность и жесткость.
Составными элементами каркаса можно считать и подмоторную раму, и разные кронштейны крепления узлов трансмиссии и подвесок, поскольку они приварены к нему. Большинство стыков деталей каркаса усилены косынками, хотя на рисунке они не показаны. К элементу каркаса можно отнести и приставную дугообразную заднюю стойку — она устанавливается тогда, когда на каркас натягивается тент.
Обшивка кузова комбинированная — из различных материалов. Передняя часть: кожух, крылья, облицовка радиатора и перегородка между моторным отсеком и салоном выполнены как одна деталь из листового 2-мм дюралюминия. Эта часть (назовем ее одним словом — капот) — легкосъемная и крепится к раме с помощью пружинных фиксаторов от ГАЗ-69. Убрав капот, можно обеспечить свободный доступ к силовому агрегату, переднему мосту и даже органам управления.

1 — вентилятор (от ГАЗ-51, 2 шт.); 2 — силовой агрегат (от мотоцикла «Иж-Юпитер»); 3 — расходный бензобак емкостью 3 л; 4 — глушитель (самодельный, труба Ø100); 5 — рычаг кик-стартера (от мотоколяски, доработанный); 6 — механизм переключения передач (рычаг, тяга и рукоятка, от мотоколяски); 7 — натяжитель цепи (башмак и пружина, самодельный); 8 — механизм включения задней скорости (рукоятка, тяга, рычаг — от мотоколяски); 9 — картер главной передачи (от грузового мотороллера «Муравей»); 10 — балка переднего моста (от мотоколяски); 11 — катушки зажигания (от мотоколяски); 12 — аккумулятор на 12 В (автомобильный); 13 — инструментальный ящик; 14 — цепь привода (t = 15,785, от сельхозтехники); 15 — механизм рулевого управления (от мотоколяски); 16 — электродвигатель механизма привода стеклоочистителя (от трактора); 17 — резервный бензобак на 18 л (от мотоколяски); 18 — полуось
Сверху на капоте есть еще съемная крышка с задним щелевым отверстием. Крышка служит для быстрого доступа к свечам, карбюратору, бензобаку, электроразъему, а через отверстие встречный поток воздуха, охлаждая цилиндры двигателя и нагреваясь, дует на лобовое стекло, не позволяя ему запотевать даже в холодную погоду. Под капотом смонтированы еще два вентилятора принудительного охлаждения двигателя, необходимые при медленном движении мотокара.
Двери — металлические, из стального листа. Они использованы тоже от мотоколяски. От нее же и лобовое стекло, взятое вместе с механизмом привода единственной щетки «дворника».
Пол салона под ногами водителя и пассажира — из дюралюминиевого листа толщиной 3 мм. Ниши задних колес за сиденьями закрыты оцинкованной кровельной жестью толщиной 0,8 мм, а съемный пол для доступа к главной передаче, как и капот, — тоже из дюралюминиевого листа толщиной 2 мм.
Борта — боковые и задний — обшиты фанерой, обтянутой стеклотканью, пропитанной синтетической смолой.
Крыша машины — съемный брезентовый тент с задним окном из оргстекла.

Передний бампер у мотокара — из прямоугольной трубы 60×40 мм, съемный. Вместо заднего бампера установлен массивный лом из стального прутка диаметром 25 мм. Машина экипирована запасным колесом, 20-литровой канистрой для воды, лопатой. Все это закрепляется на бортах машины снаружи, а внутрь еще укладываются топор, молоток, запасной бензобак на 18 л, буксировочный трос, домкрат.
Салон мотокара не только без излишеств, но, можно сказать, аскетичен: в нем всего два полноразмерных сиденья — для водителя и одного пассажира. За их спинками, на колесных нишах, могут (конечно, без особых удобств) разместиться два подростка. Под сиденьем водителя расположен резервный топливный бак на 20 л, а под сиденьем пассажира — аккумуляторная батарея и инструментальный ящик. На приборной панели — только самые необходимые приборы и датчики. Органы управления: сцеплением, тормозами и «газом» — как у обычной машины — с помощью педалей. Тормоза — с гидравлическим приводом на все колеса. Привод ручного тормоза — тросовый и только на задние колеса.
Общая длина мотокара составляет всего 2,2 м (на 400 мм меньше, чем у прародительницы-мотоколяски), ширина — 1265 мм, высота 1420 мм, колея — 1150 мм, база —1500 мм, дорожный просвет — 200 мм. Небольшие размеры, короткая база, высокий клиренс обеспечивают машине проходилость на бездоржье как у настоящего джипа. Двигатель позволяет развивать скорость до 80 км/час, но при этом становится слишком шумно, так что оптимальная скорость — 55 — 60 км/час.

В прошлом мотокар использовался даже для поездок в соседние области за много десятков и даже сотни километров, что для такой машины — путь не близкий, но всякий раз она его выдерживала.
Сейчас «Нахаленок» (так по прозвищу озорного мальчишки — одного из героев шолоховских произведений называют машину все знакомые) в основном используется для прогулочных поездок сыном Максимом. Он тоже проявляет значительный интерес к автомототехнике и сам собрал себе из разных агрегатов неплохой мини-мокик (сын с женой рядом с мотокаром — на фото в заставке).
Машина принимала участие в фестивалях «Самавто» последних лет, на которых отмечалась дипломами и различными призами. Но больше всего ей уделяют внимание, конечно же, подростки.
С. ПАНТЮХИН, г. Нижний Новгород


