Комбинированная настольная циркулярная пила необходима каждому модельному кружку. Она облегчает выполнение целого ряда работ по дереву; кроме того, заменив на станочке инструмент, можно шлифовать деревянные детали, полировать металлические поверхности, производить заточку.
Для изготовления такого станка необходим однофазный электродвигатель мощностью 150—200 Вт, делающий 2500—3000 об/мин, или трехфазный электродвигатель, в котором объединены две из трех фаз через «бумажный» конденсатор емкостью 20—40 мФ, рассчитанный на напряжение 500—600 В. Реверс электродвигателя осуществляется переключением фаз.
Конструкция циркулярной пилы, изображенной на рисунках 1 и 2, рассчитана на использование электродвигателя с выходом вала с обеих сторон корпуса.

1 — станина, 2 — выдвижная стенка (фанера), 3 — столик (фанера), 4 — дисковая пила или фреза Ø 120 — 150 мм, 5 — направляющая линейка (сталь), 6 — винт-фиксатор с шайбой, 7 — направляющая (сталь), 8 — кронштейн (сталь), 9 — шлифовальный круг.
На станке устанавливаются дисковые пилы, а при их отсутствии можно с успехом использовать дисковые фрезы — Ø 75—150 мм и толщиной 0,8—1,5 мм.
Станина станка делается из брусков дерева твердых пород сечением 30×30 мм и собирается в шип на клею. Две боковые стенки, вырезанные из фанеры толщиной 4—5 мм, вклеены в выбранный в брусках шпунт. Две другие — выдвижные, причем одна из них имеет щель под вал электродвигателя.
К нижней раме станины крепится основание толщиной 10 мм. На нем при помощи болтов и гаек устанавливается электродвигатель.

1 — зажимная гайка, 2 — дисковая пила (фреза), 3 — подшипник, 4 — вал, 5 — брусок станины, 6 — приводной ремень, 7 — шкив, 8 — гайка, 9 — столик, 10 — винт-фиксатор, 11 — обойма подшипника, 12 — ступенчатая шайба.
Размеры станины определяются габаритами электродвигателя. Один из концов вала должен выступать наружу — для насадки наждачного или полировального круга.
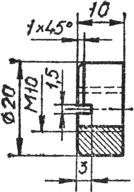
Верхние соединительные бруски станины служат основанием для вала пилы. В местах их установки выдалбливаются гнезда на глубину 5—6 мм. Подшипники радиальные, однорядные, с внутренним диаметром 12—15 мм и наружным 40 мм; крепятся скобами из листовой стали толщиной 2— 3 мм.

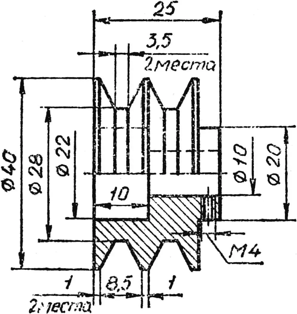
Валик, шкивы, ступенчатая шайба под фрезу и гайки выточены из стали. Шейки вала подгоняются к внутреннему диаметру подшипников.
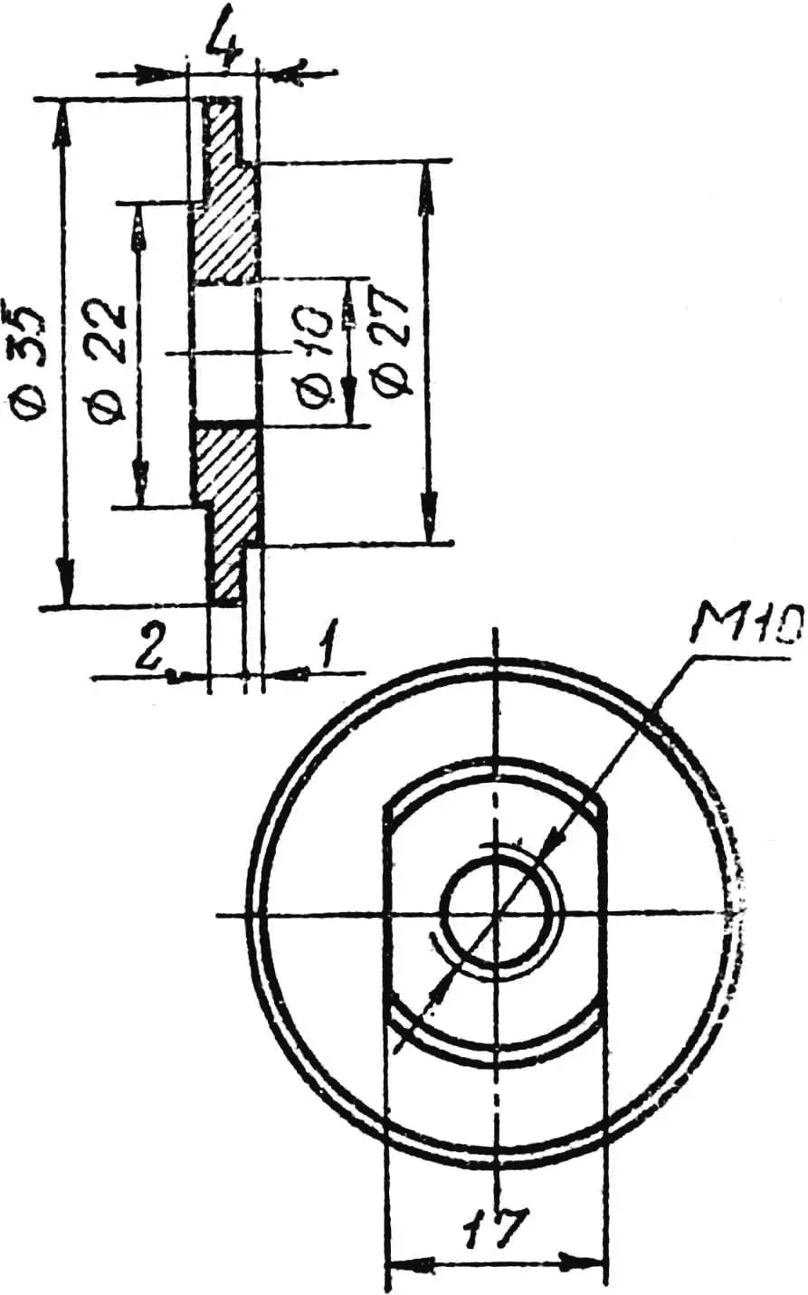
На шайбах делаются два буртика под отверстия в фрезах Ø 22 и 27 мм или же по диаметру внутреннего отверстия дисковой пилы. Такая конструкция позволяет пользоваться одной шайбой для различных фрез.

Шкив крепится на валу электродвигателя стопорным винтом М4.
Для изготовления реек на столике циркулярной пилы закрепляется двумя зажимными винтами передвижная направляющая линейка.
Регулировка высоты выхода дисковой пилы для прорезки шпунтов и шипов осуществляется подъемом столика. Последний изготавливается из фанеры толщиной 6—8 мм, пластмассы или листового металла толщиной 4—5 мм. Одна сторона столика крепится к стойкам станины на петлях (длиной до 30 мм), другая поддерживается дугами с прорезями, в которые пропускаются два зажимных винта М5 с шайбами.

Между шкивами циркулярной пилы и электродвигателя натягиваются приводные ремни. Для этого можно использовать ремень круглого сечения от привода ножной швейной машины.
Для удаления опилок под диском пилы к станине прикрепляется желоб, согнутый из жести. В месте выхода желоба в фанерной стенке прорезается окно.

Для шлифовки деревянных изделий на вал мотора надевается съемный фланец, к которому четырьмя шурупами прикрепляется фанерная шайба с наклеенной крупнозернистом наждачной бумагой. Фланец с шайбой закрепляется на валу электродвигателя стопорным винтом.
На шлифовальном круге можно обрабатывать не только плоскости, но и детали с наружными радиусами закруглений.

К станине циркулярной пилы на двух винтах с шайбами крепится съемный кронштейн из листовой стали толщиной 2—2,5 мм. Он является упором для шлифуемой детали. В местах установки лап кронштейна врезаются и крепятся шурупами к станине планки, каждая из которых имеет направляющий штырь, препятствующий повороту кронштейна.
При полировке деталей вместо шлифовальной шайбы ставится полировальный круг на насадке. Насадка с полировальным кругом надевается на вал электромотора и закрепляется винтом М4. Диаметр полировального круга для двигателя на 2500—3000 об/мин составляет 100—150 мм.

Полировальный круг изготавливается из отдельных квадратных кусков бязи или другой хлопчатобумажной ткани, укладываемых один на другой, как показано на рисунке 9. Направление нитей каждого последующего слоя не должно совпадать.

Новый полировальный круг надевают на вал мотора и, включив электродвигатель, обрезком трубы выравнивают его поверхность (рис. 9). Отдельные концы прядей отделяются, а другие — разлохмачиваются по окружности. На круг наносится полировочная паста, и можно начинать полировку деталей. Во избежание несчастных случаев полируемые детали нельзя держать в руках. Их следует прочно укреплять в оправках-держателях, оголяя только полируемую поверхность.

А — общий вид, Б — схема поворота стола, В — регулируемая щель стола.
Установив на вал электромотора небольшой наждачный круг, можно затачивать инструмент и шлифовать металлические детали.

Если у электродвигателя имеется только один конец выходного вала, то полировальный круг надевается на место дисковой пилы. Стол в этом случае делается съемным.
«М-К» 10’76, А. КОЧЕРГИН, А. ЕФИМОВ


