Бачок від відпрацьованої свій ресурс пральної машини активаторного типу, ведений барабан муфти керування від списаного трактора Т-74 та трифазний електродвигун — ось основа для саморобної млини-зернодробарки. Її конструкція переносна, що дуже важливо для використання на невеликих фермах і в особистому господарстві.
Основна частина такої млини — дробильна камера. Як барабан використана згадана деталь від муфти керування Т-74. Усередині вона ребриста, що має велике значення. Разом із молотками, встановленими на чотирьох осях обертового ротора, ці ребра і формують дробильні органи електромлини.
Молотки краще брати стандартні, від промислових зернодробарок, але можна виготовити й самостійно у домашній майстерні.

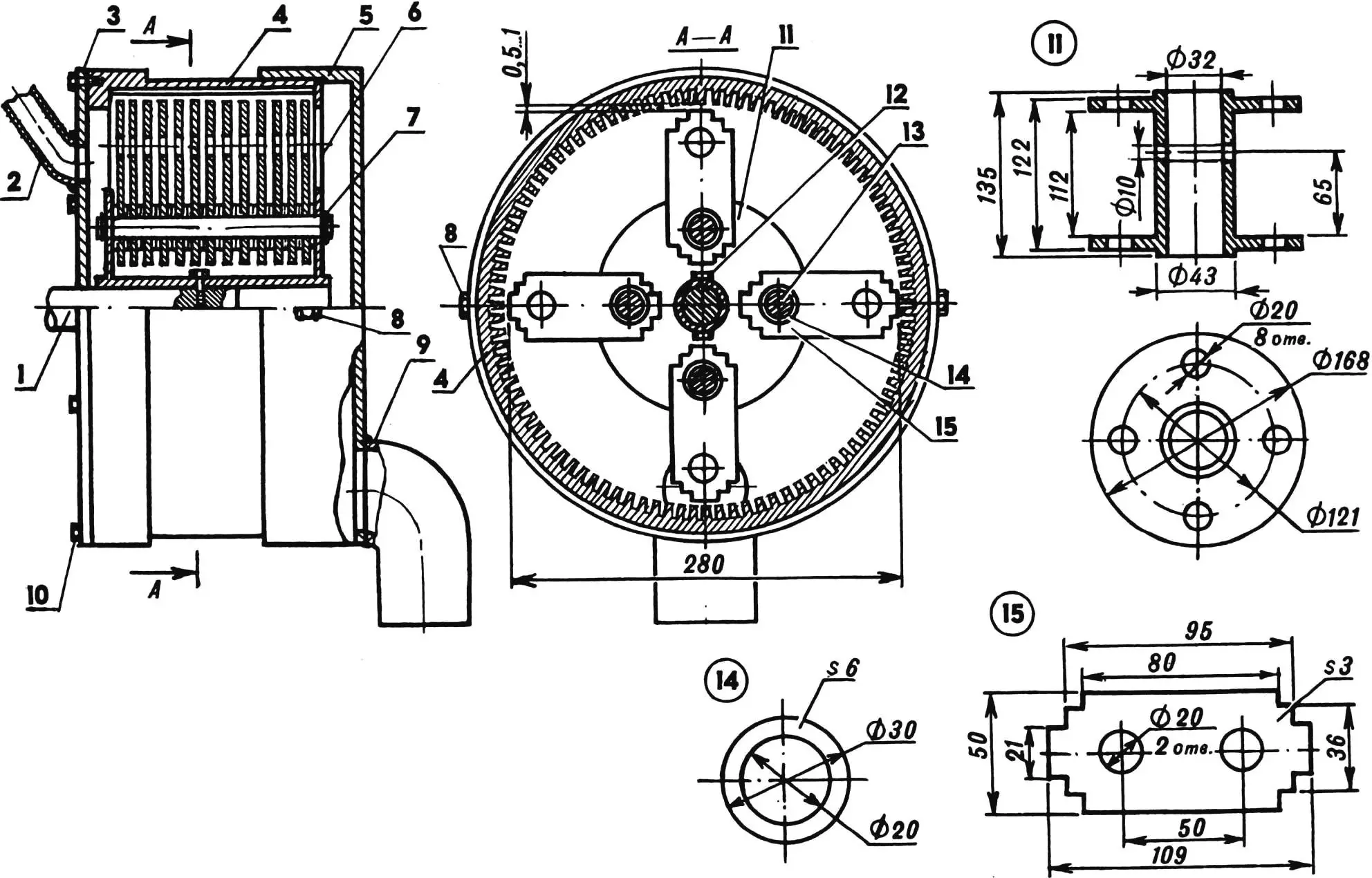
1 — зерноприймальний бункер (бачок від пральної машини активаторного типу); 2 — вхідний патрубок; 3 — дробильна камера (ведений барабан муфти керування трактора Т-74); 4 — саморобний 52-молотковий ротор; 5 — вихідний патрубок; 6 — рама-основа; 7 — підставка; 8 — асинхронний електродвигун; 9 — кронштейн; 10 — заслінка
На роторі ці молотки встановлюються з можливістю їх легкого повороту на осях. Один від одного вони відділяються шайбами. За відсутності таких шайб доводиться користуватися саморобними, аж до менш трудомістких квадратних завтовшки 6 мм. Тоді між молотками потрібно ставити лише по одній шайбі.
На кожній осі монтується по тринадцять молотків. Отже, всього на роторі їх 52. Але якщо молотки не стандартні, а виготовлені, скажімо, зі сталевого листа, товщина якого перевищує 3 мм, то потрібна їх кількість зменшується через габарити камери та граничну довжину осей.
Найвідповідальніша деталь — корпус ротора. Діаметр центрального отвору в ньому має відповідати діаметру вала, на який цей ротор насаджується. Та й відстань між щічками строго фіксована, не кажучи вже про точне витримування зазору між ротором і внутрішньою ребристою поверхнею дробильної камери.

Усі чотири комплекти зібраних молотків, осей і шайб повинні бути рівними за масою. Це потрібно для досягнення максимальної збалансованості ротора. Адже погана балансування такого відповідального вузла, що обертається з величезною швидкістю, призводить до вібрації, що загрожує поломкою машини.
Обидві кришки барабана виготовляються зі сталевого листа товщиною 5 мм. У плоску кришку вваривається вхідний патрубок (для подачі зерна) з внутрішнім діаметром 50 мм, а в профільну — вихідний (для випуску готової продукції) з внутрішнім діаметром не менше 150 мм.
Як показала практика, для саморобної млини-зернодробарки цілком прийнятні асинхронні електродвигуни з короткозамкненим ротором (потужність від 1,1 до 10 кВт з частотою обертання приблизно 3000 об/хв). Вибір того чи іншого двигуна обумовлений потрібною продуктивністю. Так, млин-зернодробарка, з’єднана з електродвигуном потужністю 4 кВт і частотою обертання ротора 2880 об/хв, здатна перемолоти 50 кг зерна за 5—8 хвилин.
Якщо електродвигун тихохідний, то потрібної частоти обертання зернодробильного ротора можна досягти, скориставшись клинопасовою передачею. За бажання швидкість обертання ротора легко змінити підбором шківів.
Як зерноприймальний бункер підходить бак від відпрацьованої свій ресурс пральної машини з донним (до того ж похилим) розташуванням активатора. Останній, звісно, видаляється, а отвір у дні бака заварюється. Зливний отвір обладнується заслінкою і до нього приєднується приймальний патрубок.

1 — вал; 2 — вхідний патрубок; 3 — плоска кришка; 4 — дробильна камера; 5 — профільна кришка; 6 — кільце-сепаратор дрібного помолу; 7 — розрізна замкова шайба (8 шт.); 8 — гвинт М8 фіксації профільної кришки (2 шт.); 9 — вихідний патрубок; 10 — гвинт М6 (6 шт.); 11 — корпус ротора; 12 — болт М10; 13 — вісь (4 шт.); 14 — шайба (56 шт.); 15 — молоток (52 шт.)
Зерно надходить у дробильну камеру збоку: якби вхідний патрубок був змонтований зверху, то відцентрова сила, відкидаючи сировину, що переробляється, до ребристих стінок камери, створювала б затори, заважаючи засипанню нових порцій зерна. Дробильна камера нахилена під кутом 25—30° до горизонту для того, щоб перероблена сировина через вихідний патрубок висипалася в підставлену знизу ємність (на рисунках не показано).
Продукція млини-зернодробарки виходить неоднорідною: 75 відсотків — дрібна фракція (борошно) і 25 — крупна (діаметр крупинок до 2 мм). Якщо такий помел не влаштовує, то в дробильну камеру встановлюється кільце-сепаратор із білої жерсті. Внутрішній діаметр у кільця 250—280 мм (чим він менший, тим дрібніший помел). Сепаратор встановлюється так, щоб боком він щільно прилягав до торця ребристого барабана.
Однак слід враховувати, що при використанні такого сепаратора продуктивність млини-крупорушки знижується.
Підключати саморобну млин-зернодробарку, яка має розрахункову потужність 3 кВт і більше, рекомендується з усіма заходами безпеки і тільки до трифазної мережі. Одно- і двокіловатні можна живити й від однофазної побутової мережі за схемою з пусковим і фазозсувним конденсаторами (див. «Моделіст-конструктор» № 8 за 1999 рік).
В. МОТУЗАС, Литва
