Орати можна по-різному. В основному вибір способу оранки залежить від розмірів земельного наділу та наявності у його господаря засобів механізації.
Однак на присадибних ділянках невеликої площі сьогодні найбільш застосовні різного роду мотоблоки та лебідки. Перші зручні тим, що продуктивні, економічні, поворотливі. Останні ж беруть верх там, де не те що міні-трактору — навіть мотоблоку не розвернутися, тобто на незручностях. Але й у цьому випадку перед господарем подвір’я знову постає вибір, на яку лебідку орієнтуватися — моторизовану чи електрифіковану.
Тим не менш є й третій шлях — озброєння землероба яким-небудь універсальним засобом, що володіє одночасно перевагами як міні-трактора, так і лебідки.
Цей шлях обрав Віктор Дмитрович Бережний, самодіяльний конструктор з міста Валдай, що в Новгородській області. На своїй дачній ділянці він оре землю за допомогою міні-лебідки власного виготовлення.
Як і всі оранкові лебідки, валдайська теж обслуговується двома операторами: один керує її приводом від саморобного міні-трактора-тягача, другий — плугом у полі.

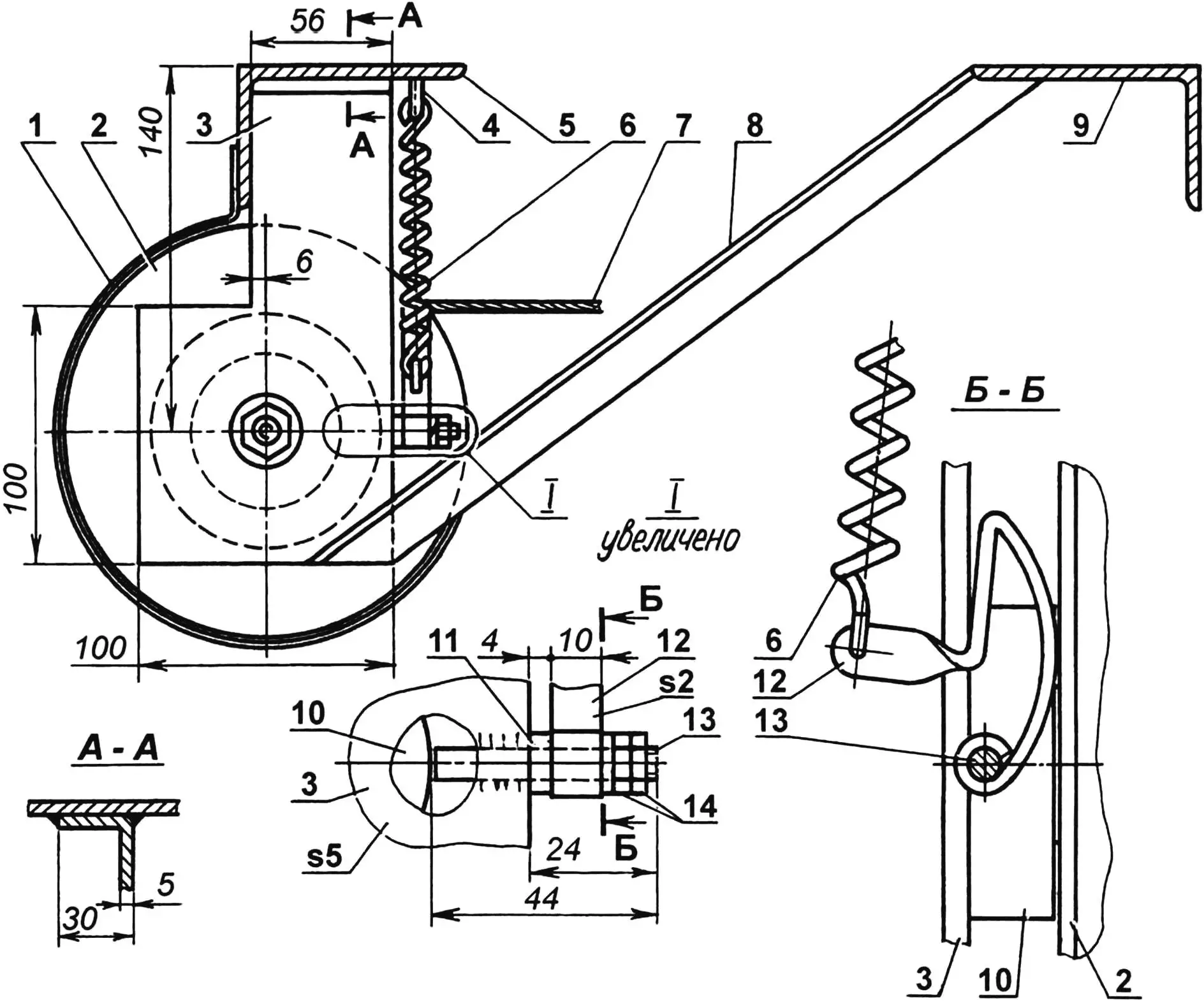
1 — захисний кожух (сталь, лист s1); 2 — тросова котушка; 3 — кронштейн кріплення до рами (сталь, лист s5, 2 шт.); 4 — гачок кріплення пружини; 5,9 — полиці кріплення двигуна до рами тягача; 6 — пружина пригальмовуючого пристрою; 7 — робочий трос; 8 — підкіс (куточок 20x20x3, 2 шт.); 10 — корпус підшипника 204; 11 — дистанційна шайба; 12 — пригальмовуюча лапа (сталь, лист s2); 13 — вісь пригальмовуючої лапи (шпилька М6); 14 — гайки М6 з шайбою Гровера
Лебідка приводиться в дію від двигуна трактора за допомогою механізму відбору потужності (МВП), встановленого на коробці передач (на тягачі вона — від автомобіля ГАЗ-51). Цей механізм, що висував колись велику антену на мобільній радіостанції, має важіль управління з трьома положеннями: «вперед», «стоп» та «назад». Перше не використовується, оскільки при «стоп» та вимкненій лебідці трос можна легко розмотати і вручну. Це робить другий оператор, відкочуючи плуг на вбудованому в нього колесі до початку нової борозни. Зайнявши там вихідну позицію, він подає знак першому оператору. Той вмикає лебідку та переводить важіль механізму відбору потужності в положення «назад». Котушка починає обертатися, намотуючи трос, і плуг, керований другим оператором, вгризається в землю.
Після проходу чергової борозни весь цикл дій операторів повторюється до закінчення оранки ділянки.
Тепер конкретно про те, де на тягачі розташована міні-лебідка і як вона влаштована.

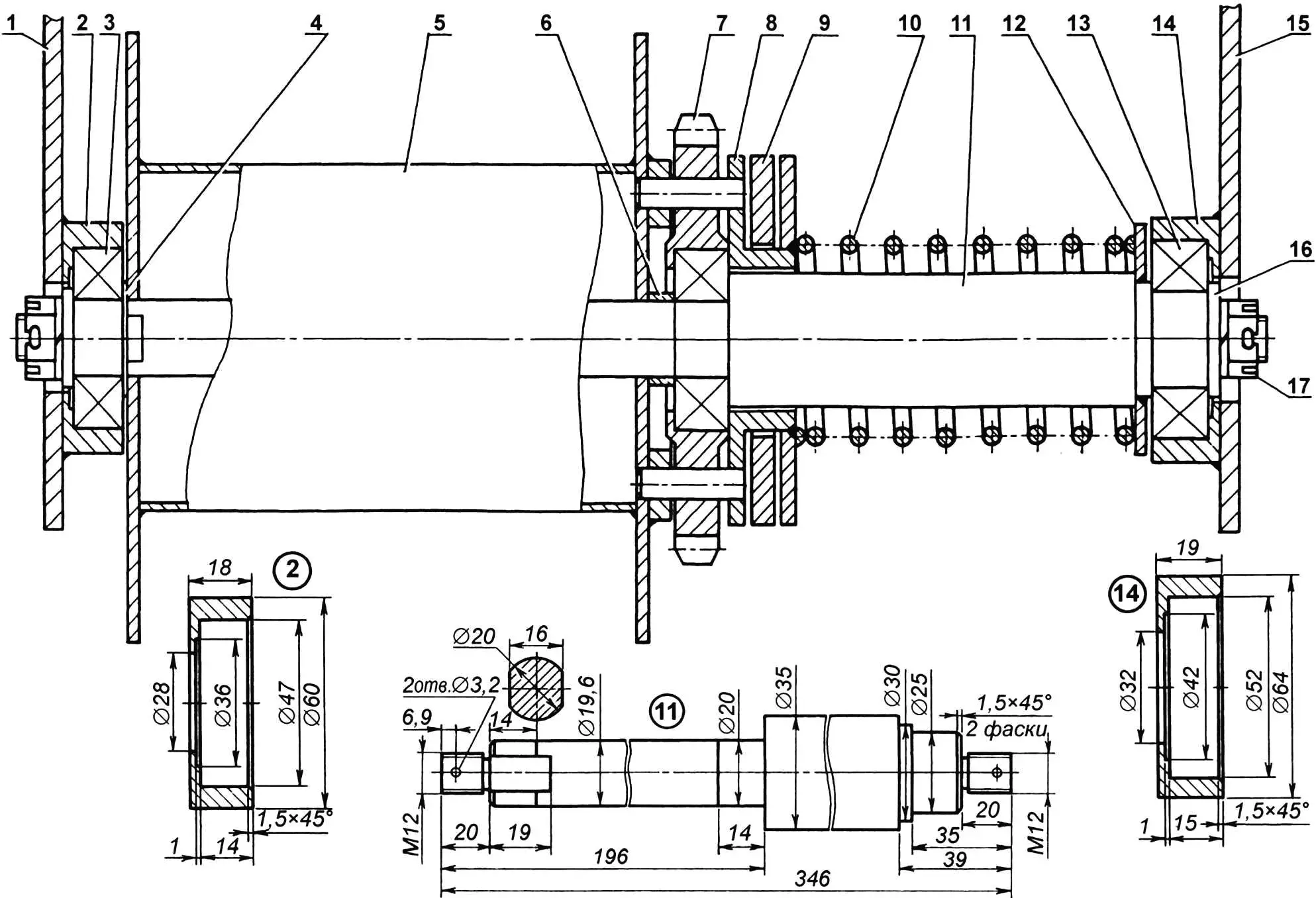
1,15 — кронштейни кріплення до рами тягача; 2,14 — корпуси підшипників; 3 — підшипник (№204, 2 шт.); 4 — шайба-прокладка (s1); 5 — тросова котушка; 6 — дистанційна втулка (сталь, труба 24×2, L7); 7 — зірочка (z = 18, t = 19,05); 8 — муфта; 9 — натискне кільце: 10 — пружина; 11 — вал; 12 — опорне кільце; 13 — підшипник №205: 16 — затискна шайба (s3, 2 шт.); 17 — прорізна гайка М12 (2 шт.)
Рама міні-трактора має дві потужні поперечні полиці з куточка розмірами 90x56x6 мм, на яких встановлений двигун. Кронштейни кріплення лебідки приварені до задньої (за ходом руху) полиці знизу. У поперечному відношенні місце для лебідки вибиралося так, щоб її зірочка знаходилася в одній площині зі зірочкою механізму відбору потужності на КПП.
Оскільки зусилля на тросі при оранці немалі, кронштейни, виконані навіть з товстого сталевого листа, можуть не витримати. Щоб цього не сталося, вони підперті працюючими на стиск двома підкосами з куточка 20x20x3 мм, привареними до передньої полиці кріплення двигуна.

1 — натискне кільце; 2 — шайба-стінка (сталь, лист s4); 3 — корпус; 4 — штифт (сталь, пруток Ø8, 6 шт.)
Сама лебідка складається з кількох досить простих вузлів та деталей. В основі її — обертається в двох підшипниках ступінчастий вал, на який насаджені котушка з тросом, зірочка на своєму підшипнику, штифтова муфта та пружина стискання.
В робочому — ввімкненому — положенні лебідки штифти пронизують і зірочку, і муфтове кільце на лівій щокі котушки наскрізь. Таким чином, зусилля від двигуна через коробку передач, механізм відбору потужності, ланцюг та зірочки передається котушці, і та, обертаючись, намотує трос на свій барабан.

1 — велике здвоєне плече; 2 — мале плече; 3 — косинки; 4 — вісь повороту (сталь, пруток Ø12);
матеріал деталей 1,2,3 — сталь, смуга 30×4
Коли ж треба припинити намотування та звільнити трос для повернення плуга до початку борозни, перший оператор зупиняє лебідку переведенням важеля МВП в положення «стоп», а потім вимикає її рухом ручки механізму управління назад. Послідовно спрацьовують елементи цього механізму — жорстка тяга, гойдалка, водило та натискне кільце. Під натиском останнього муфта, подолавши опір пружини на валу лебідки, виводить свої штифти з зачеплення з муфтовим кільцем та зірочкою. Тепер котушка вільна.

1 — кільце (сталь, лист s6); 2 — вісь (шпилька М8, 2 шт.)
Щоб трос змотувався рівномірно і не заплутувався, в конструкції лебідки передбачено найпростіший пристрій пригальмовування котушки. Він складається зі зігнутої сталевої лапи та пружини розтягування. Лапа насаджена на вісь-шпильку, приварену до правого кронштейна кріплення лебідки з боку підшипника, а пружина надіта на вушко лапи та на різьбовий гачок, ввернутий у задню полицю кріплення двигуна.
Таким чином, лапа весь час опиняється притиснутою до правої щоки тросової котушки. Тим, що сталь тут треться об сталь, можна знехтувати — це не той випадок, коли необхідний складніший механізм.

1,3 — щоки (сталь, лист s3); 2 — барабан (сталь, лист s2); 4 — муфтове кільце
При намотуванні троса кутова швидкість обертання котушки невелика, і так само невеликий опір пригальмовуючого пристрою. Досить помітним воно стає лише при розмотуванні: котушка не розганяється і не випереджає трос.
Основний технологічний спосіб збирання деталей у вузли, застосований при виготовленні лебідки, — це зварювання.
Труднощів при з’єднанні кронштейнів з корпусами підшипників та вала з опорним кільцем пружини не зустрілося. Набагато складніше було зварити котушку та муфту.
Варіантів збирання котушки багато. Але як найпростіший можна рекомендувати наступний.

1 — ухват (сталь, смуга 22×4); 2 — вісь повороту (сталь, пруток Ø8)
На готових щоках треба циркулем окреслити кола, що відповідають діаметру барабана. Прорізати в щоках осьові отвори. Закріпити на верстаті одну щоку і надіти на неї під кутом 120° по відношенню один до одного три струбцини так, щоб їх верхні губки торкалися окресленого кола. Встановити на щоку барабан, притиснути чим-небудь і прихопити по колу кількома зварними точками. Зняти струбцини і остаточно приварити барабан суцільним швом. Так само приєднати другу щоку та муфтове кільце.
Що стосується самої муфти, то збирати її простіше. Головне, не забути після запресування в отвори корпусу штифтів надіти на корпус натискне кільце і лише після цього приварювати шайбу-стінку.

1 — ручка управління (рухом вперед лебідка вмикається, назад — вимикається); 2 — лівий задній кут рами тягача; 3 — жорстка тяга (сталь, пруток Ø8); 4 — вушка на рамі тягача; 5 — гойдалка;
6 — водило; 7,9 — шарнірні з’єднання; 8 — натискне кільце муфти
Зірочка з запресованим у неї підшипником №204 — від якогось сільськогосподарського агрегату. В ній залишалося лише просвердлити шість отворів під штифти.
Природно, що лебідка використовується протягом одного-двох днів при оранці і більшу частину року катається на тягачі баластом. А в дорозі може всяке статися: раптом водій ненароком зачепить важіль або механізм відбору потужності самовільно вмикнеться від тряски. Так ось, щоб запобігти випадковому спрацюванню лебідки (і, як наслідок — розрив або, навпаки, розмотування троса під колесами рухомого тягача), передбачено фіксування ручки механізму управління в положенні, при якому лебідка вимкнена, тобто коли пружина віджата і штифти муфти виведені з зачеплення зі зірочкою.
Можна повторитися і констатувати, що конструкція лебідки досить проста. Ця простота продиктована функціональною та часовою обмеженістю її використання. Однак будь-яку конструкцію можна вдосконалити, було б бажання. В даному випадку поле для модернізації дуже і дуже широке.
«Моделіст-конструктор» № 10’2004, А. НИКОЛАЄВ
