В наше время можно купить любой инструмент, любой механизм. Однако все это стоит немалых денег.
Для хозяйственных нужд техникума, в котором я преподаю, понадобился компрессор. Но линейка цен на компрессоры китайского производства (далеко не лучшего качества) начиналась с восьми тысяч рублей и росла в зависимости от улучшенных технических характеристик агрегата.
Тогда мы с ребятами из кружка «Техническое творчество» задались целью сконструировать этот агрегат с минимальными затратами, используя подручные материалы.
За основу был взят двухцилиндровый воздушный насос-нагнетатель со списанного автомобиля ЗИЛ-130. Другие комплектующие использовали от самой разной, тоже списанной техники. Ресивер объемом 60 литров — от грузовика ИФА (был такой, производства еще ГДР). Электродвигатель мощностью 3 кВт с числом оборотов 1500 в минуту — от насосной станции.

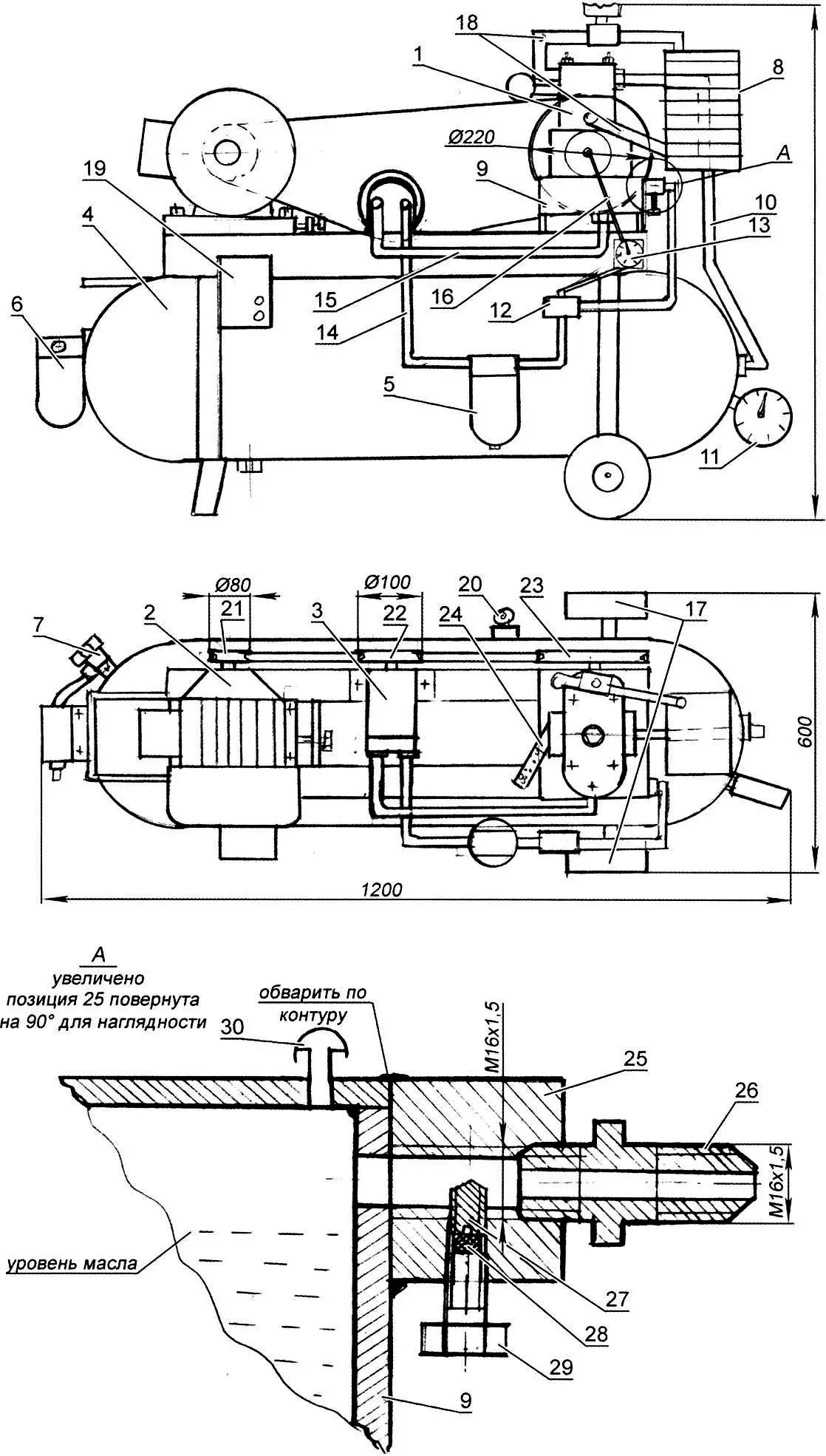
1 — воздушный насос-нагнетатель (от автомобиля ЗиЛ-130); 2 — электродвигатель (от металлорежущего станка, N=3 кВт, n=1500 об/мин.); 3 — масляный насос (от металлорежущего станка); 4 — ресивер (от грузовика ИФА, V=60 л); 5 — масляный фильтр (от трактора Е-150); 6 — воздушный фильтр-отстойник; 7 — вентиль; 8 — радиатор охлаждения масла (от автомобиля ЗиЛ-130); 9 — картер компрессора; 10 — воздухопровод; 11 — воздушный манометр; 12 — тройник; 13 — манометр давления масла; 14 — масляная магистраль; 15 — «обратка»; 16 — магистраль масла в компрессор; 17 — колесо (2 шт.); 18 — подводной и отводной шланги к радиатору охлаждения; 19 — автомат АП; 20 — регулятор давления; 21 — ведущий шкив (электродвигателя); 22 — ведомый шкив (насоса); 23 — ведомый шкив (компрессора); 24 — воздухофильтр; 25 — распределитель масла; 26 — штуцер магистрали масла; 27 — регулировочный винт М8х1; 28 — прокладка (резина); 29 — стопорный винт М8х1; 30 — сапун
Для очистки масла был использован масляный фильтр, который установили на двигатель трактора Т-150.
Привод масляного насоса и коленчатого вала воздушного насоса (нагнетателя) осуществляется посредством клиноременной передачи. Зубчатый ремень и ручьи шкивов имеют профиль А. Как известно, компрессор ЗИЛ-130 смазывается и охлаждается из соответствующих систем двигателя автомобиля, и поэтому нам нужно было решить две проблемы: автономно «смазать» и «охладить» воздушный насос-нагнетатель. Для смазки установили шестеренчатый насос от станции подачи эмульсии токарного станка. Но так как у этого насоса довольно большая производительность — около 5 л/мин., пришлось сконструировать мини-распределитель, который большую часть масла отправляет на «обратку». Давление части масла, поступающего в компрессор, контролируется манометром. Охлаждение воздушного насоса-нагнетателя жидкостное (сначала заливали тосол, а потом — воду) посредством радиатора, в качестве которого была использована «печка» автомобиля ГАЗ-53. Продолжительная эксплуатация компрессора показала эффективность системы охлаждения и смазки.

Самодельные детали для компрессора: поддон (из стального 2-мм листа толщиной два миллиметра), шкив привода компрессора и распределитель масла. Рама компрессора сварена из уголка размерами 50×50 мм. К ней крепится хомутами ресивер -сосуд, работающий под давлением, и сварка здесь не желательна. Для регулирования давления в ресивере установлен предохранительный клапан («сапун») от пневматической системы автомобиля ЗИЛ-130. Очищает сжатый воздух от посторонних взвесей фильтр-отстойник от станка НБ-18 (гильотинные ножницы).


Максимальное давление, создаваемое агрегатом, — 1,2 мПа (12 атм.), а если поддерживать в системе давление 0,5 мПа, то он может работать несколько часов без остановки.
Компрессор был изготовлен всего-то за три дня, а затраты на него по нынешним временам оказались совсем невелики — около 30$.
В. ШКАРИН, п. Строитель, Белгородская обл.


