Иметь в фермерском хозяйстве или на личном подворье добротную высокопроизводительную крупорушку не прихоть, а скорее — жизненная необходимость. Особенно, если учесть высокую стоимость готовых «покупных» комбикормов и частое несоответствие их качества рекламируемым. Однако на какой конкретной конструкции из существующего многообразия измельчителей (в том числе и самодельных разработок, публиковавшихся в разное время на страницах журнала «Моделист-конструктор») остановить свой выбор?
Заслуженной популярностью пользуются, например, центробежные крупорушки (см. рис. 1). Принцип их действия, да и сами конструкции во многом напоминают всем известную электрокофемолку. Зерно разрушается ножами, вращающимися с большой скоростью, интенсивный его срез происходит у стенок, куда сырье отбрасывается центробежной силой. Оперативной регулировки измельчения здесь не предусматривается (см. табл.); размер срезанной фракции определяется ячейками сита, а производительность — остротой ножей, их размерами и скоростью вращения.
| Тип (класс) крупорушки | Разруш. зерна | Рабочие органы машины | Способ регулир. констр. | Публикации в журнале «М.-констр.» | |
|---|---|---|---|---|---|
| срез | сжатие | ||||
| Центробежная | + | — | ножи | нет | 7’84 |
| Шнековая | — + | — + | шнек | затрудн. | 12’93 |
| Мельничная | + | — | жернова | сложный | 6’97 |
| Вальцовая | — + | — + | вальцы | простой | 6’97 |
| Комбинированная | + | + | сочетание | затрудн. | 5’01 |
В шнековых крупорушках имеет место и срез, и смятие зерна благодаря вращающемуся стальному многограннику (обычно это — шестигранник или — в ряде самодельных конструкций — шлицевая часть от карданного вала) и колодкам с закаленными шлицами. Получающийся при этом продукт обычно перемещается вдоль оси, чему способствует смещение выходного отверстия вперед относительно входного бункера. Основные недостатки: притупление граней, приводящее к снижению производительности, и отсутствие четкой градации размеров получаемых фракций вследствие проскакивания слабо размолотых зерен в моменты появления «нулевых углов поворота» рабочих граней. Более совершенные конструкции с винтовым (как у бытовой мясорубки) шнеком, но их можно отнести к комбинированным измельчителям, ибо после шнека здесь к работе подключается еще и нож.

У мельничных крупорушек, пожалуй, древнейшая «родословная», что во многом обусловливается распространенностью в природе абразивного камня, а главное — его твердостью. Наждачный круг, используемый для жерновов, практически все время остается «острым», в отличие от металлических рабочих поверхностей всех других измельчителей, которые приходится то и дело затачивать. Основной недостаток мельничных крупорушек— большая сложность регулировки рабочего зазора Л.
Вальцовочные измельчители зерна, желудей и подобного им сырья отличаются простотой и точностью регулировки зазора Л. Как и у шнековых крупорушек, профиль зубцов может иметь разнообразное очертание. Однако рабочие поверхности вальцов со временем притупляются, и, если остроту их граней не восстанавливать, крупорушка работает в менее экономичном режиме — на смятие.
При изготовлении крупорушек данного типа в условиях домашней мастерской один из вальцов (или даже оба) заменяют цилиндрической теркой (см., например, второй вариант разработки, опубликованной в № 6 журнала «Моделист-конструктор» за 1997 г.), и если она имеет калиброванную сетку, то в итоге можно получать фракции строго заданного размера.
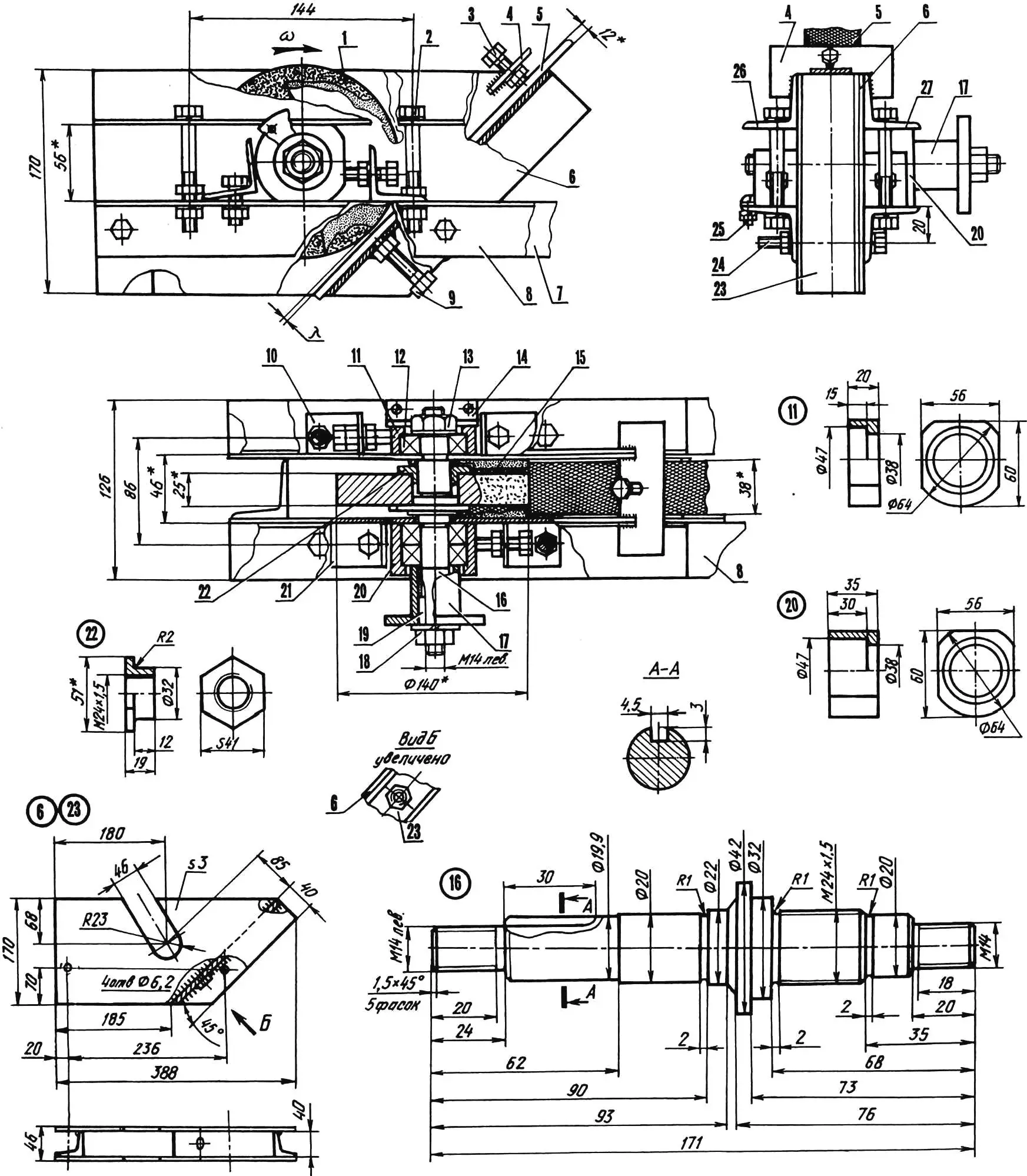
К числу комбинированных крупорушек с минимальным проявлением указанных выше недостатков можно отнести самодельную конструкцию «Хадыженская», смастерить которую и предлагается читателям журнала «Моделист-конструктор». В ее основе — наждачный круг (закрепляемый на горизонтальном валу, вращающемся в однорядных радиальных шарикоподшипниках 80204 с двумя защитными шайбами) и устанавливаемый наклонно, на расстоянии Л от него (рабочий зазор), драчевый напильник.
Исходное сырье увлекается вращающимся наждачным кругом в пространство между цилиндрической поверхностью наждака и напильником Л, где и измельчается до нужной фракции. Требуемая величина Л выставляется регулировочным узлом, выполненным на основе болтового соединения.

1 — наждачный круг; 2 — стяжная стойка-болт М8 с двумя гайками и шайбой Гровера (4 компл.); 3 — крепежно-регулировочный болт М8 с гайкой и шайбой Гровера (5 компл.); 4 — вварная перекладина верхней полурамы — упор крепежно-регулировочного узла (3-мм лист, Ст3), 5 — драчевый напильник 12×38; 6 — стенка корпуса (3-мм лист, Ст3, 2 шт.); 7 и 8 — нижние передний и задний лонжероны; 9 — регулировочный болт M12; 10 — стойка (2 шт.); 11 — корпус заднего подшипникового узла (сталь 35); 12 — подшипник 80204 (3 шт.); 13 — гайка М14 с шайбой; 14 — упор-фиксатор; 15 — полукруглая щека-уплотнитель (алюминий или текстолит, 2 шт.); 16 — вал (сталь 40); 17 — фланец (сталь 35); 18 — гайка М14 (левая резьба) с шайбой; 19 — призматическая шпонка 4,5x5x25; 20 — корпус переднего подшипникового узла (Ст3); 21 — радиальный фиксатор подшипникового узла (2 шт.); 22 — прижимная гайка (сталь 35); 23 — боковина корпуса (2 шт.); 24 — стяжка-болт М6 с гайкой и шайбой Гровера; 25 — болт М4 с гайкой и шайбой Гровера; 26 и 27 — соответственно, задний и передний лонжероны верхней полурамы;
материал деталей поз. 7, 8, 10, 21, 23, 26, 27 — стальной уголок 40×40; крепежные элементы детали поз. 15 условно не показаны
Силовым агрегатом служит однофазный электродвигатель мощностью 1—1,5 кВт, крутящий момент с вала которого передается на дробильный узел благодаря клиноременной передаче. Размеры шкивов, приспособленных от списанной автотракторной техники,— исходя из соотношения скоростей вращения ведущего и ведомого валов. Ремень кордо-шнуровой, надежный, сечением В. В целях упрощения и удешевления конструкции регулировка его натяжения осуществляется… «сползанием» силового агрегата вниз, под воздействием собственной массы, для чего рама с выполненными в ней прорезями под крепежные болты электродвигателя устанавливается под углом 5—15° к горизонту.
Основными материалами, требующимися для изготовления крупорушки «Хадыженская», служат стальной уголок 40×40 мм, болты М4, М6, М8 и М10 с гайками и пружинными шайбами, а также 3-мм лист Ст3. Корпус сварной. Его переднюю и заднюю стенки вырезают из 3-мм Ст3, а в качестве боковин используют отрезки вышепоименованного уголка. Вал вытачивают из стали 40, а корпуса подшипников, как, впрочем, и прижимную гайку, изготавливают из стали 35.
К лицевой и задней стенкам корпуса стяжными болтами устанавливаются (с последующей фиксацией сваркой) лонжероны, образующие раму. В наклонные пазы стенок с закрепленными изнутри щеками-уплотнителями вставляют предварительно собранный узел вала с наждачным кругом. Корпуса подшипников зажимают с боков соответствующими элементами крепления, а сверху — лонжеронами, устанавливаемыми на стойках-болтах М8. Осевое смещение вала измельчителя исключают закреплением дополнительной стойки на заднем лонжероне рамы.
Драчевый напильник размещают на наклонной боковине (внутри корпуса крупорушки) таким образом, чтобы между его рабочим полотном с насечками и радиальной поверхностью наждачного круга выдерживался требуемый рабочий зазор, — для этого в конструкции измельчителя предусматриваются крепежно-регулировочный и регулировочный узлы. Фланец, устанавливаемый с помощью призматической шпонки на ведомом валу, служит для быстрой установки любых шкивов, в том числе — от автомобильных двигателей.

1 — бункерный кронштейн; 2 — верхние лонжероны; 3 — наждачный круг; 4 — полукруглая щека-уплотнитель (2 шт.); 5 — фланец; 6,13 — крепежно-регулировочные болты; 7 — напильник; 8 — корпус; 9 — клиновой приводной ремень; 10 — ведущий шкив; 11 — однофазный электродвигатель (220 В, 1—1.5 кВт); 12 — нижние лонжероны; 14 — ведомый шкив; 15 и 16 — задний и передний подшипниковые узлы; 17 — вал;
детали поз. 9, 10 и 14 — от списанной автотракторной техники
Как уже отмечалось ранее, для работы «Хадыженской» в бытовой электросети требуется однофазный электродвигатель. Подключение — через разделительный трансформатор, обеспечивающий безопасность при возникновении пробоя изоляции и других нештатных ситуаций. Однако в случае необходимости дефицитный на селе «однофазник» можно вполне заменить трехфазным электродвигателем, в том числе — от сельхозоборудования, выработавшего свой ресурс. Убедившись в исправности «трехфазника», его подключают к бытовой электросети по схеме с фазосдвигающими конденсаторами, об особенностях которой неоднократно рассказывалось на страницах журнала «Моделист-конструктор» (см., например, публикации в № 11’90, 12’92, 8’95 и 8’99).
В состав электрооборудования крупорушки входят также магнитный пускатель, токовые реле, ремонтный рубильник с видимым разрывом цепи… Словом, желательно иметь все, чтобы работа на таком измельчителе была абсолютно безопасной.
Простая в изготовлении, крупорушка «Хадыженская» не представляет особых сложностей и при ее техническом обслуживании. Замена наждачного камня, например, выполняется в следующей незамысловатой последовательности.
Прежде всего, максимально ослабляют регулировочный, крепежно-регулировочный болты и из конструкции извлекают напильник. Отвинтив по нижней гайке на стяжных стойках-болтах М8, снимают верхнюю полураму. Затем вытаскивают из стенок корпуса в направлении хода проушин (разумеется, удалив для этого гайку М12, располагающуюся сзади) практически еще не разобранный узел вала измельчителя. Снимают задний подшипниковый узел, отвинчивают прижимную гайку и заменяют наждачный круг. Сборку же обновленной крупорушки выполняют в обратной последовательности.
Вообще-то в продолжительности срока службы «Хадыженской», что называется, не откажешь. В справедливости такого утверждения сможет убедиться каждый, смастерив себе столь надежную, добротную крупорушку, — благо, сил и средств на нее потребуется совсем немного.
В. ЗОРИН, г. Xадыженск, Краснодарский край


