Солнце всегда желанный гость. И в городе, и особенно при выездах на загородный отдых. Но ведь и от гостей иногда хочется уединиться. От солнца — тоже, когда его слишком много, в изнуряюще жаркий летний день. Ищем спасительной тени, укромного уголка где-нибудь под сенью дерев.
Однако не на каждом дачном участке найдется раскидистая крона, дающая желанную прохладу.
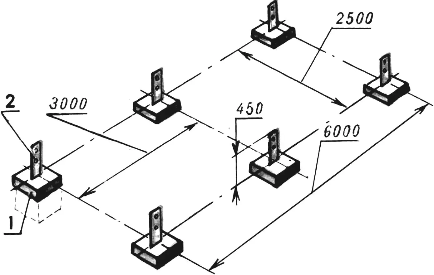
Польский журнал «Сам зроби» предлагает построить несложное тенеобразующее сооружение — перголу. Она представляет собой легкую решетчатую конструкцию, которая и сама по себе рассеивает солнечные лучи, и служит легким каркасом для полупрозрачного зеленого шатра из вьющихся растений.

1 — стойка, 2 — планки обрешетки, 3 — продольные лаги.
Внешне пергола напоминает недостроенное помещение — редкие стойки поддерживают ничем не покрытую решетчатую крышу. Однако больше ничего и не требуется: между стойками натягивается ряд веревок или проволоки — и поднявшиеся по ним вьюны образуют зеленые кружевные стены, которые прикроют от ветра, а решето крыши вместе с верхушками растений защитят от палящих лучей.

1 — столбик фундамента, 2 — подпятник.
Хотя сооружение и облегченное, ему все же требуется надежное основание — заглубленные в землю бетонные столбики. Они отливаются прямо на месте: в выкопанные заранее ямки закладывается цементный раствор с наполнителем из щебня или битого кирпича. Желательно, чтобы верх столбика несколько возвышался над землей, для чего горловину ямки следует нарастить подобием ящика без дна.

В начавший загустевать раствор по оси столбика вставляется металлический подпятник. Это отрезок стальной полосы, имеющий снизу раздвоенный хвостовик, а в верхней части — отверстия под болты для соединения со стойками перголы.

Верх стоек с двух сторон зажат продольными лагами, прибитыми гвоздями. Длину лаг необходимо рассчитывать так, чтобы в случае сращивания их стыки приходились на ближайшую стойку.

По всей длине в лагах на равных расстояниях пропиливаются пазы — под планки обрешетки, у которых подготовлены такие же встречные: при их совмещении получим соединение «в замок», не требующее какого-либо дополнительного крепежа.

После сборки всей конструкции остается натянуть между стойками веревку или проволоку; количество рядов произвольное, больше зависящее от вида вьющихся по ним растений.
Для предохранения древесины постройки ее желательно покрыть олифой, а еще лучше — масляными красками спокойных или, наоборот, ярких цветов.

1 — стойка, 2 — крепеж, 3 — подпятник, 4 — столбик фундамента.
Из растений для зеленого шатра подойдут традиционные плющ или хмель. Можно использовать также получающие в последнее время все большее распространение у дачников и садоводов лимонник (он даст еще и прибавку витаминов) или клематис, дикий виноград или знакомый всем с детства деревенский вьюнок.
Размеры, приведенные на рисунках, в основном ориентировочные, так как во многом зависят от расположения и конкретного назначения перголы: ведь она может быть и романтической беседкой, и летней кухней, и площадкой для автомобиля, и декоративной дорожкой-коридором от калитки к крыльцу дома.


