Возраст кружковцев станции юных техников «Планета» г. Ижевска самый различный: от учеников начальных классов до выпускников. И если старшеклассники больше интересуются серьезной техникой (мотоблоки, снегоходы, вездеходы и т.п.), то для младших наиболее привлекательна легкая мототехника, чтобы можно было самому завести да с ветерком прокатиться. Поэтому техническое творчество каждого нового поколения юных изобретателей начинается, как правило, с разработки мини-мокика. Одна из таких машин была описана в публикации «Бензин не нужен» в № 9 за 1997 г. «Моделиста-конструктора». В ней речь шла о конструкции на базе рамы и ходовой части от рижского мини-мокика с приводом от электродвигателя МН-1 последовательного возбуждения. К сожалению, эта идея пока что не получила развития, так как не удалось найти более легкий, но емкий аккумулятор вместо тяжелого автомобильного, который пришлось использовать в этой конструкции. Поэтому в дальнейшем для привода мокиков использовались традиционные бензиновые двигатели типа Д-6, Д-8.
Вот о такой разработке и пойдет речь в данной статье.

1 — двигатель Д-8; 2 — глушитель; 3 — ведомая звездочка моторного привода; 4 — укосина (труба Ø12, 2 шт.); 5 — натяжной ролик; 6 — бензобак; 7 — подрамник (труба Ø27)
За основу мини-мокика взяли обычный детский велосипед (рис. 1). С учетом непростых условий эксплуатации (скорость — до 60 км/час) рама и колеса будущего мокика были усилены. Между подседельной и рулевой трубами вварили подрамник из трубы диаметром 27 мм. Кроме усиления подрамник служит основанием для крепления бензобака на 2,5 литра. Задняя часть рамы укреплена двумя укосинами из трубы диаметром 12 мм. На переднем колесе вместо 12 штатных спиц приварили 6 стальных полос сечением 4×20 мм, по 3 с каждой стороны (как спицы). А на заднем колесе количество спиц увеличили до 32, как на взрослом велосипеде.
На мини-мокике установлен двигатель Д-8. Для увеличения мощности на впуске (между двигателем и карбюратором) расположили дополнительный клапан (фото 1), а высоту камеры сгорания уменьшили на 2,5 мм. В результате было получено 3 л.с.

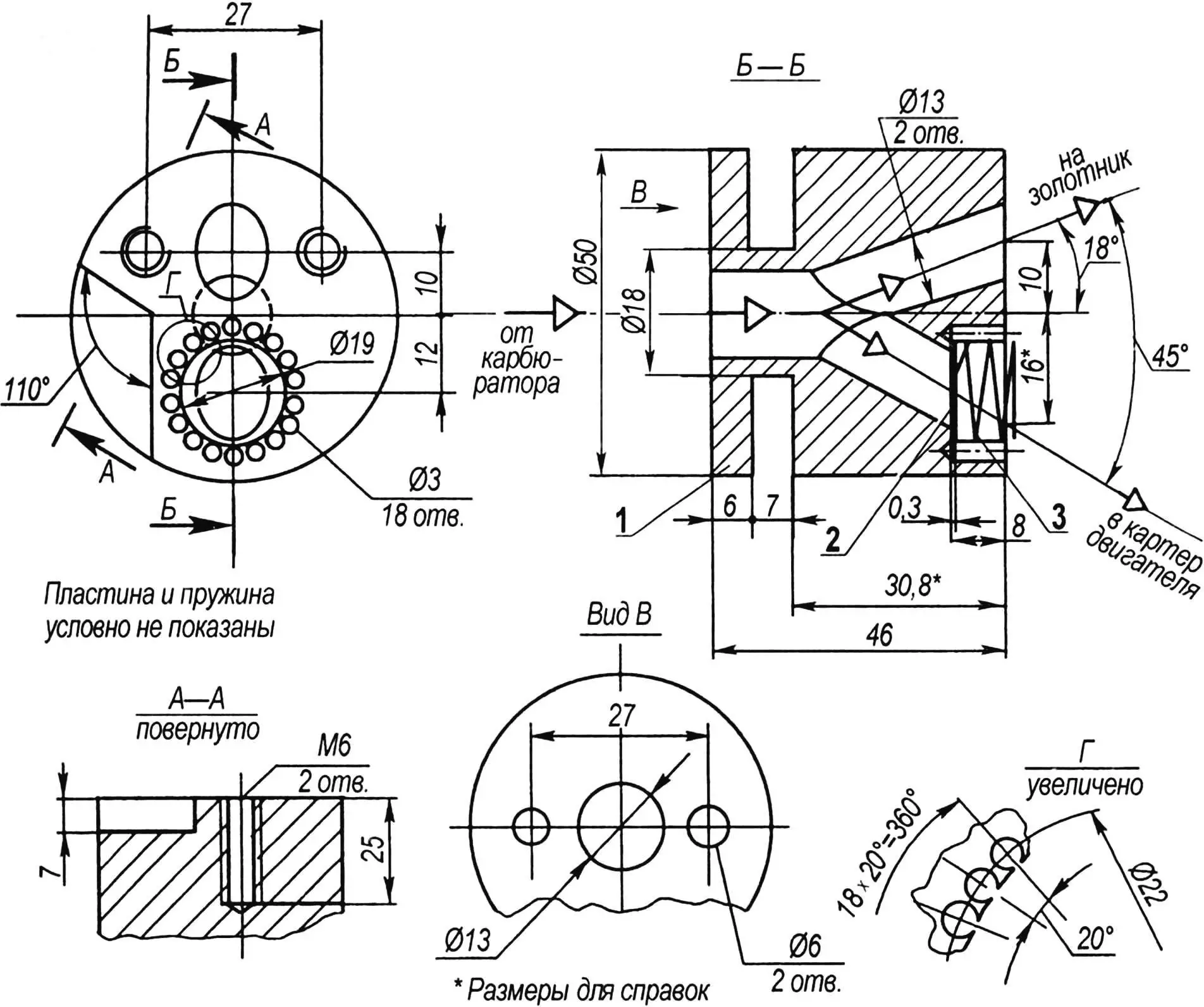
1 — корпус клапана (Д16Т); 2 — пластина (фольга Д16Т, s0,3); 3 — пружина (проволока 65 Г, Ø0,2)
Корпус клапана (рис. 2) представляет собой цилиндр диаметром 50 мм длиной 46 мм, изготовленный из дюралюминия Д16Т. В корпусе просверлены три канала диаметром 13 мм: центральный, обращенный к карбюратору, и два наклонных, которые входят в центральный. Часть смеси из карбюратора по одному из каналов напрямую поступает на моторный золотник, а другая часть по каналу, на котором установлен клапан, при разряжении устремляется в картер двигателя. Пластина клапана (фольга Д16Т толщиной 0,3 мм) слегка подпружинена в сторону карбюратора. Пружина наружным диаметром 17 мм из тонкой 0,2-мм проволоки 65Г имеет 3 витка. По периметру выборки под клапан засверлены 18 отверстий диаметром 3 мм. Эти отверстия облегчают прохождение смеси после открытия клапана. Возникающий при перепуске дополнительный объем смеси образует избыточное давление в камере сжатия, создавая при сгорании топлива добавочный момент на кривошипно-шатунном механизме и увеличивая тем самым мощность двигателя.

Изготовление корпуса клапана следует начать с токарной обработки (обточить, подрезать торцы, просверлить центральное отверстие на глубину 15 — 16 мм, проточить канавку шириной 7 мм до диаметра 18 мм). После этого разметить центры наклонных каналов, выдержав размеры 10; 16 и 12 мм. Вокруг последнего центра по диаметру 22 мм разметить и засверлить 18 отверстий диаметром 3 мм на глубину 9 — 10 мм.
Эту операцию следует осуществлять предельно аккуратно, как можно точнее выдерживая межцентровые расстояния, так как повреждение перемычек между отверстиями (приблизительно 0,8 мм) может во время эксплуатации привести к обрыву кусочков металла, попаданию их в кривошипно-шатунный механизм (КШМ) и выходу из строя двигателя. По этой же причине после окончательной механической обработки корпуса клапана для удаления мельчайших частиц стружки его следует продуть сжатым воздухом с последующей обработкой пылесосом и магнитом.

1 — входной торец (лист s2); 2 — корпус (труба 48×2); 3 — перфорированная внутренняя перегородка (лист s2); 4 — выходной торец (лист s2); 5 — выходной патрубок (труба 16×1,5); 6 —
переходной внутренний патрубок (труба 16×1,5); 7 — глухая внутренняя перегородка (лист s2); 8 — приемная труба двигателя
Перед началом обработки наклонных каналов в местах разметки их центров необходимо засверлить 2-мм углубления диаметром 10 мм. Затем деталь прочно закрепить в машинных тисках под углом 18° и в два прохода сверлами диаметром 6 и 13 мм обработать первый канал (на золотник) до выхода в центральный. (А еще лучше обработку каналов в клапане производить последовательно сверлом, зенкером и разверткой, обеспечивая таким образом не только точность, но и высокую чистоту поверхности каналов. — Прим. ред.) Развернув корпус на 45°, просверлить второй (клапанный) канал. Затем на вертикально-фрезерном или расточном станке обработать углубление под пластину и пружину расточной головкой диаметром 19 мм (на глубину 8 мм), выдержав размер 12 мм (до центра). В заключение обработать крепежные отверстия и углубление (7×110°), которое необходимо для размещения выступа на цилиндре.

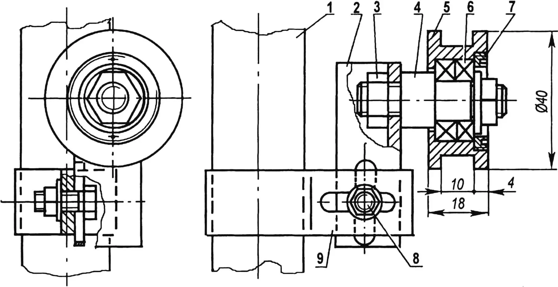
1 — подседельная труба Ø27; 2 — кронштейн ролика (уголок 20×20, L55); 3 — крепление оси (гайка M10, 2 шт.); 4 — ось ролика (сталь, круг 16); 5 — ролик (сталь 40Х, круг 40); 6 — подшипник 1 000 900 (2 шт.); 7 — крышка (сталь, лист s3); 8 — крепление кронштейна (болт М6); 9 — хомут (сталь, полоса 2×20)
Крепление клапана к карбюратору осуществляется на его штатные шпильки. А вот для стыковки с цилиндром пришлось изготовить специальные болты (рис. 3, фото 1), так как для затягивания ключами болтов с обычными шестигранными головками не хватило места. Для уплотнения стыка между клапаном и цилиндром наносится термостойкий герметик.

Штатный глушитель двигателя Д-8 заменен на новый (рис. 4), самодельный с корпусом из тонкостенной трубы с наружным диаметром 48 мм. В глушителе 3 отсека. Отработанные газы через 23 отверстия диаметром 5 мм на конце приемной трубы двигателя, вваренной во входной торец глушителя, попадают в первый отсек. Из него через перфорацию (30 отв. диаметром 4,5 мм) в первой внутренней перегородке — во второй отсек. А в третий — по внутреннему патрубку через 45 впускных отверстий диаметром 3,7 мм и 100 выпускных диаметром 2,5 мм.
И последний этап выхлопа — из третьего отсека наружу — через выходной патрубок. Новый глушитель снизил силу звука хоть и незначительно, но все-таки поднял мощность и максимальные обороты двигателя.
Привод на заднее колесо мокика осуществляется роликовой цепью с натяжным роликом (рис. 5) через самодельную 24-зубую звездочку, изготовленную из стального листа толщиной 4 мм марки 40Х. Черновая обработка производилась по разметке на вертикально-фрезерном станке пальчиковой 4-мм фрезой, окончательная — круглым напильником. Звездочка крепится к фланцу втулки заднего колеса болтами М6. Со стороны спиц установлены специальные сегментные шайбы с резиновыми прокладками, как у моторного велосипеда (фото 2).

Заводится мини-мокик от вращения педалей.
Техническая характеристика
Мощность двигателя, л.с. … 3
Максимальная скорость, км/час … 60
Масса, кг … 22
Р. ЧЕРЕПНЕВ, СЮТ «Планета», г. Ижевск


